GM Service Manual Online
For 1990-2009 cars only
Makes
🢒
Pontiac
🢒
2006
🢒
Pursuit
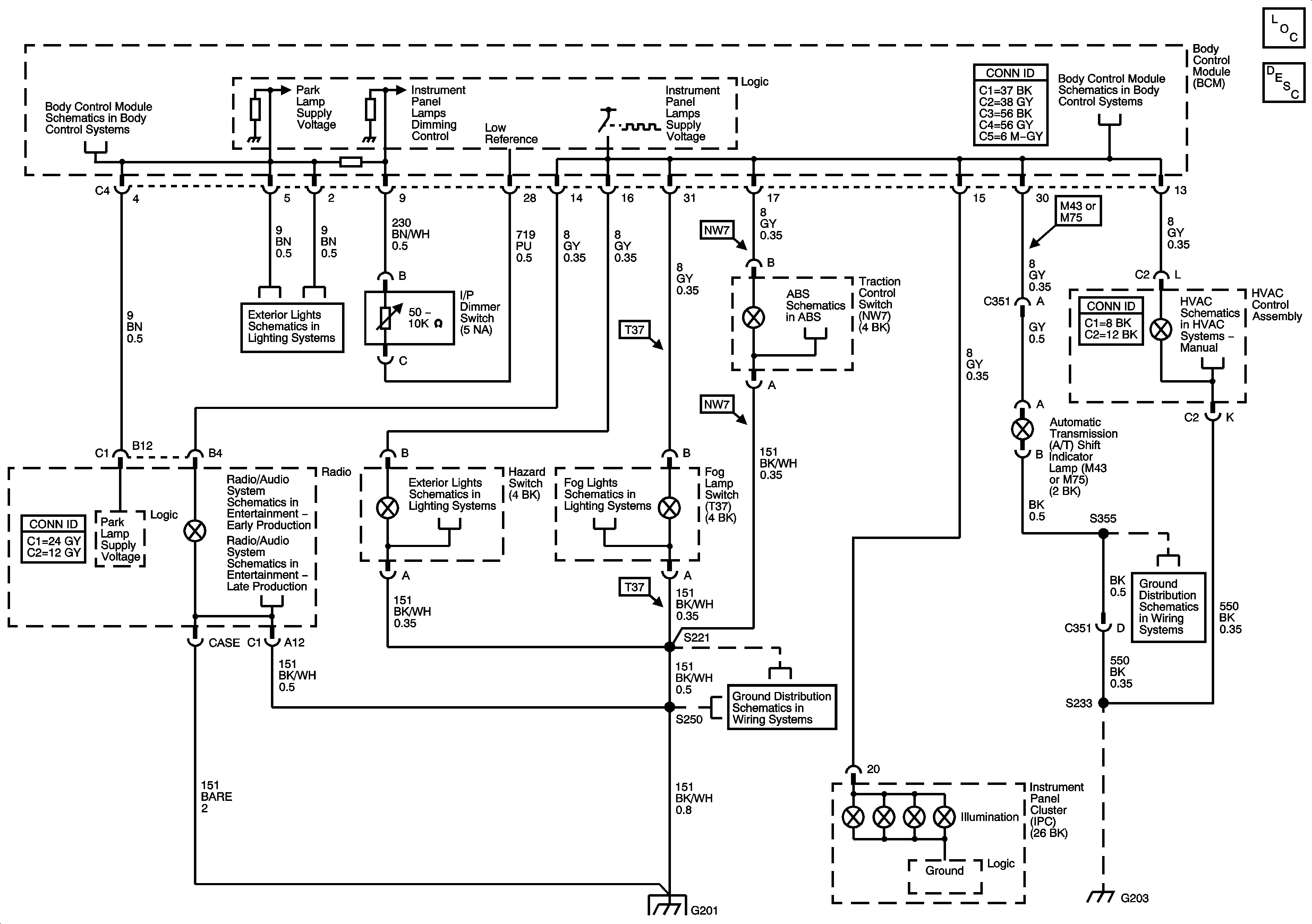
🢒 Interior Lights Dimming Schematics
Interior Lights Dimming Schematics
Master Electrical Component List
Interior Lighting Systems Description and Operation
PARK Fuse and Subsytem References
IP BATT 1A Fuse, IP BATT 1 Fuse, Grounds, and Subsystem References
Traction Control, DLC, and Indicators
Air Recirculation and Compressor Controls-C60
Park Lamps
03 A Car Radio/Audio System-Ground,Power,Signals,references to Cellular Communication and Lighting
Ground, Power, Signals, and References to Cellular Communication and Lighting
Turn/Hazard Lamps
Fog Lights Schematics
G201
G203
G201