GM Service Manual Online
For 1990-2009 cars only
Makes
🢒
Pontiac
🢒
2006
🢒
Pursuit
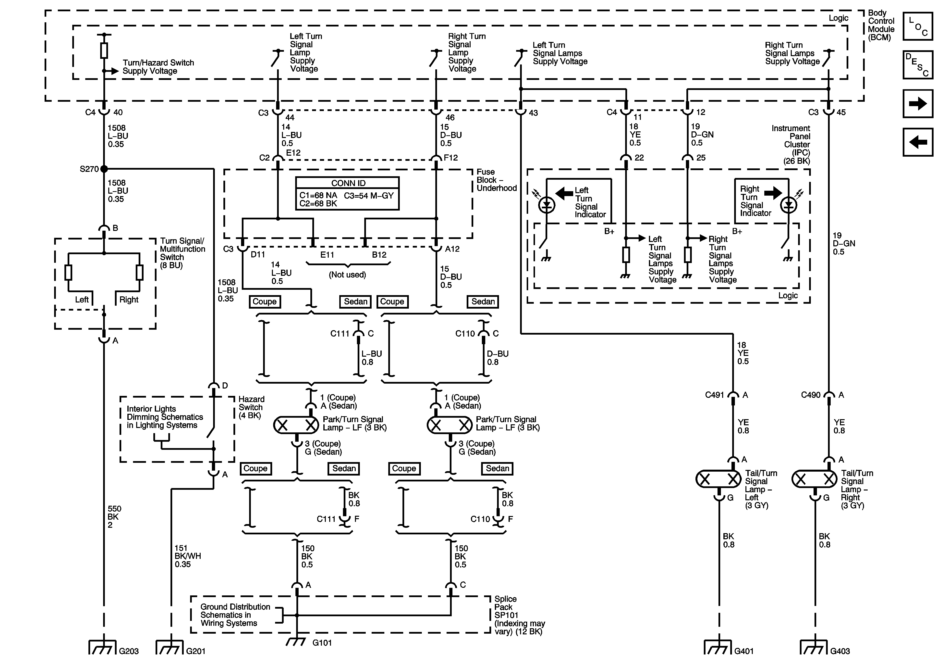
🢒 Turn/Hazard Lamps
Turn/Hazard Lamps
Turn/Hazard Lamps
Master Electrical Component List
Exterior Lighting Systems Description and Operation
Stop Lamps
Park Lamps
Interior Lights Dimming Schematics
G203
G201
G101
G401
G403 and G502