GM Service Manual Online
For 1990-2009 cars only
Makes
🢒
Pontiac
🢒
2006
🢒
Pursuit
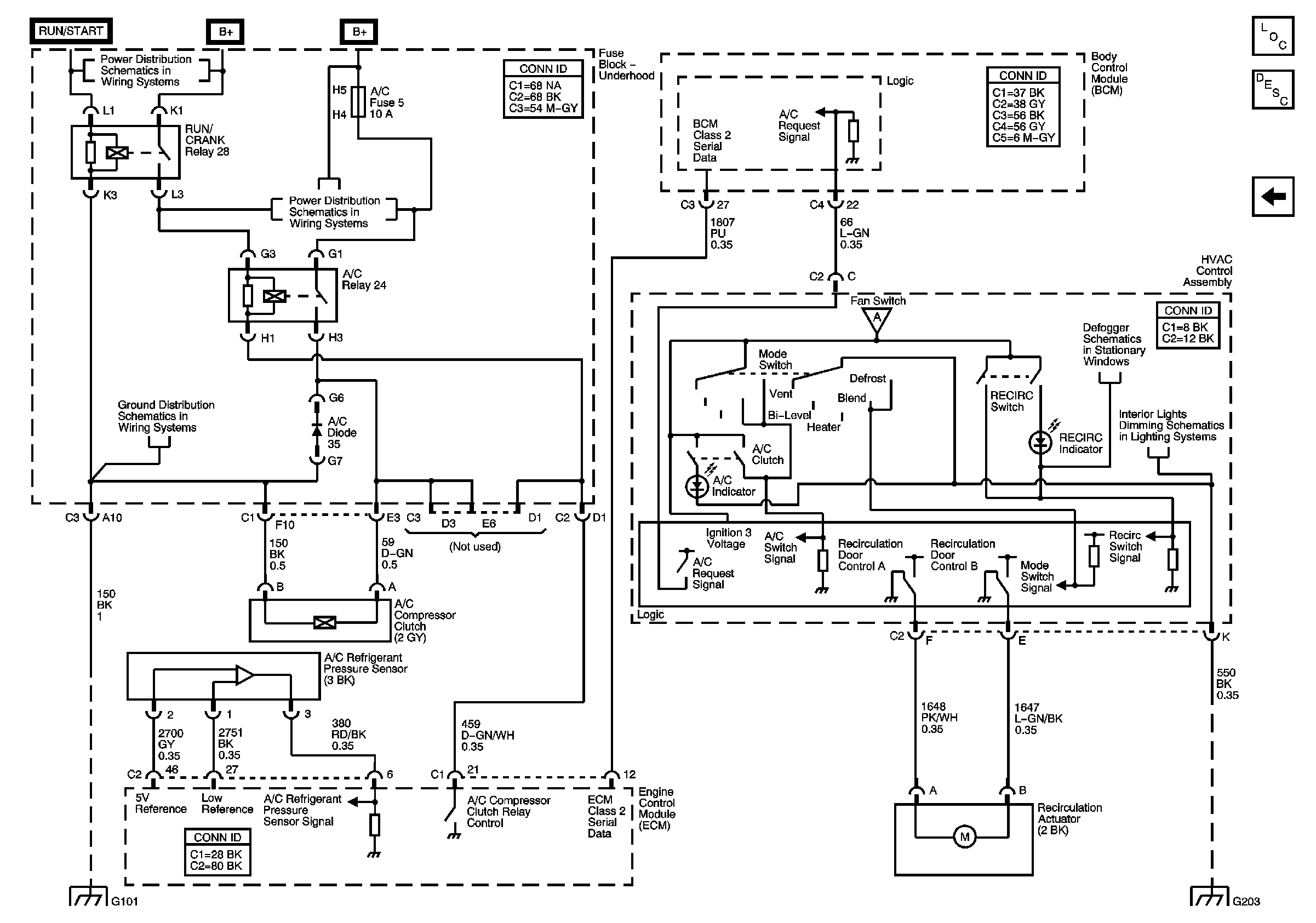
🢒 Air Recirculation and Compressor Controls-C60
Air Recirculation and Compressor Controls-C60
Air Recirculation and Compressor Controls-C60
Master Electrical Component List
Air Delivery Description and Operation
Blower Controls
Ignition Switch
Fuse Block-Underhood Fuses: ABS, ABS1, ABS2, ECM, ECM/TCM, IGN, LH HDLP, PREM AUDIO, RH HDLP, and RUN/CRANK
03 GMX357 Fuse Block-Underhood Bus
Blower Controls
Defogger Schematics
Interior Lights Dimming Schematics
G101
G203