GM Service Manual Online
For 1990-2009 cars only
Makes
🢒
Pontiac
🢒
2006
🢒
Pursuit
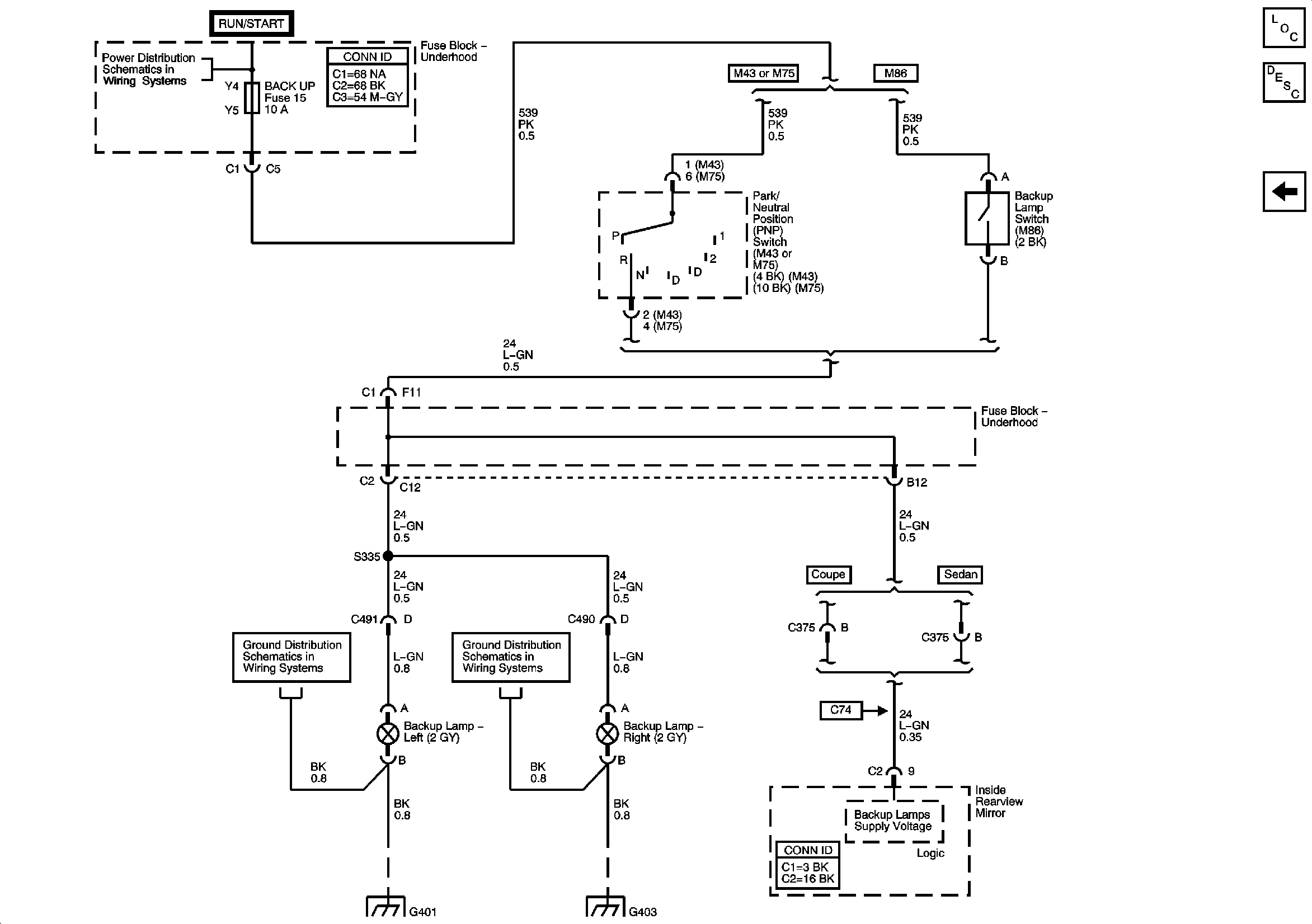
🢒 Backup Lamps
Backup Lamps
Backup Lamps
Master Electrical Component List
Exterior Lighting Systems Description and Operation
Stop Lamps
Fuse Block-Underhood Fuses: BACK UP, TRANS1, and TRANS2
G401
G403 and G502