GM Service Manual Online
For 1990-2009 cars only
Makes
🢒
Pontiac
🢒
2006
🢒
Solstice
🢒
Vehicle Control Systems
🢒
Vehicle DTC Information
🢒 Exterior Lights Schematics
Figure
1:
Hazards and Park Lamps
Master Electrical Component List
Exterior Lighting Systems Description and Operation
Control Module References
Backup Lamps
B+ Bus Bar - 2 of 2
I/P Dimmer Switch
Lights
G101 and G102
G301, G102, G303, and G402
G305 (2 of 2)
G305 (1 of 2)
G101 and G102
G101 and G102
G301, G102, G303, and G402
G301, G102, G303, and G402
Figure
2:
Backup Lamps
Master Electrical Component List
Exterior Lighting Systems Description and Operation
Control Module References
Stop and Turn Signal Lamps
Hazards and Park Lamps
B+ Bus Bar - 1 of 2
ABS 10A, BCK/UP, BCK/UP LAMP, CAN VENT, ECM/TRANS, I/P IGN, and TRUNK Fuses
G301, G102, G303, and G402
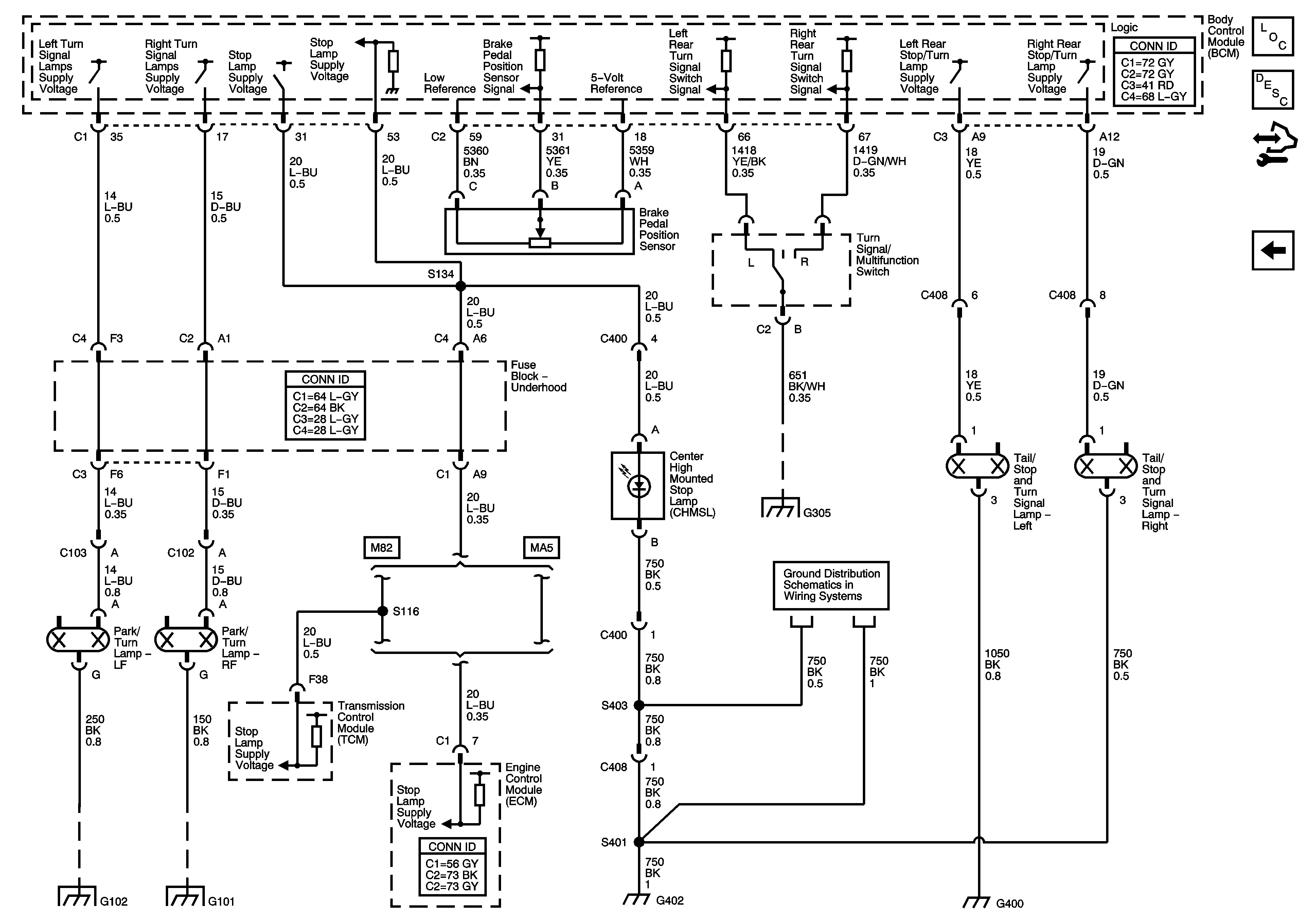
Figure
3:
Stop and Turn Signal Lamps
Master Electrical Component List
Exterior Lighting Systems Description and Operation
Control Module References
Backup Lamps
G305 (1 of 2)
G101 and G102
G101 and G102
G301, G102, G303, and G402
G301, G102, G303, and G402