GM Service Manual Online
For 1990-2009 cars only
Figure 1:

Ground, Indicator, Power, Sensors, and Serial Data


Object Number: 1583421  Size: FS
Master Electrical Component List
SIR System Description and Operation
Control Module References
Deployment Loops
BCM, DR LCK, ECM/TCM, INT LIGHT, PWR WNDW, RADIO, and SDM Fuses
AIR BAG, AMP, BCM 2, BCM 3, CLSTR, EPS/STR WHL CNTRL, HVAC/IP IGN, HVAC/PK3+, and WPR Fuses
AIR BAG, AMP, BCM 2, BCM 3, CLSTR, EPS/STR WHL CNTRL, HVAC/IP IGN, HVAC/PK3+, and WPR Fuses
DLC Power, Ground, and Low Speed LAN
G103, G204, G105, G104, and G106
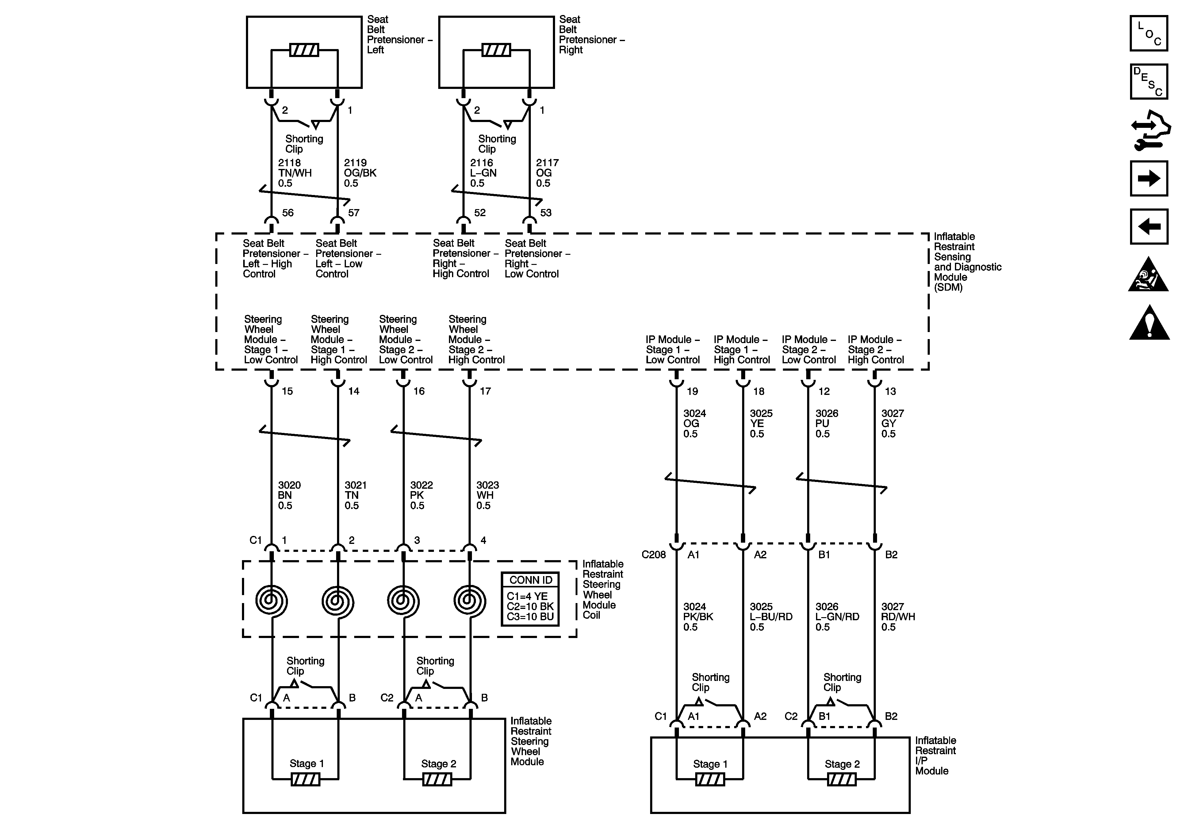
Figure 2:

Deployment Loops


Object Number: 1583422  Size: FS
Master Electrical Component List
SIR System Description and Operation
Control Module References
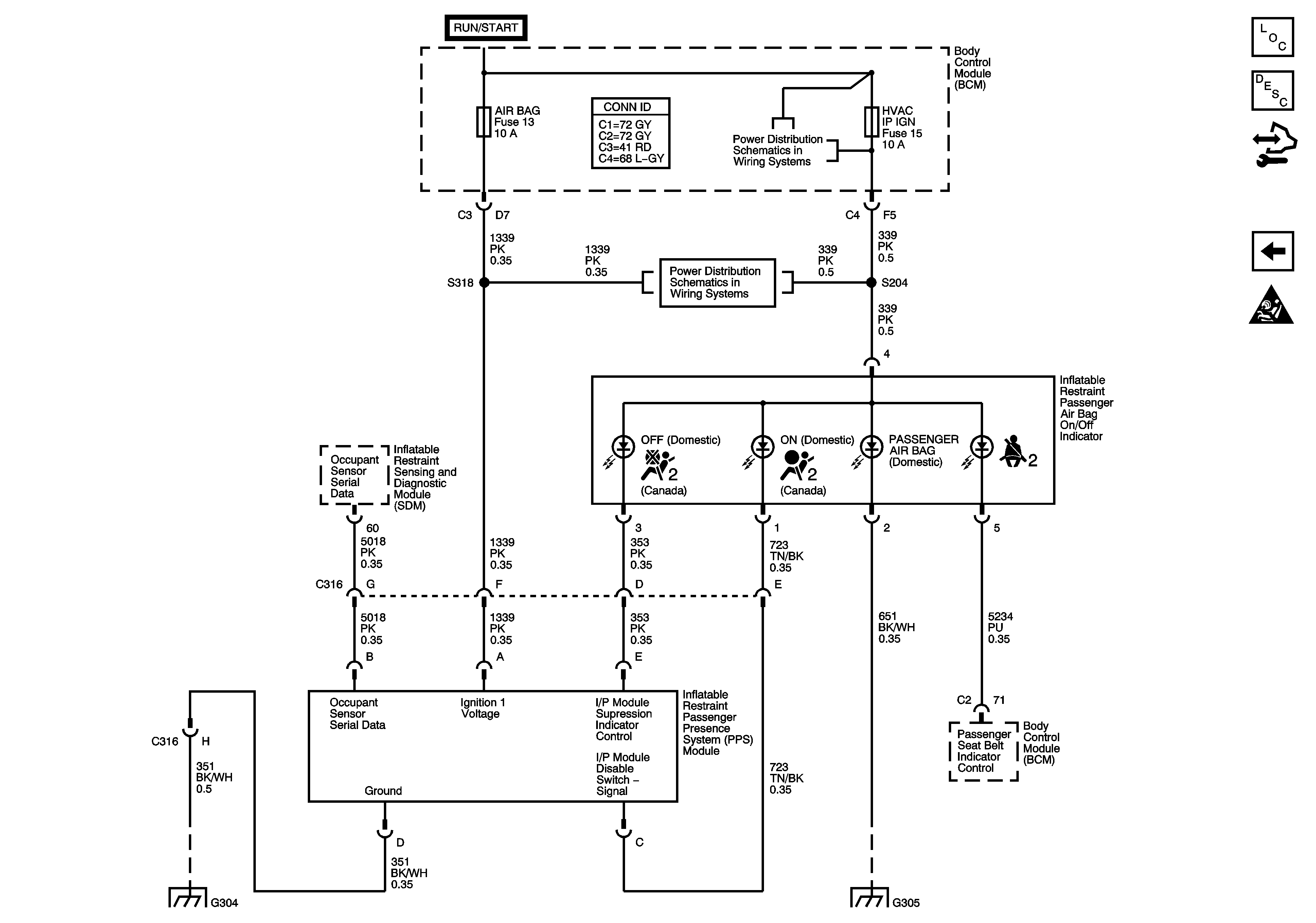
Passenger Presence System (PPS)
Ground, Indicator, Power, Sensors, and Serial Data
Figure 3:

Passenger Presence System (PPS)


Object Number: 1702337  Size: FS
Master Electrical Component List
SIR System Description and Operation
Control Module References
Deployment Loops
AIR BAG, AMP, BCM 2, BCM 3, CLSTR, EPS/STR WHL CNTRL, HVAC/IP IGN, HVAC/PK3+, and WPR Fuses
AIR BAG, AMP, BCM 2, BCM 3, CLSTR, EPS/STR WHL CNTRL, HVAC/IP IGN, HVAC/PK3+, and WPR Fuses
G103, G204, G105, G104, and G106
G305 (1 of 2)