GM Service Manual Online
For 1990-2009 cars only
Makes
🢒
Pontiac
🢒
2007
🢒
Solstice
🢒
Diagnostic Navigation
🢒
Vehicle Diagnostic Information
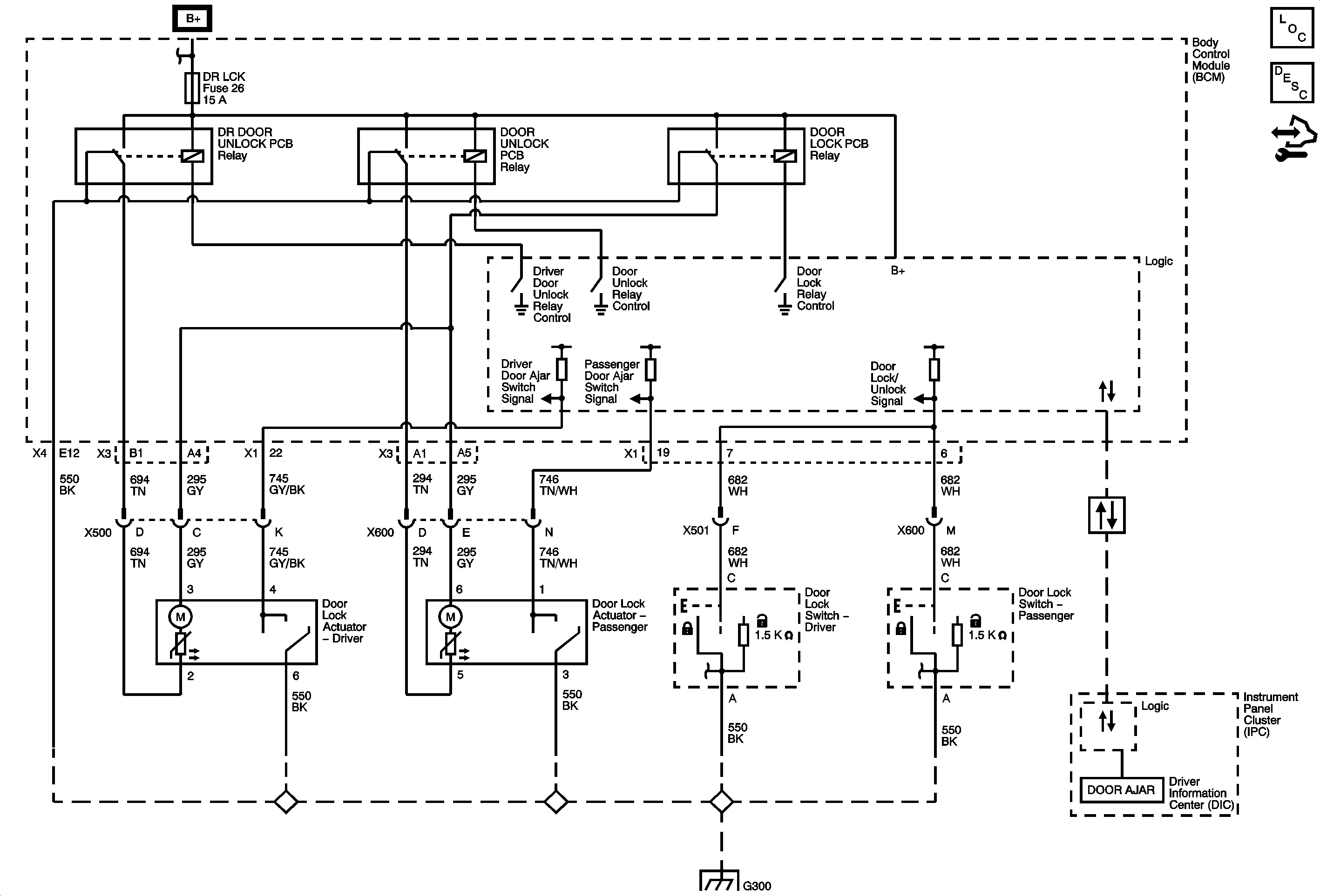
🢒 Door Lock/Indicator Schematics
Master Electrical Component List
Power Door Locks Description and Operation
Control Module References
BCM Fuse (Underhood Fuse Block), DR LCK, ECM/TCM, INT LIGHT, PWR WNDW, RDO, and SDM Fuses, DOOR LOCK PCB , DOOR UNLOCK PCB, DR DOOR UNLOCK PCB, INADVERTENT LOAD CONTROL PCB, and RAP Relays (BCM)
Low Speed LAN
G300 - 2 of 2
G300 - 2 of 2
G300 - 2 of 2
Master Electrical Component List
Power Door Locks Description and Operation
Control Module References
WINDOWS, DOOR LKS, INT LPS, ECM/TCM, RADIO, and SDM Fuses
G300 - 2 of 2
Data Communication Schematics