GM Service Manual Online
For 1990-2009 cars only
Figure 1:

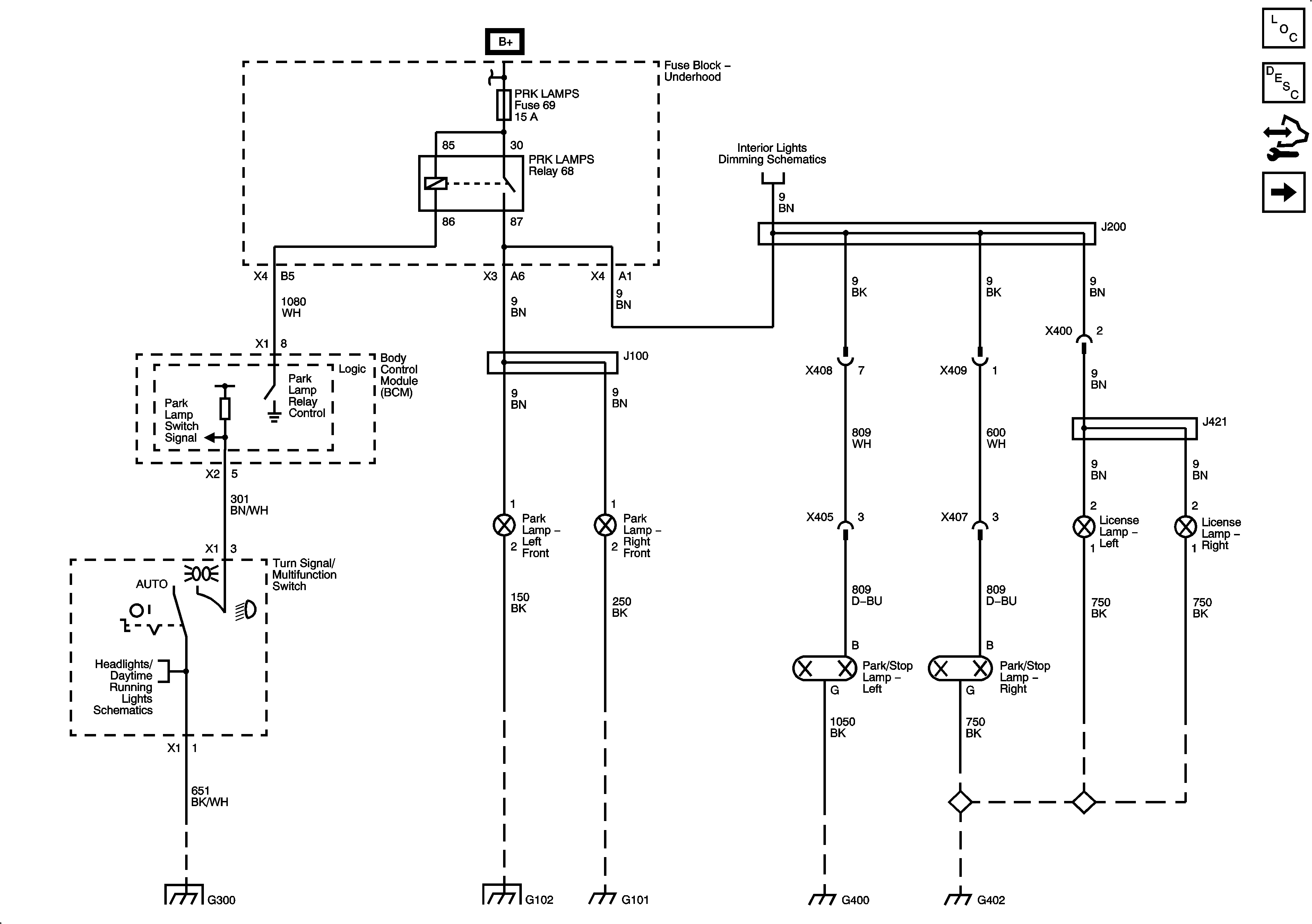
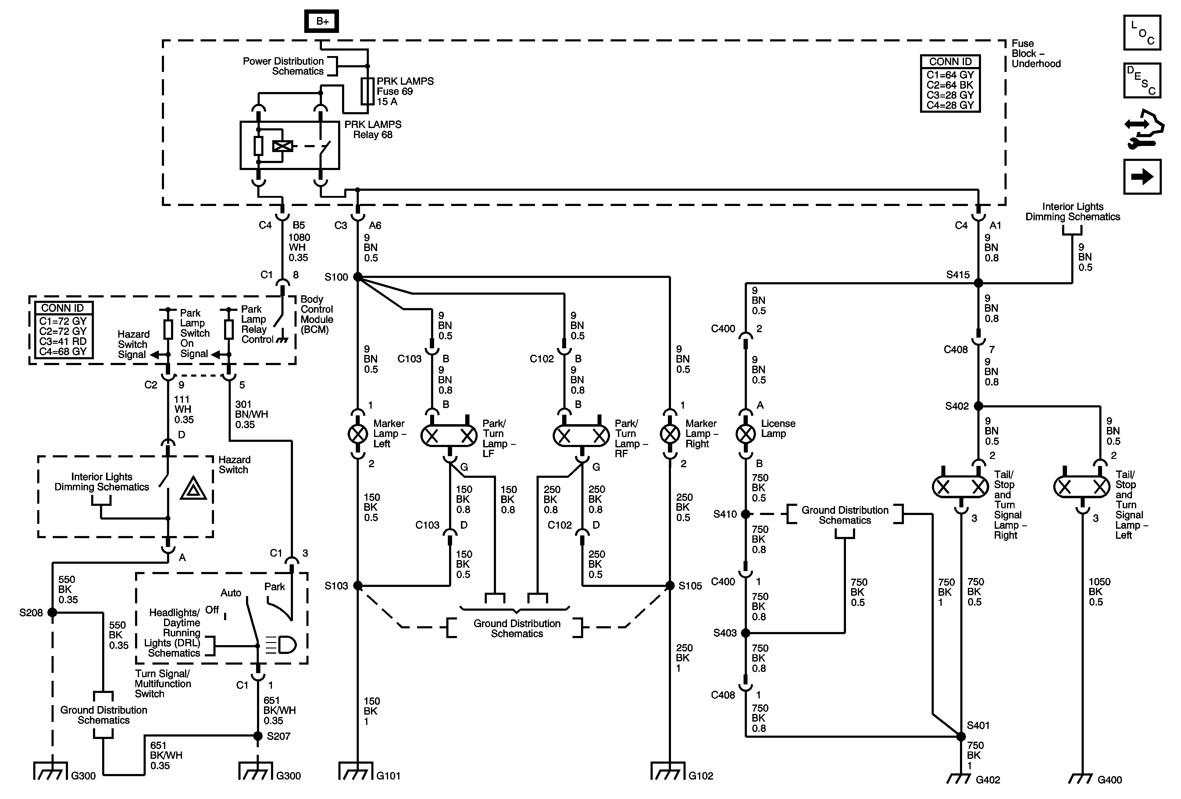
Hazard and Park Lamps


Object Number: 1829743  Size: FS
Master Electrical Component List
Exterior Lighting Systems Description and Operation
Control Module References
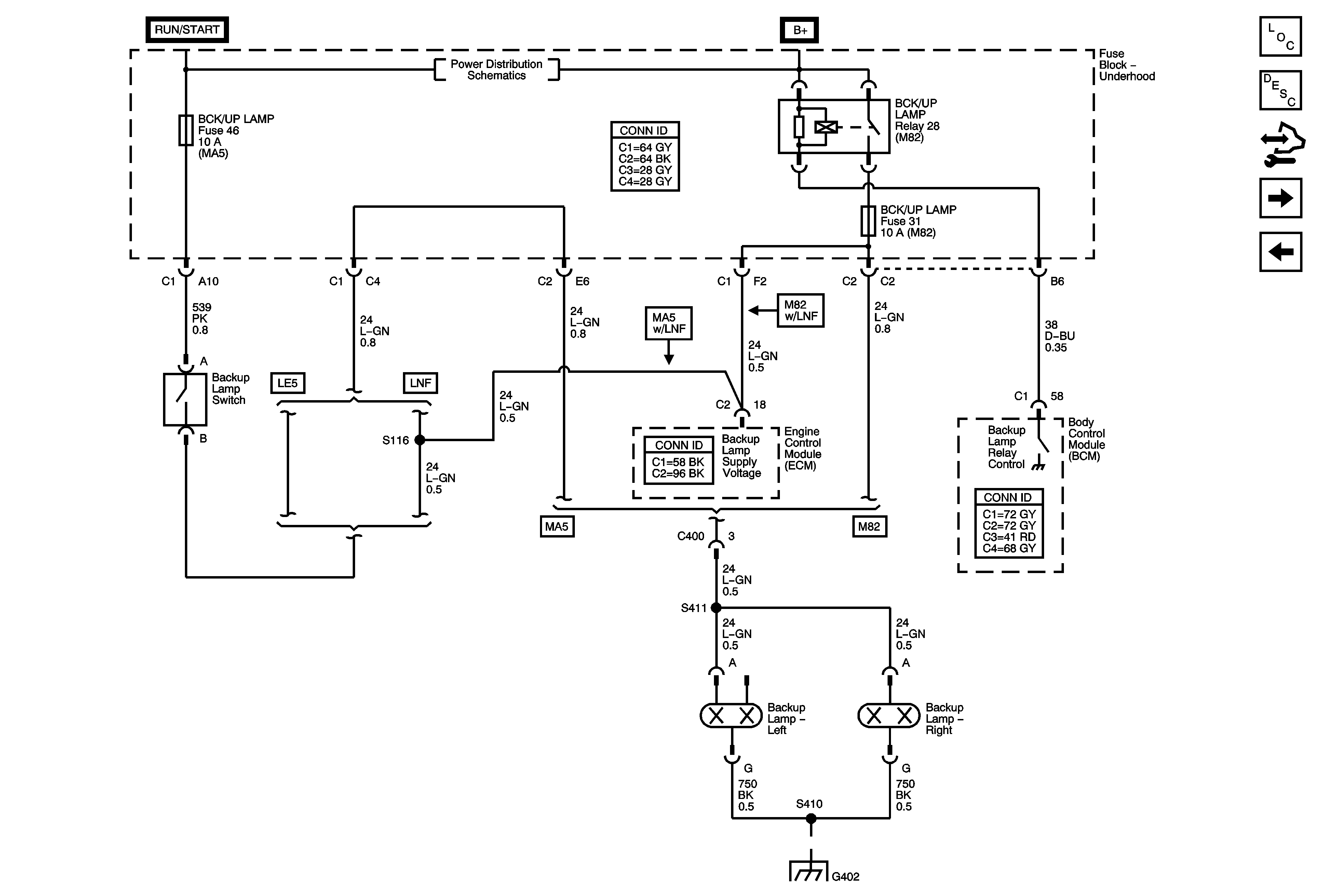
Backup Lamps
B+ Bus Bar - 2 of 2
I/P Dimmer Switch
Lights
G101 and G102
G301, G302, G303, G400 and G402
G300 - 2 of 2
G300 - 2 of 2
G300 - 2 of 2
G101 and G102
G101 and G102
G301, G302, G303, G400 and G402
G301, G302, G303, G400 and G402
Figure 2:

Backup Lamps


Object Number: 1829751  Size: FS
Master Electrical Component List
Exterior Lighting Systems Description and Operation
Control Module References
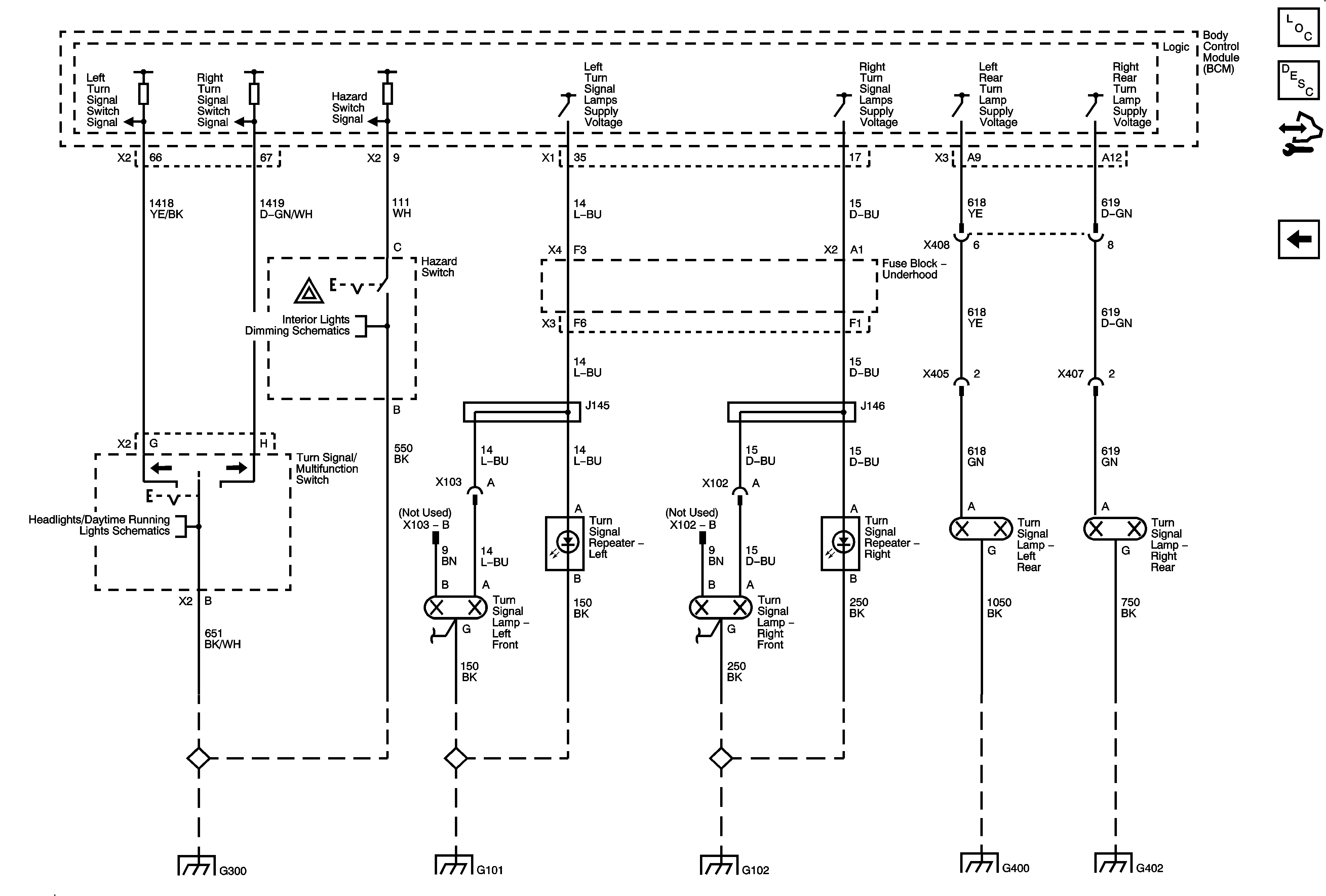
Stop and Turn Signal Lamps
Hazards and Park Lamps
B+ Bus Bar - 1 of 2
G301, G302, G303, G400 and G402
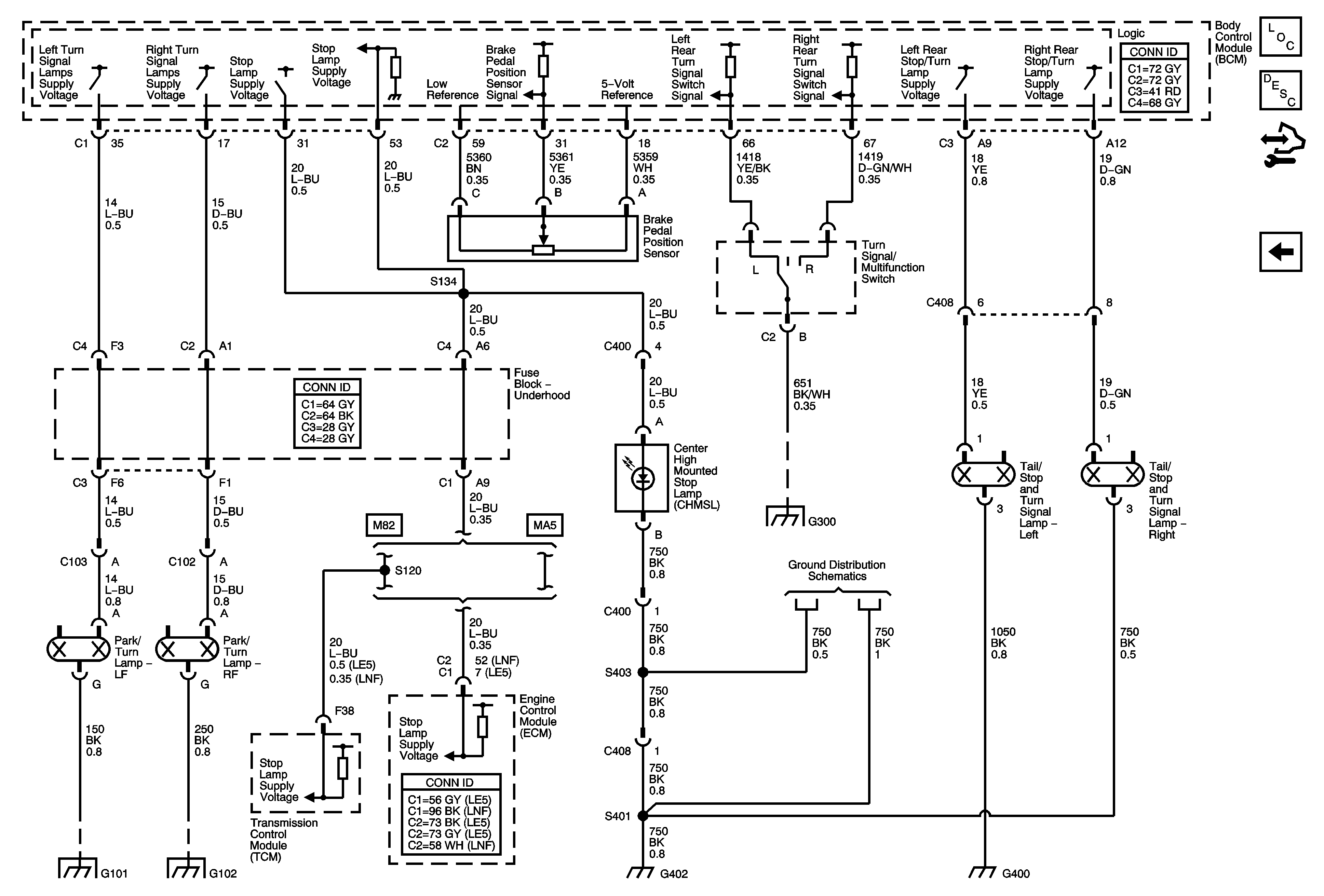
Figure 3:

Stop and Turn Signal Lamps


Object Number: 1829758  Size: FS
Master Electrical Component List
Exterior Lighting Systems Description and Operation
Control Module References
Backup Lamps
G300 - 2 of 2
G301, G302, G303, G400 and G402
G101 and G102
G101 and G102
G301, G302, G303, G400 and G402
G301, G302, G303, G400 and G402
Figure 1:

Hazard and Park Lamps


Object Number: 1871381  Size: FS
Master Electrical Component List
Exterior Lighting Systems Description and Operation
Control Module References
Backup Lamps
B+ Bus Bar - 2 of 2
G300 - 2 of 2
G300 - 2 of 2
Headlights/DRL Schematics
G300 - 2 of 2
Fog Lights Schematics
G101 and G102
G101 and G102
G301, G102, G303, and G402
G301, G102, G303, and G402
Figure 2:

Backup Lamps


Object Number: 1871376  Size: FS
Master Electrical Component List
Interior Lighting Systems Description and Operation
Control Module References
Stop and Turn Signal Lamps
Hazard and Park Lamps
B+ Bus Bar - 1 of 2
G301, G102, G303, and G402
Figure 3:

Stop and Turn Signal Lamps


Object Number: 1871377  Size: FS
Master Electrical Component List
Exterior Lighting Systems Description and Operation
Control Module References
Backup Lamps
G300 - 2 of 2
G101 and G102
G101 and G102
G101 and G102
G301, G102, G303, and G402
G301, G102, G303, and G402