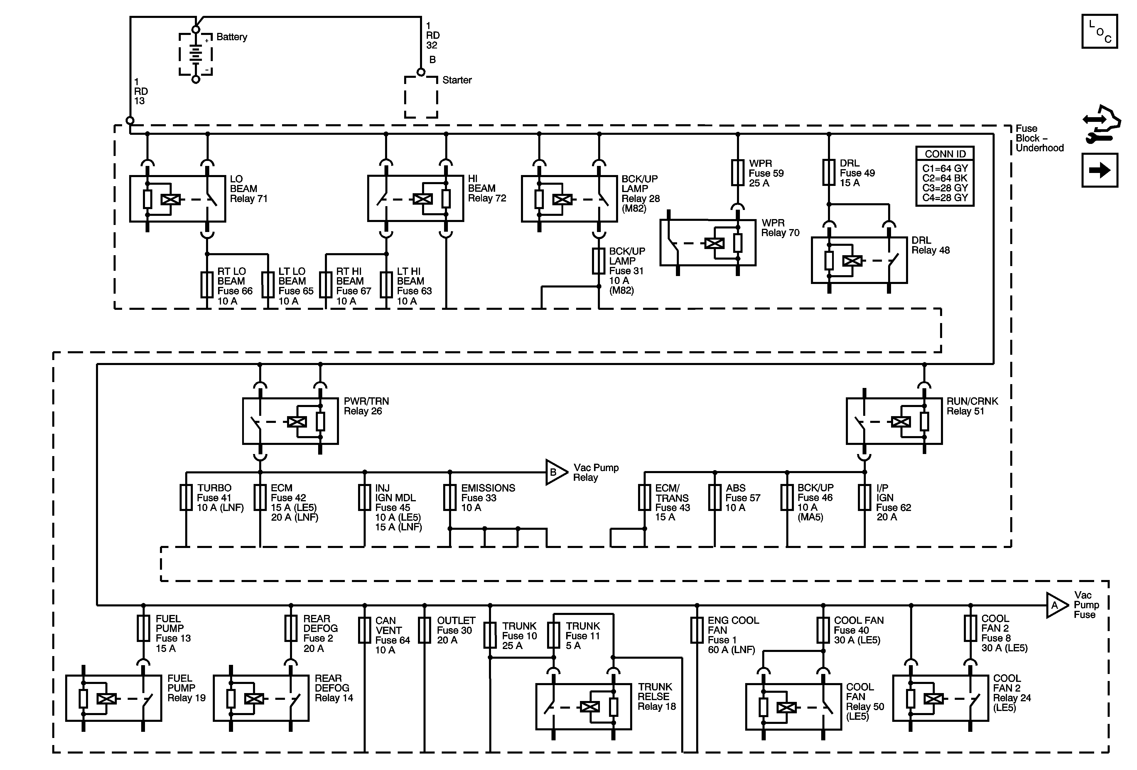
| Figure 1: |
B+ Bus Bar - 1 of 2
|
| Figure 2: |
B+ Bus Bar - 2 of 2
|
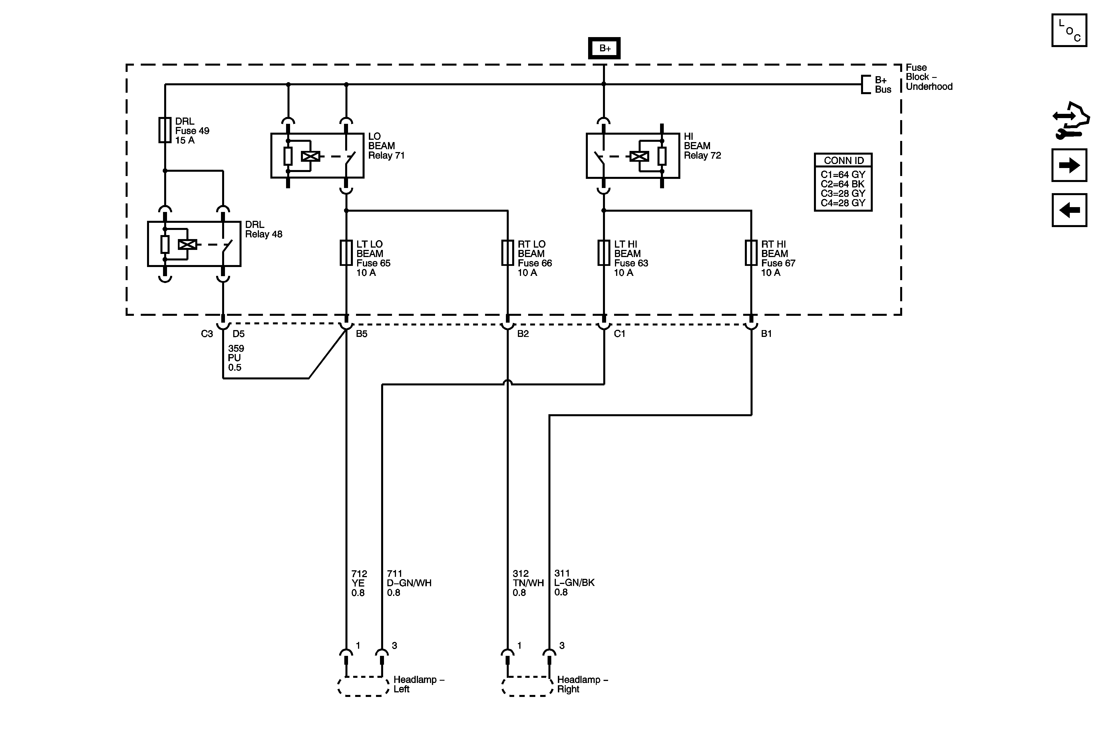
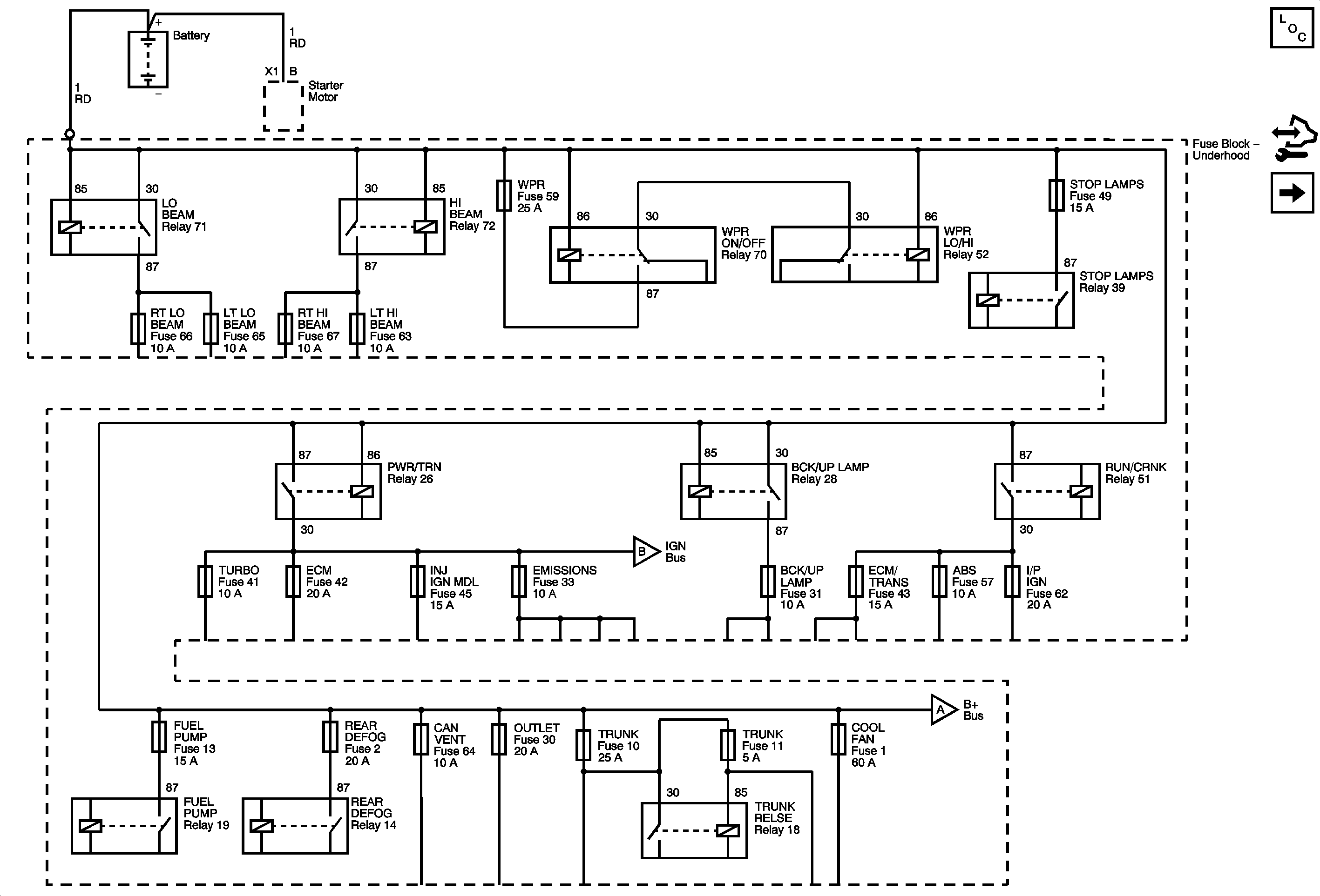
| Figure 3: |
LT LO BEAM, RT LO BEAM, LT HI BEAM, RT HI BEAM, and BCK/UP LAMP Fuses
|
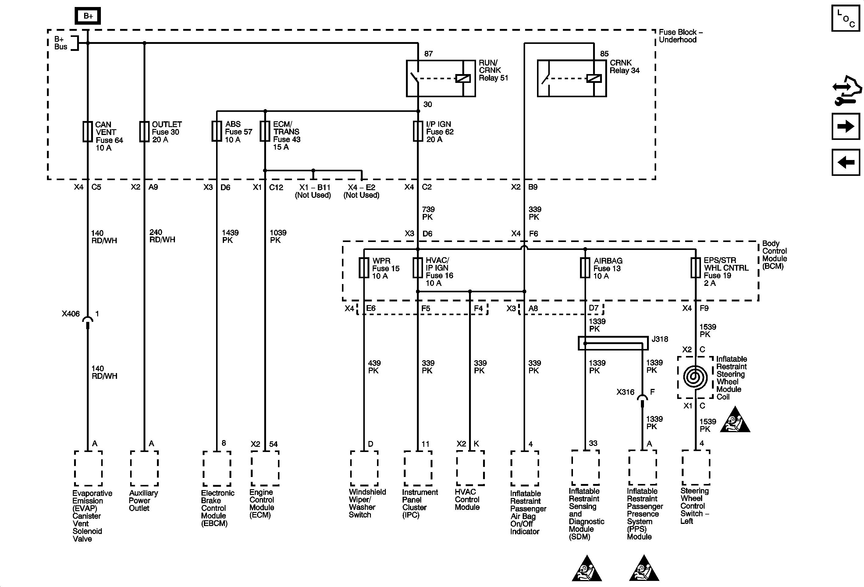
| Figure 4: |
ABS, AIRBAG, CAN VENT, ECM/TRANS, EPS/STR WHL CNTRL, HVAC/IP IGN, I/P IGN, OUTLET, and WPR Fuses
|
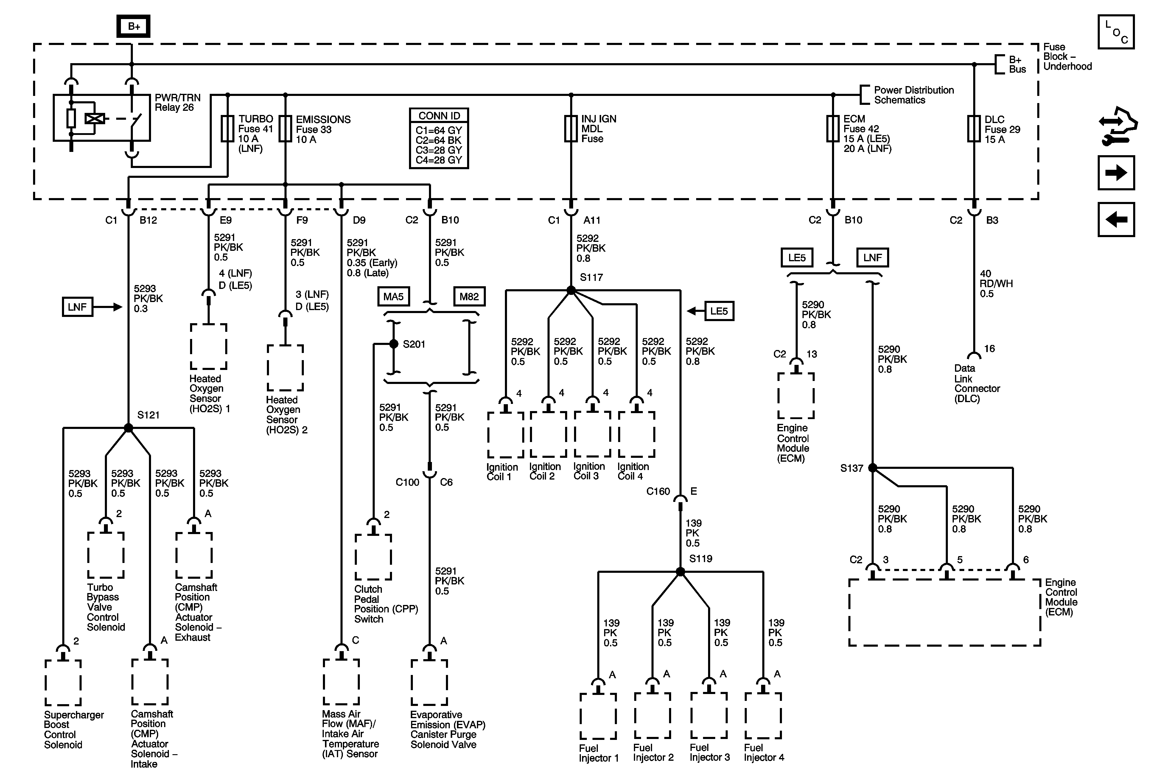
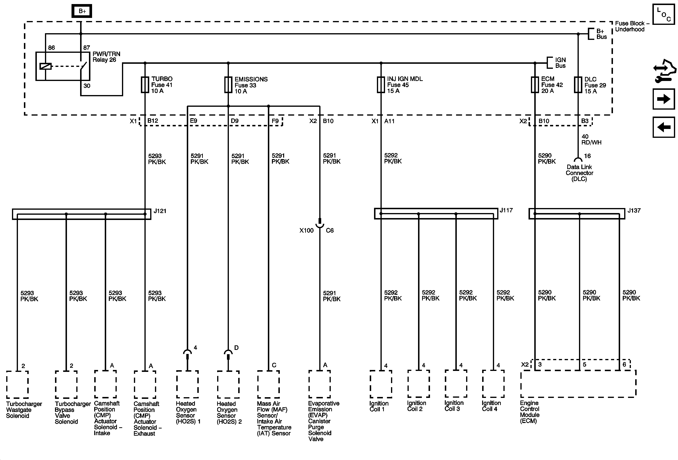
| Figure 5: |
DLC, ECM, EMISSIONS, INJ IGN MDL, and TURBO Fuses
|
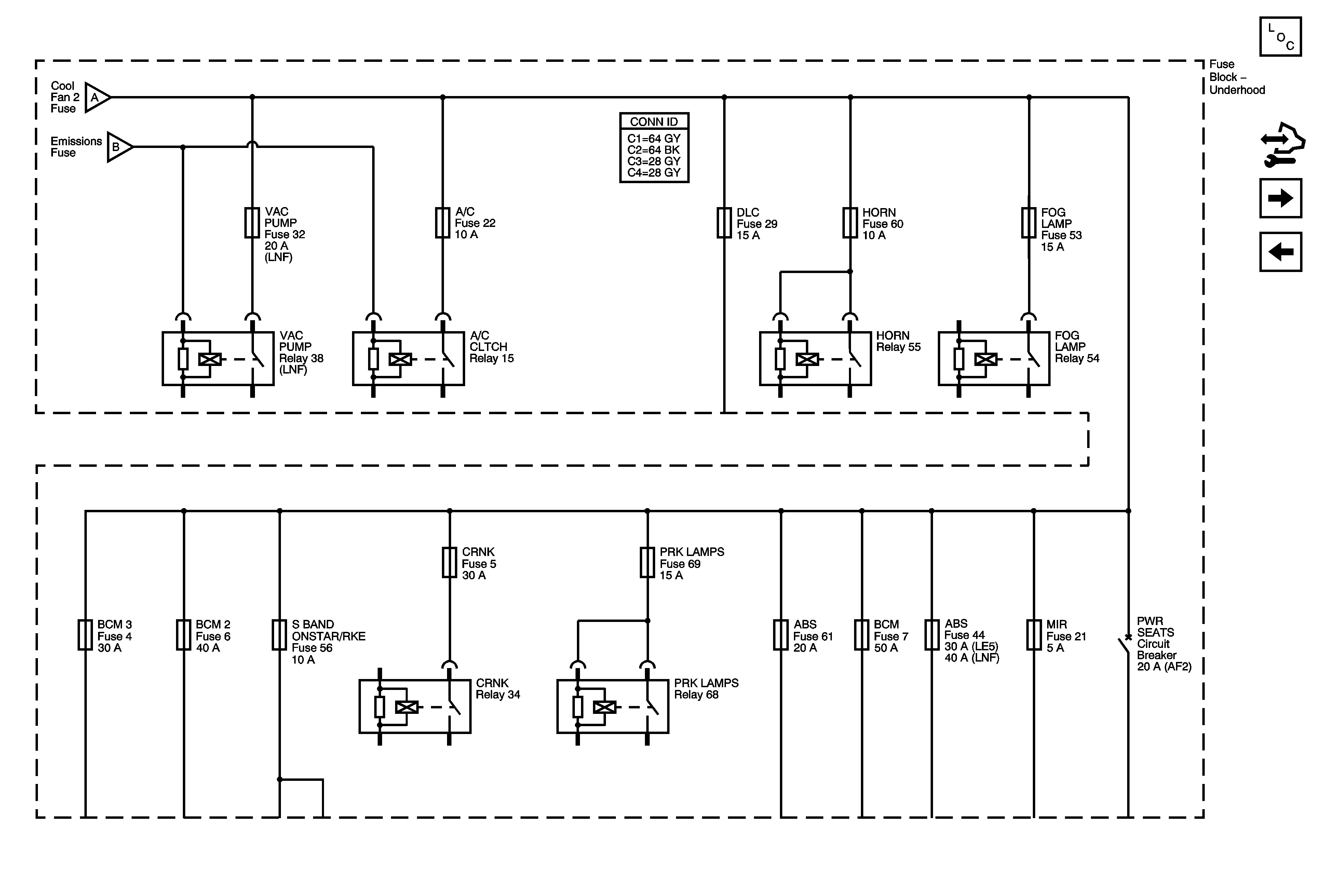
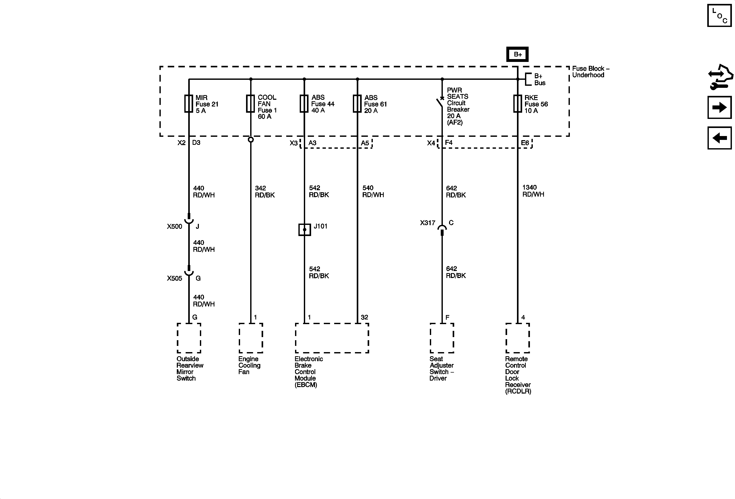
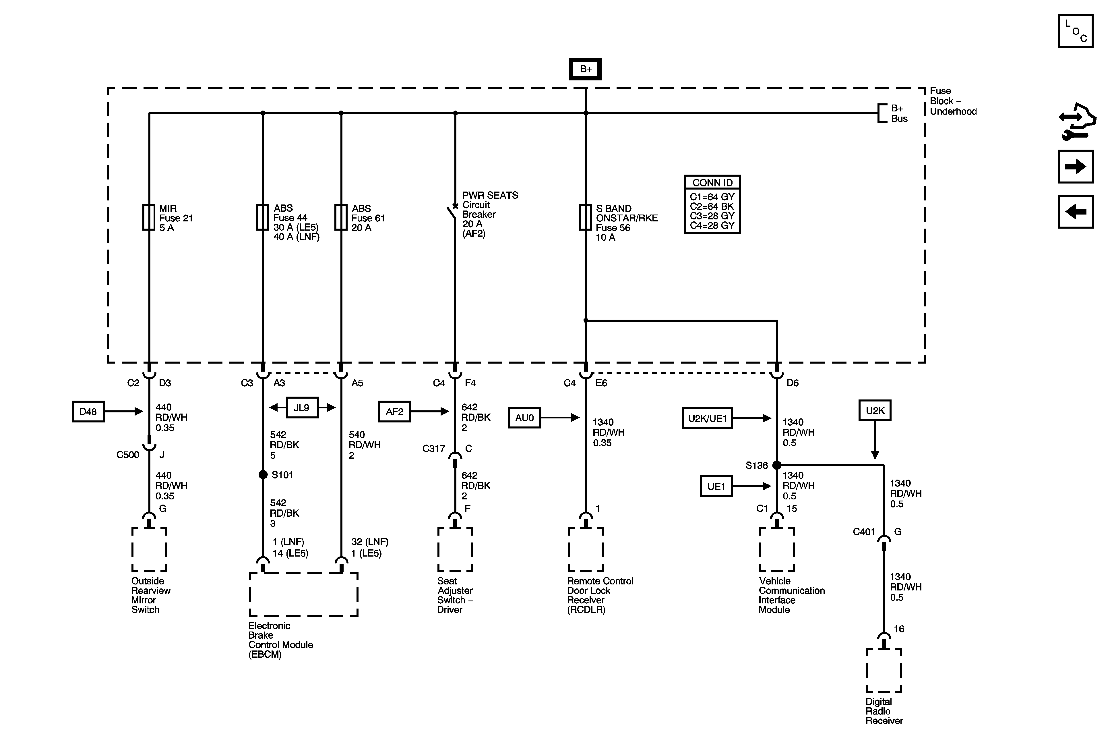
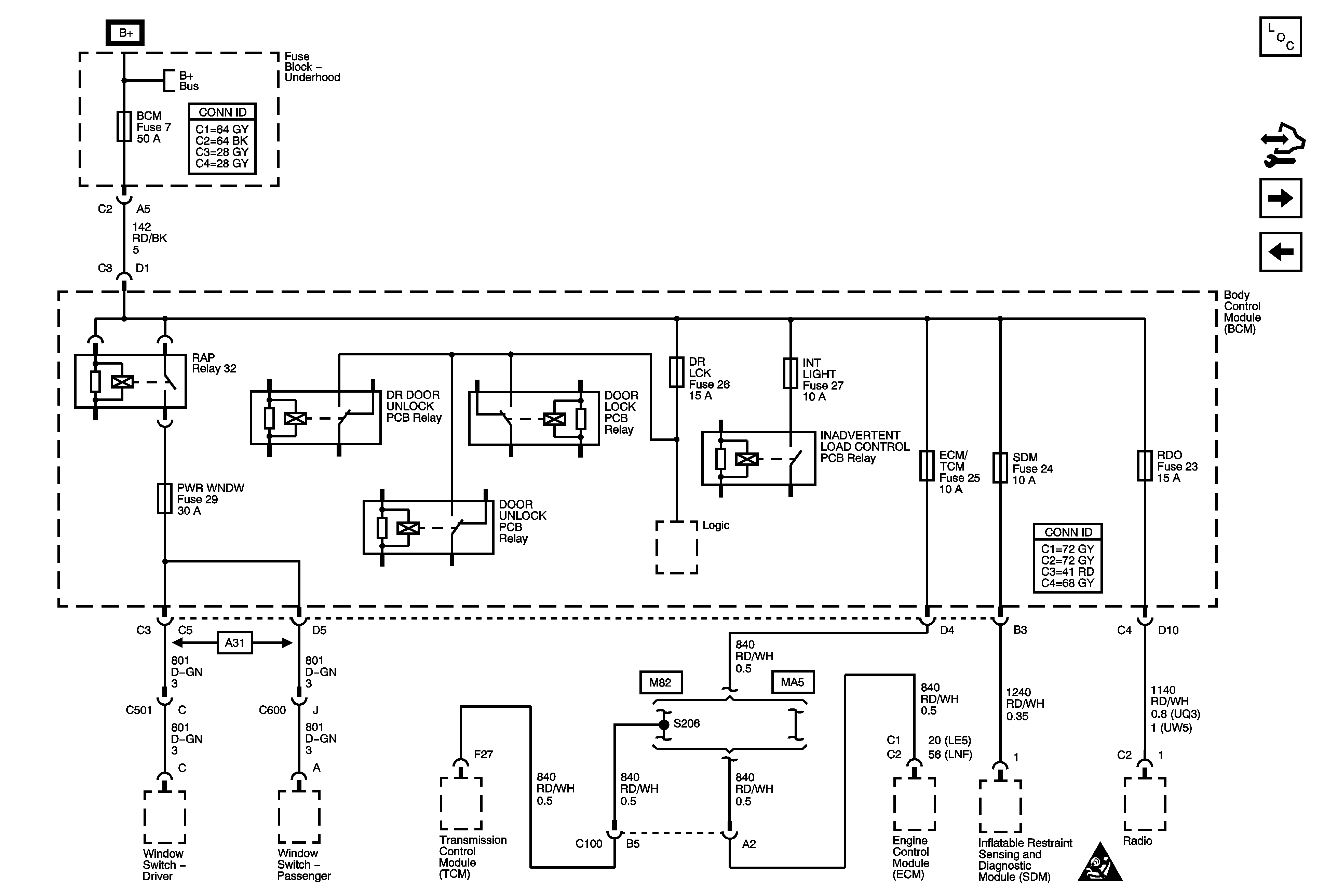
| Figure 6: |
ABS 40A, ABS 20A, COOLING FAN, MIR, PWR SEATS CB, and RKE Fuses
|
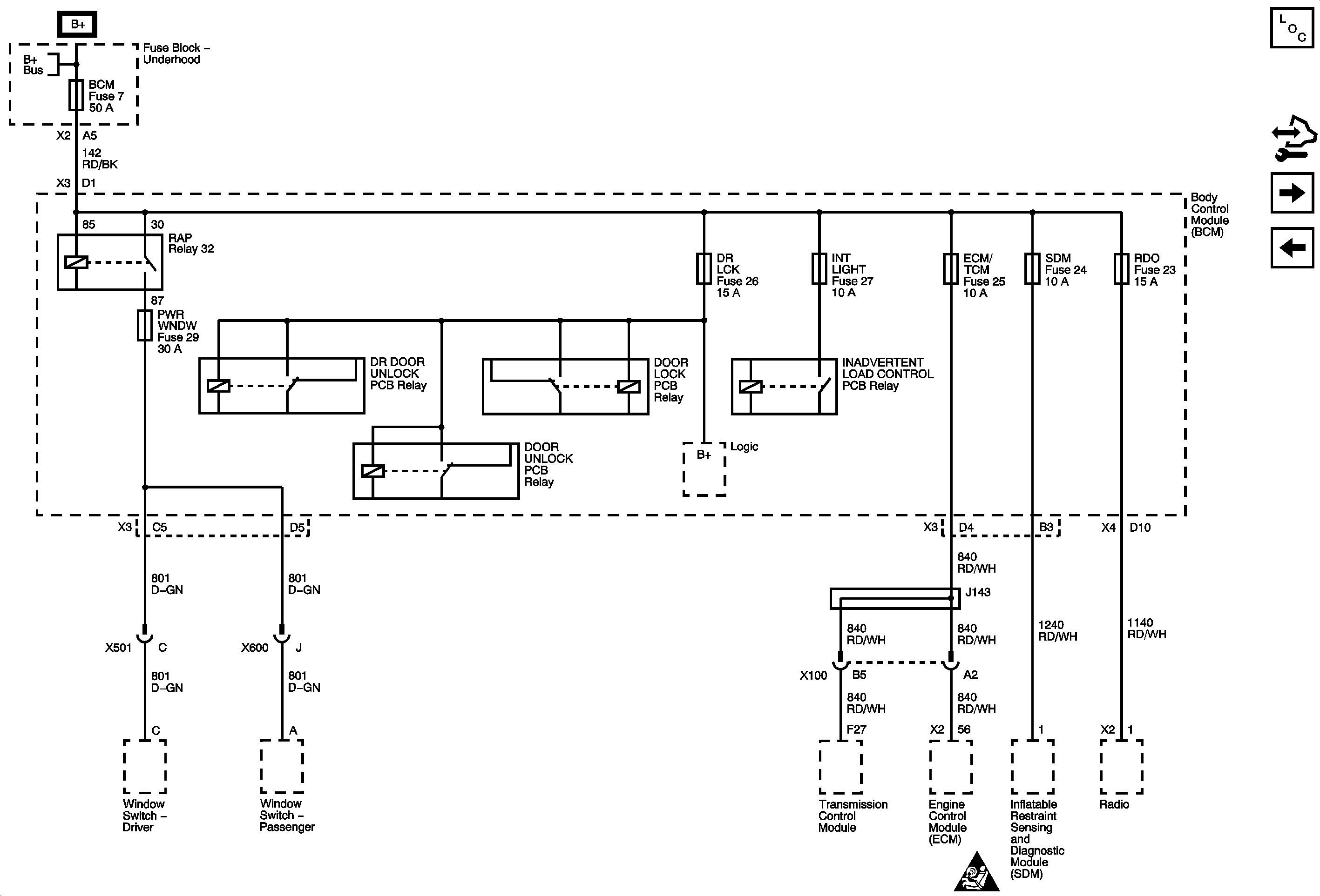
| Figure 7: |
BCM, DR LCK, ECM/TCM, INT LIGHT, PWR WNDW, RDO, and SDM Fuses
|
| Figure 8: |
AMP, BCM 2, BCM 3, CLSTR, IGN SW/PK3+, and HVAC/PK3+ Fuses
|
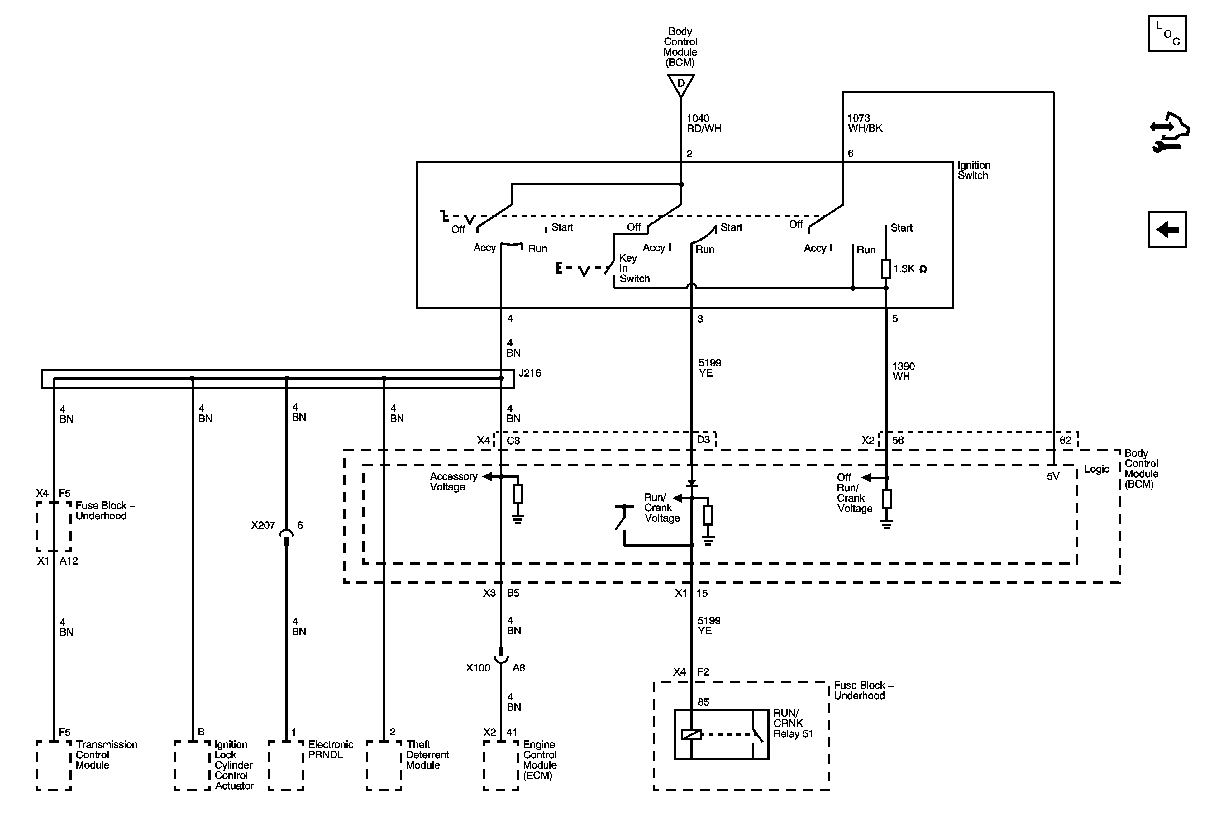
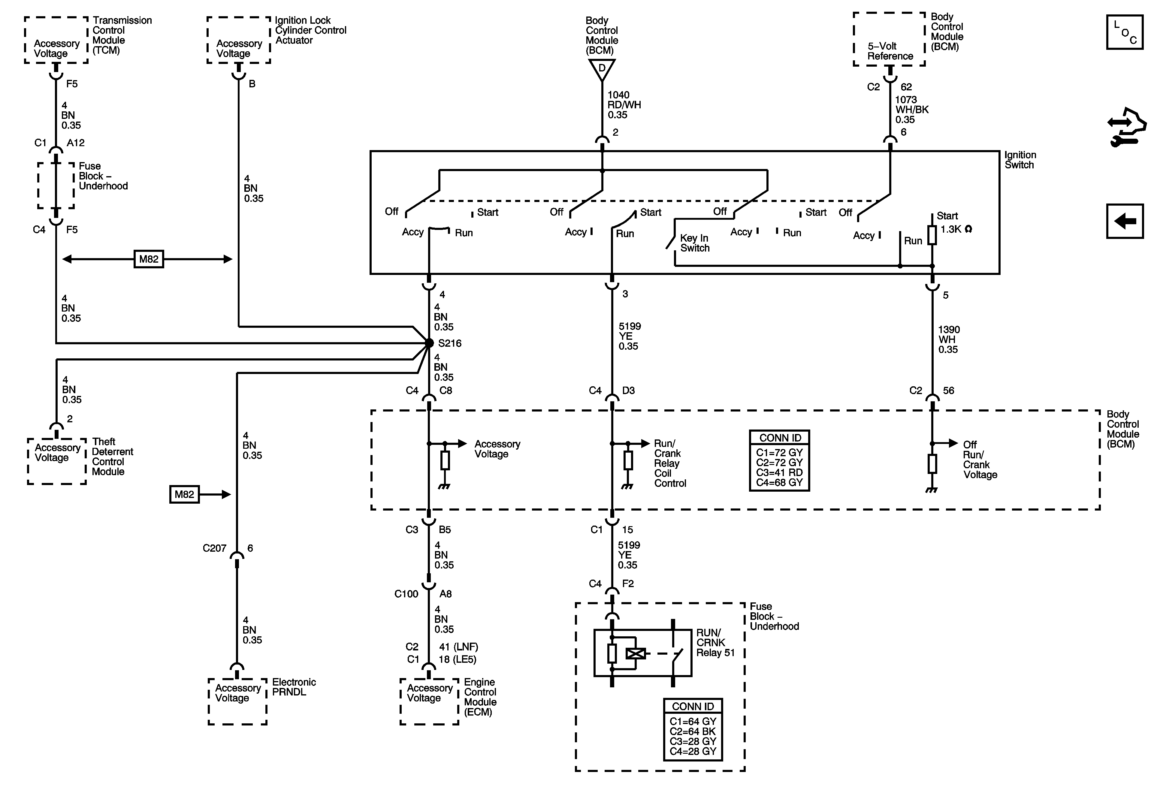
| Figure 9: |
Ignition Switch Modes
|