GM Service Manual Online
For 1990-2009 cars only
Makes
🢒
Pontiac
🢒
2007
🢒
Solstice
🢒
Diagnostic Navigation
🢒
Vehicle Diagnostic Information
🢒 Release Systems Schematics
Master Electrical Component List
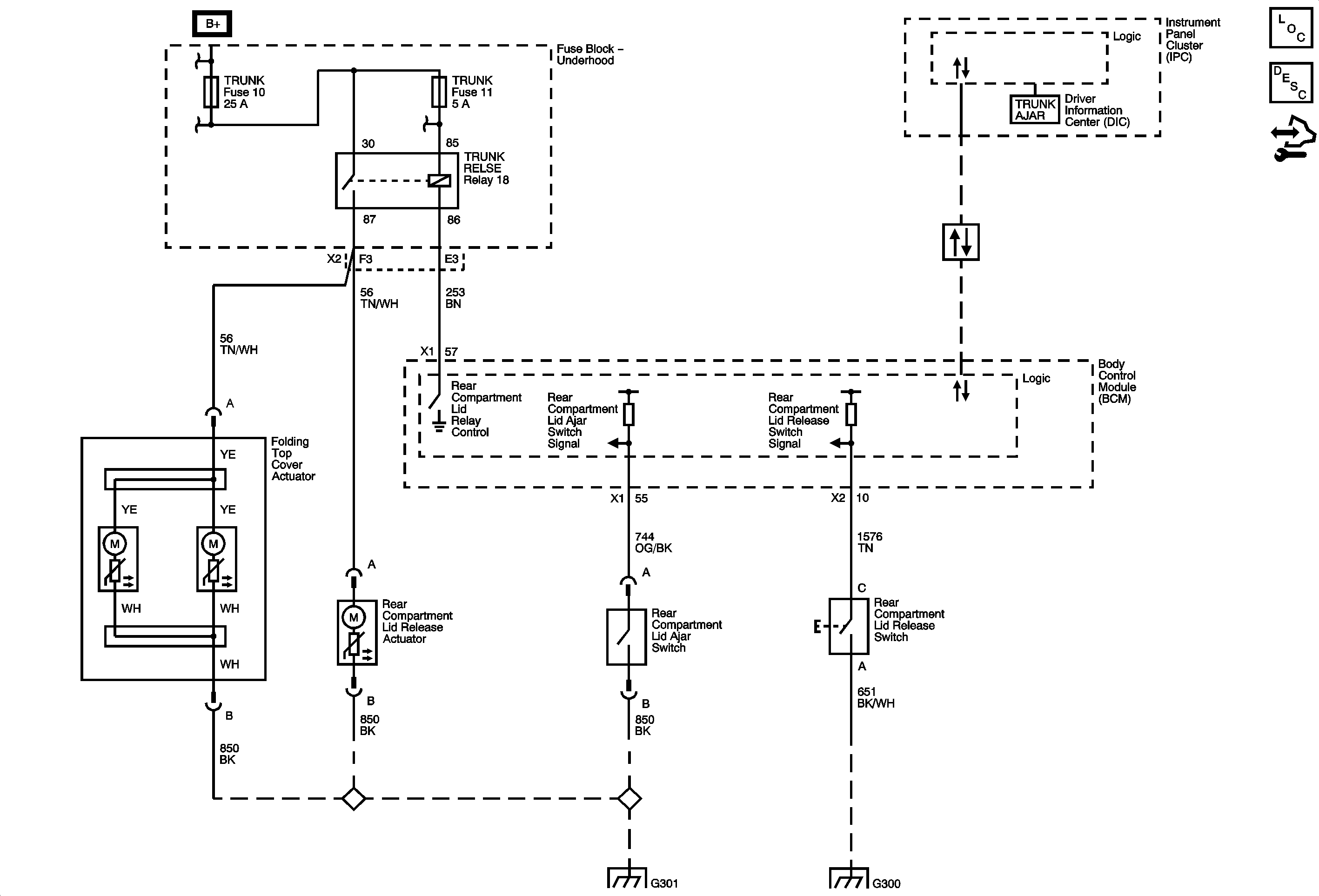
Luggage Compartment Description and Operation
Control Module References
B+ Bus Bar - 1 of 2
B+ Bus Bar - 1 of 2
B+ Bus Bar - 1 of 2
Low Speed LAN
G301, G302, G303, G400 and G402
G300 - 2 of 2
Master Electrical Component List
Luggage Compartment Description and Operation
Control Module References
B+ Bus Bar - 1 of 2
B+ Bus Bar - 1 of 2
G301, G102, G303, and G402
G300 - 1 of 2
Data Communication Schematics