GM Service Manual Online
For 1990-2009 cars only
Makes
🢒
Pontiac
🢒
2007
🢒
Solstice
🢒
Body Systems
🢒
Fixed and Moveable Windows
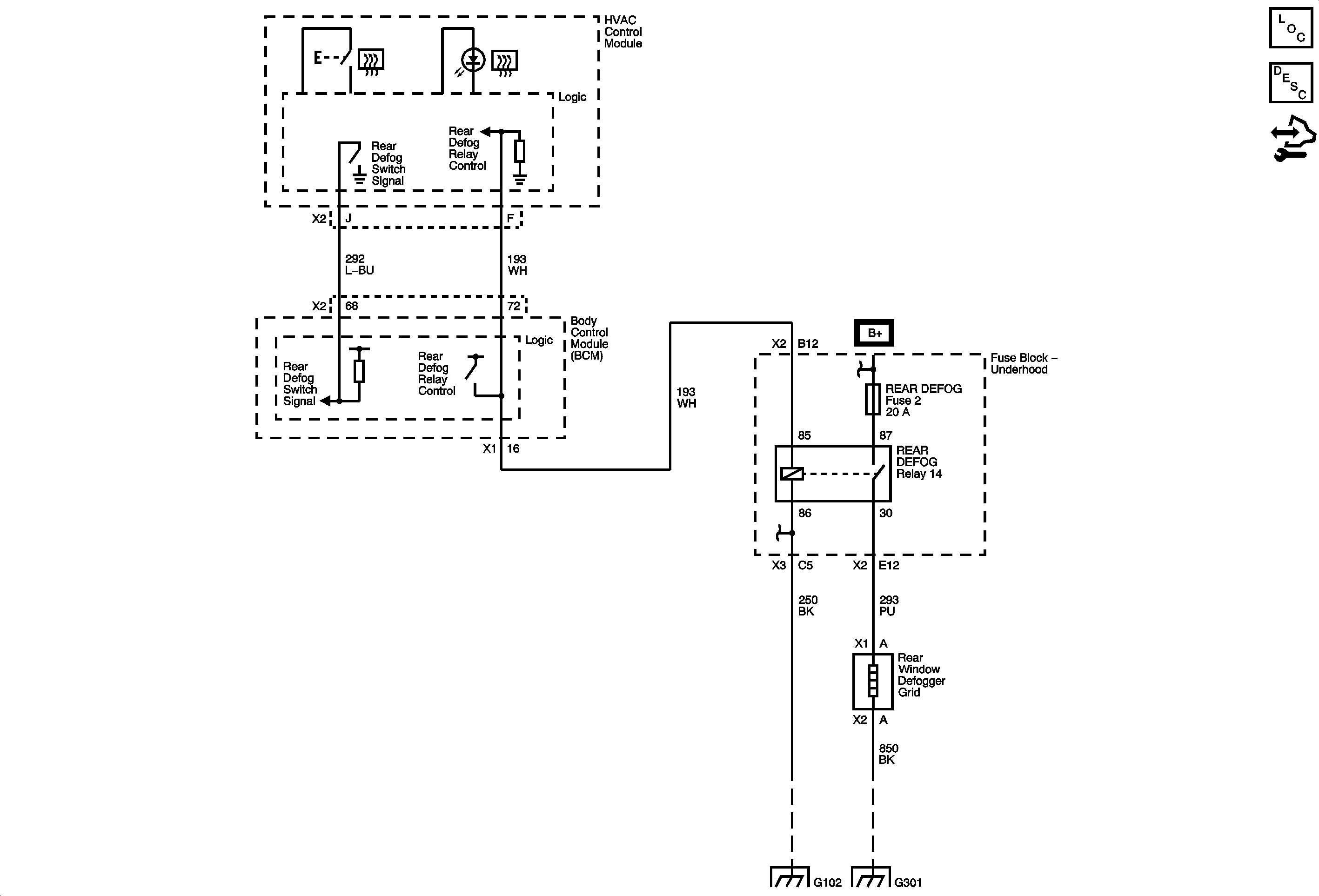
🢒 Defogger Schematics
Master Electrical Component List
Rear Window Defogger Description and Operation
Control Module References
B+ Bus Bar - 1 of 2
G101 and G102
G101 and G102
G301, G302, G303, G400 and G402
Master Electrical Component List
Rear Window Defogger Description and Operation
Control Module References
B+ Bus Bar - 1 of 2
TANK VENT, OUTLET, IP IGN, BACKUP, ABS, and ECM TRANS Fuses
G101 and G102
G301, G102, G303, and G402