GM Service Manual Online
For 1990-2009 cars only
Figure 1:

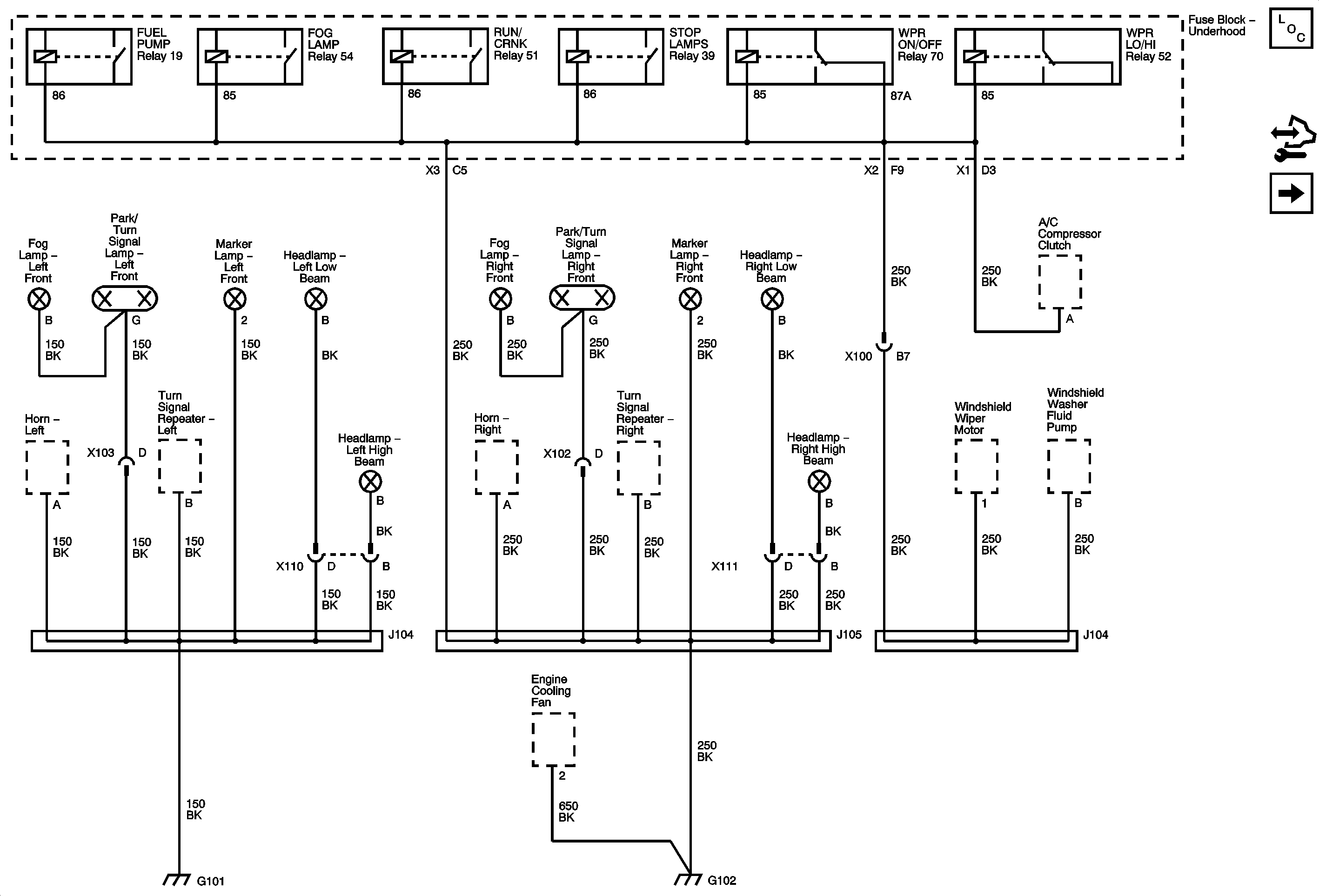
G101 and G102


Object Number: 1829947  Size: FS
Master Electrical Component List
Control Module References
G103, G304, G105, G104, and G106
Figure 2:

G103, G304, G105, G104, and G106


Object Number: 1829950  Size: FS
Master Electrical Component List
Control Module References
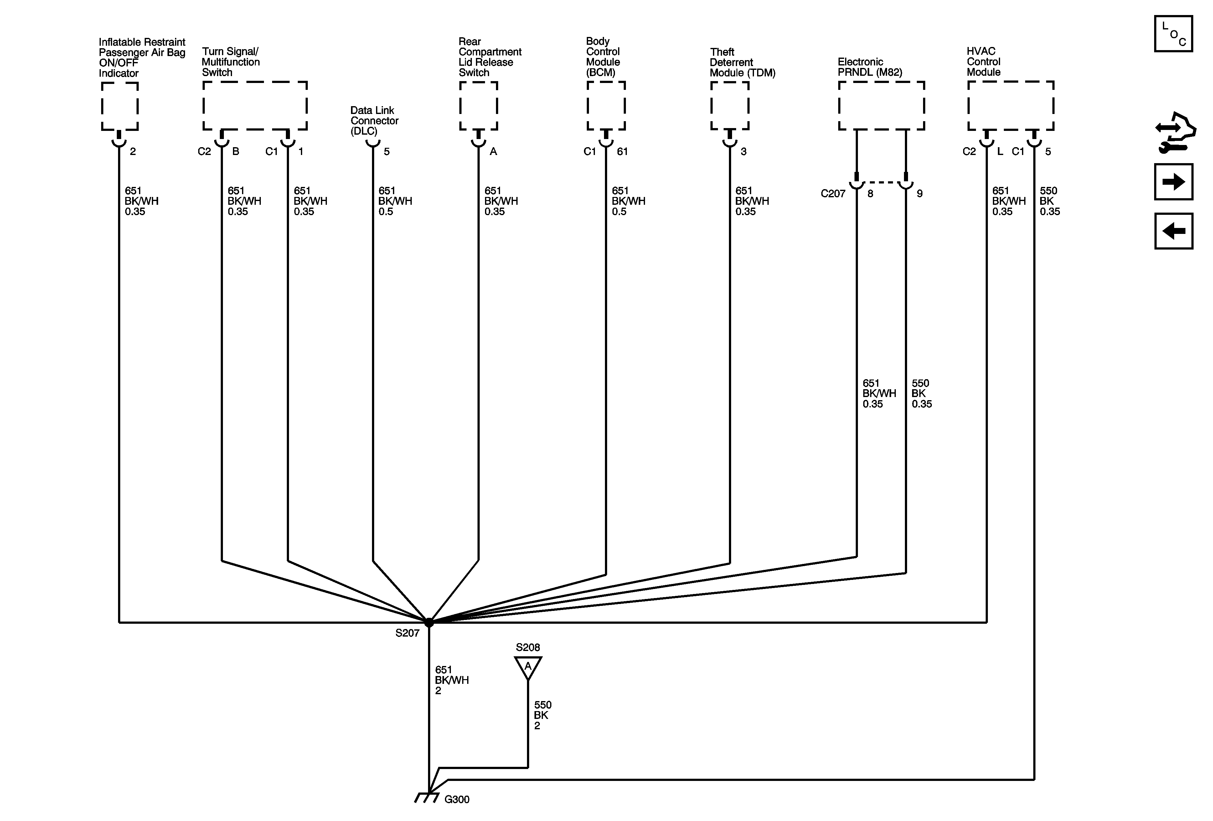
G300 - 1 of 2
G101 and G102
Power and Grounding Schematic Icons
Power and Grounding Schematic Icons
Figure 3:

G300 - 1 of 2


Object Number: 1829954  Size: FS
Master Electrical Component List
Control Module References
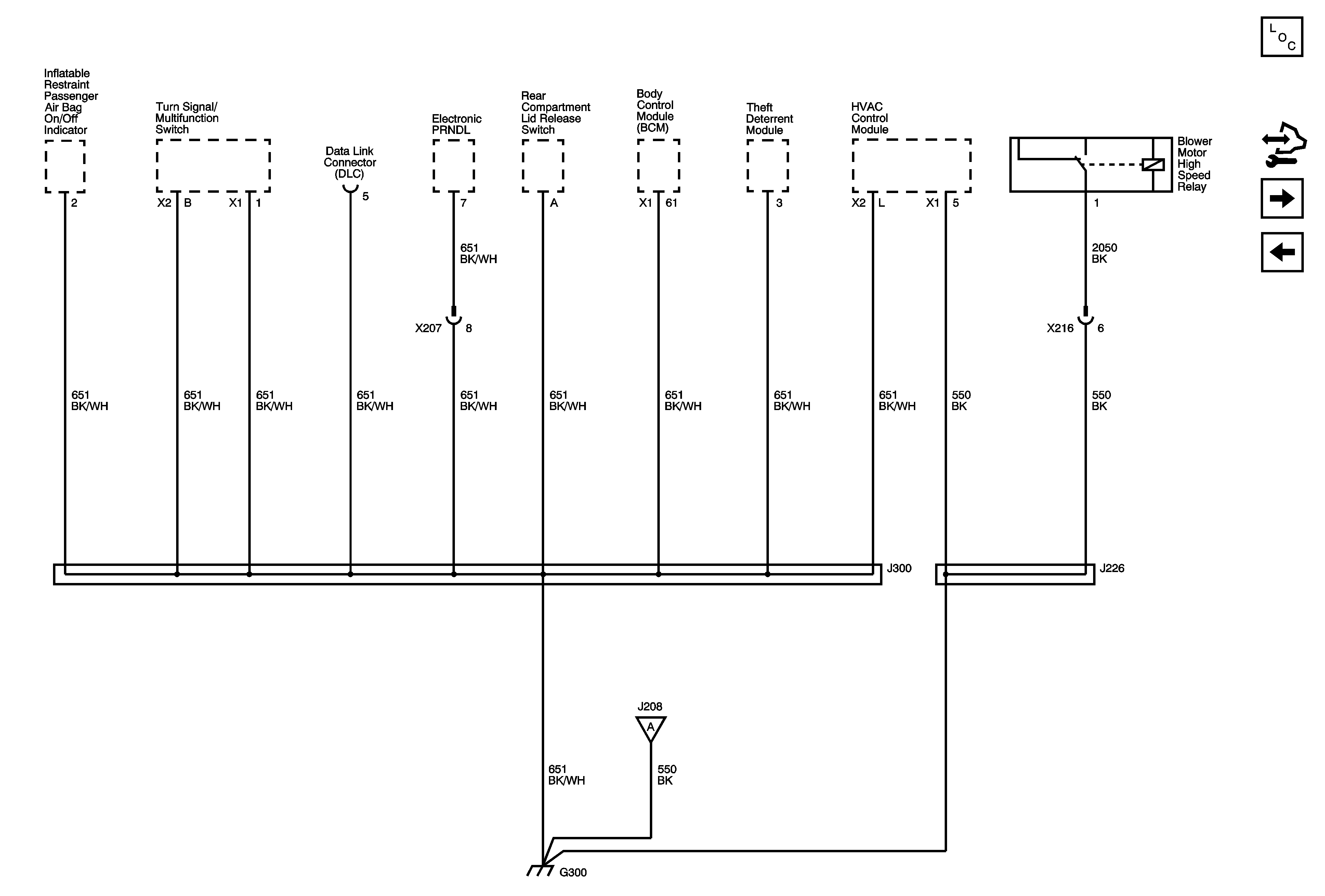
G300 - 2 of 2
G103, G304, G105, G104, and G106
G300 - 2 of 2
Figure 4:

G300 - 2 of 2


Object Number: 1829956  Size: FS
Master Electrical Component List
Control Module References
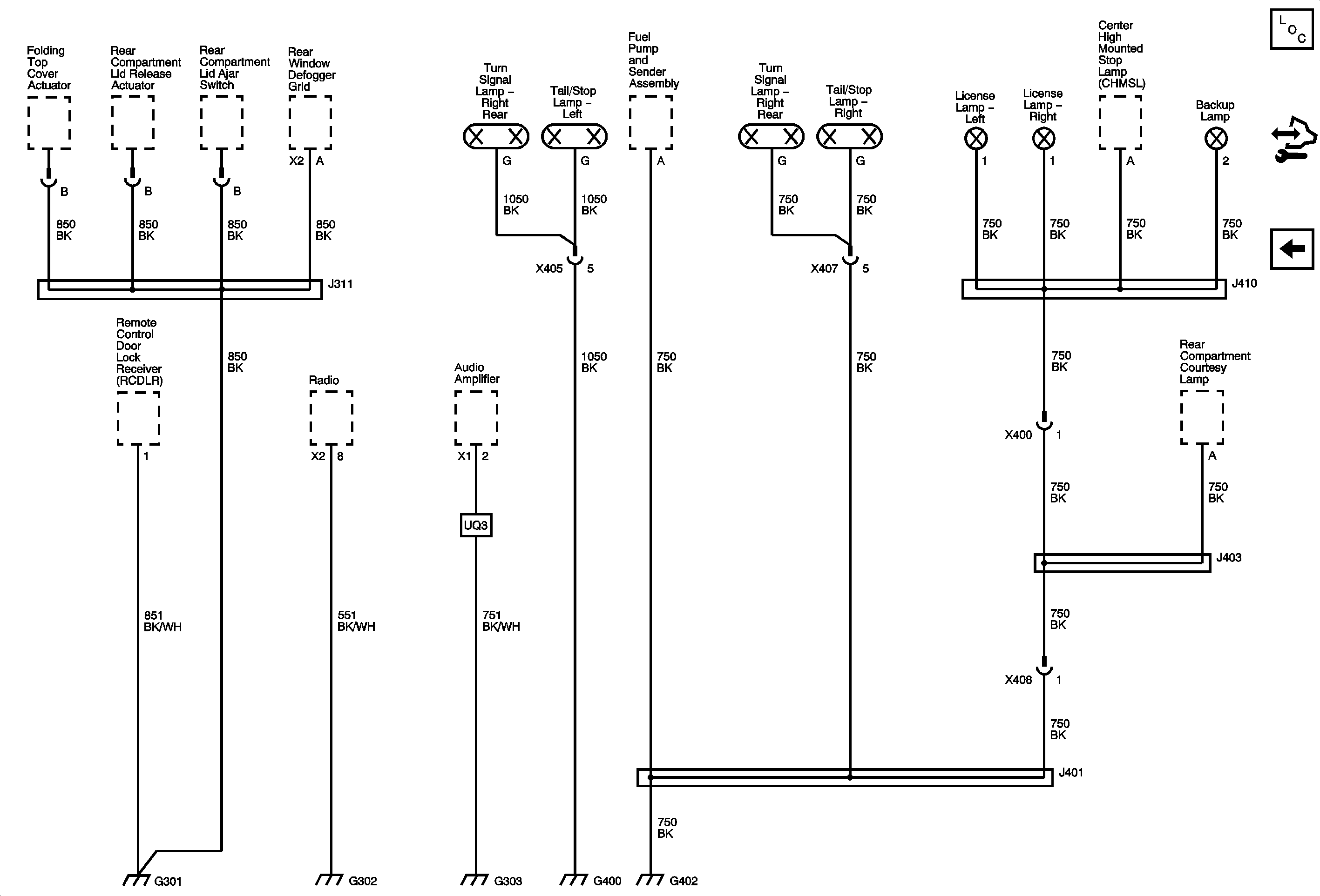
G301, G302, G303, G400 and G402
G300 - 1 of 2
G300 - 1 of 2
Figure 5:

G301, G302, G303, G400, and G402


Object Number: 1829958  Size: FS
Master Electrical Component List
Control Module References
G300 - 2 of 2
Figure 1:

G101 and G102


Object Number: 1871337  Size: FS
Master Electrical Component List
Control Module References
G103, G304, G105, G104, and G106
Figure 2:

G103, G204, G105, G104, and G106


Object Number: 1871338  Size: FS
Master Electrical Component List
Control Module References
G300 - 1 of 2
G101 and G102
Power and Grounding Schematic Icons
Power and Grounding Schematic Icons
Figure 3:

G201 - 1 of 2


Object Number: 1871339  Size: FS
Master Electrical Component List
Control Module References
G300 - 2 of 2
G103, G304, G105, G104, and G106
G300 - 2 of 2
Figure 4:

G201 - 2 of 2


Object Number: 1871340  Size: FS
Master Electrical Component List
Control Module References
G301, G102, G303, and G402
G300 - 1 of 2
G300 - 1 of 2
Figure 5:

G301, G102, G303, and G402


Object Number: 1871341  Size: FS
Master Electrical Component List
Control Module References
G300 - 2 of 2