GM Service Manual Online
For 1990-2009 cars only
Makes
🢒
Pontiac
🢒
2007
🢒
Solstice
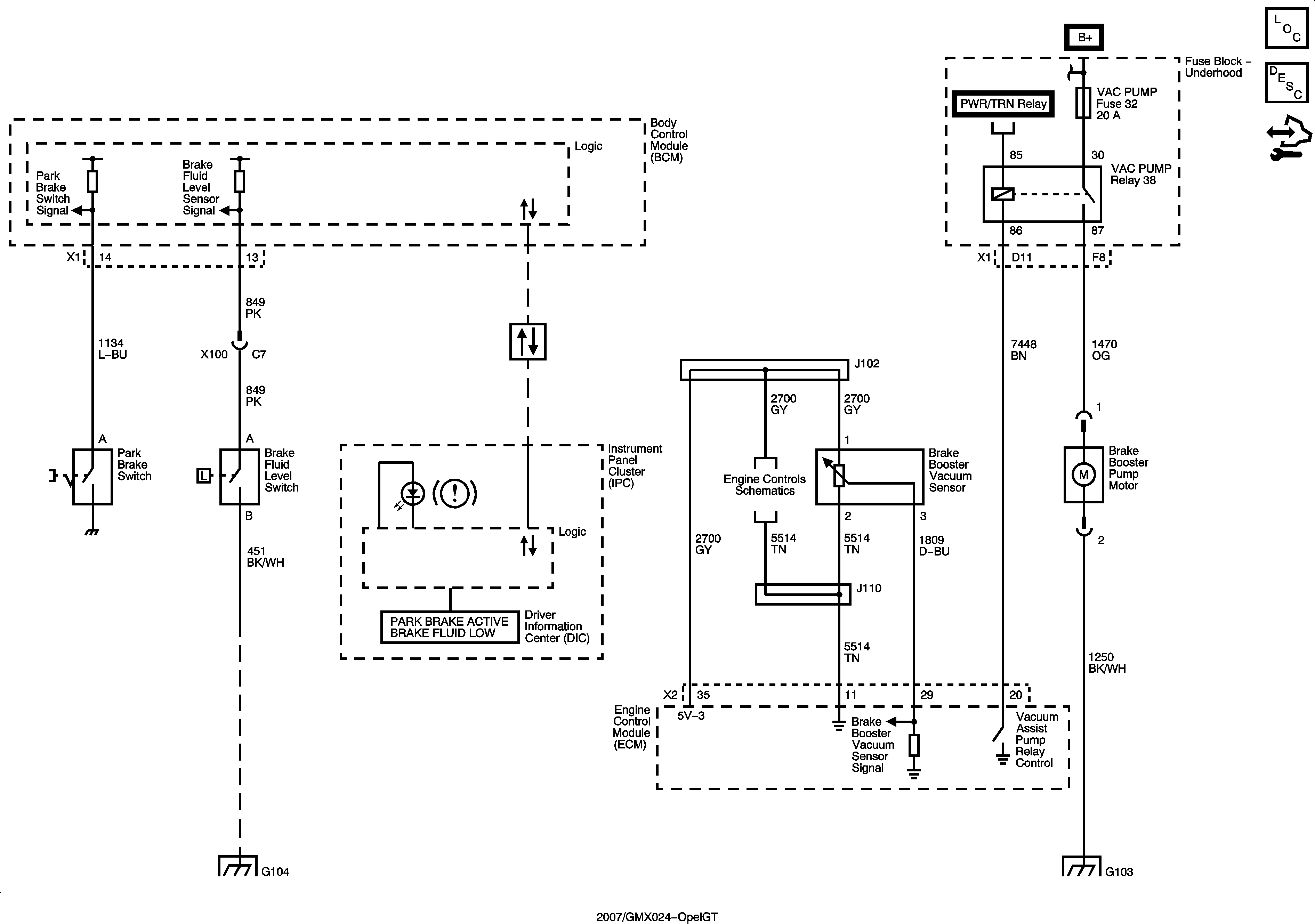
🢒 Hydraulic Brakes Schematics
Hydraulic Brakes Schematics
Master Electrical Component List
Brake Assist System Description and Operation
Control Module References
B+ Bus Bar - 2 of 2
Data Communication Schematics
Data Link, Ground, MIL, and Power
G103, G304, G105, G104, and G106
G103, G304, G105, G104, and G106