GM Service Manual Online
For 1990-2009 cars only
Makes
🢒
Pontiac
🢒
2007
🢒
Solstice
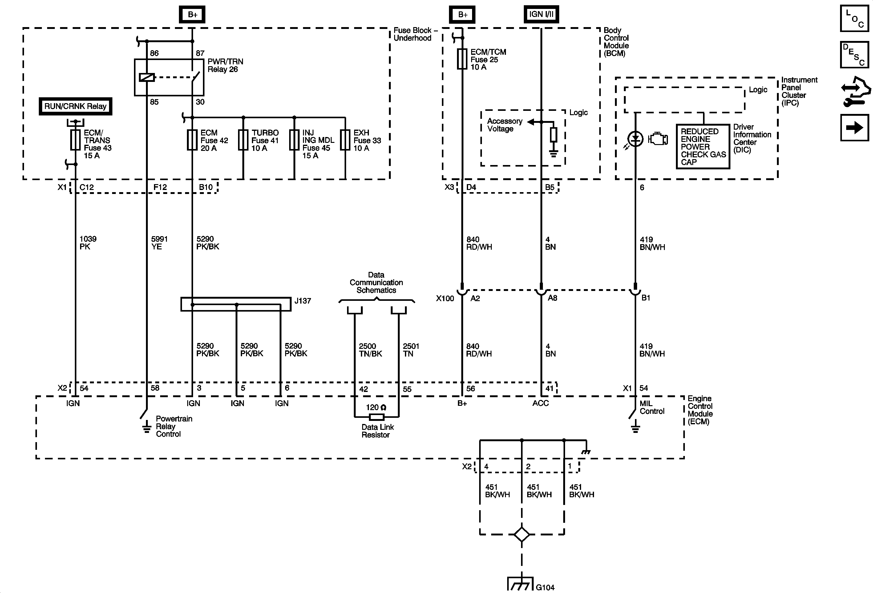
🢒 Data Link, Ground, MIL, and Power
Data Link, Ground, MIL, and Power
Data Link, Ground, MIL, and Power
Master Electrical Component List
Engine Control Module Description
Control Module References
5-Volt and Low Reference
EMISSIONS, ECM, and LIGHTER Fuses
WINDOWS, DOOR LKS, INT LPS, ECM/TCM, RADIO, and SDM Fuses
TANK VENT, OUTLET, IP IGN, BACKUP, ABS, and ECM TRANS Fuses
High Speed LAN
G103, G304, G105, G104, and G106