GM Service Manual Online
For 1990-2009 cars only
Makes
🢒
Pontiac
🢒
2007
🢒
Solstice
🢒 Moveable Window Schematics
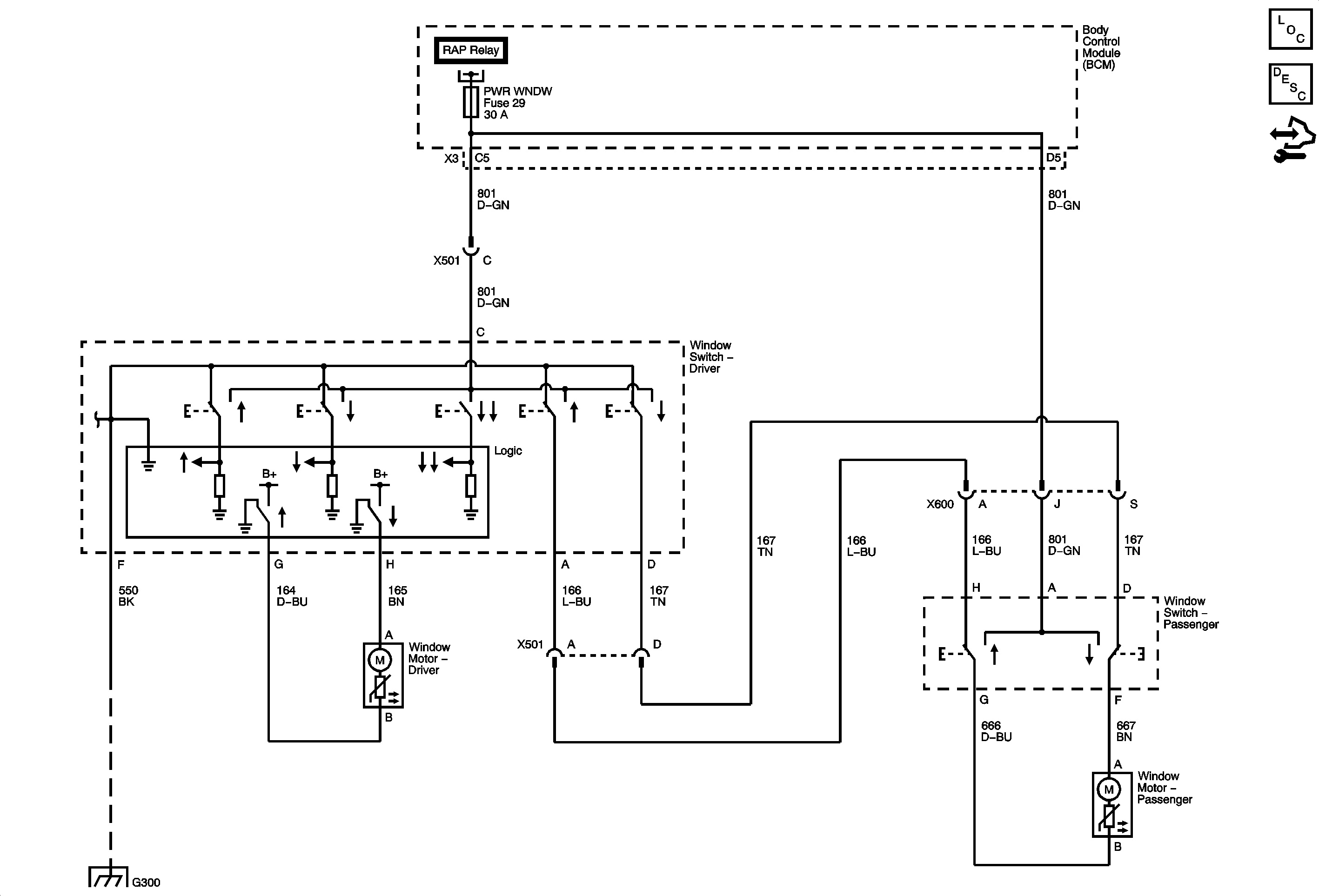
Moveable Window Schematics
Master Electrical Component List
Power Windows Description and Operation
Control Module References
WINDOWS, DOOR LKS, INT LPS, ECM/TCM, RADIO, and SDM Fuses
G300 - 2 of 2