GM Service Manual Online
For 1990-2009 cars only
Makes
🢒
Pontiac
🢒
2007
🢒
Solstice
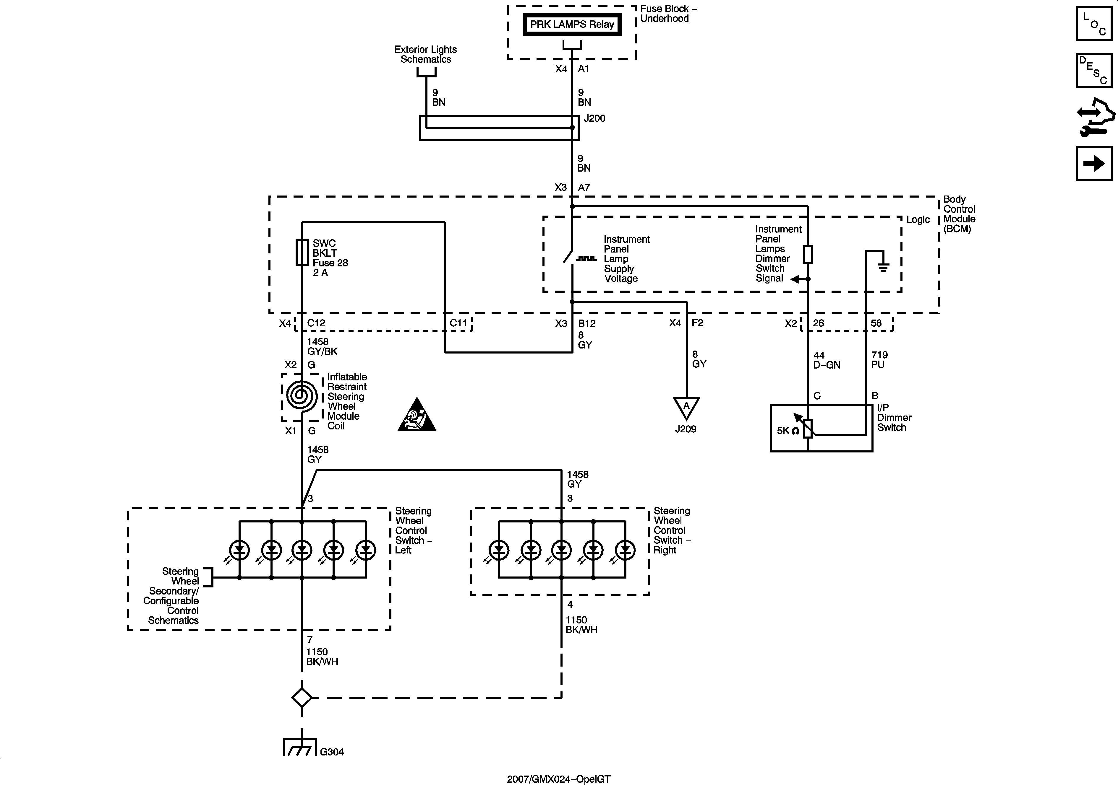
🢒 I/P Dimmer Switch
I/P Dimmer Switch
I/P Dimmer Switch
Master Electrical Component List
Interior Lighting Systems Description and Operation
Control Module References
Lights
B+ Bus Bar - 2 of 2
Hazard and Park Lamps
Cruise Control Schematic Icons
Lights
Steering Wheel Secondary/Configurable Control Schematics
G103, G304, G105, G104, and G106