GM Service Manual Online
For 1990-2009 cars only
Makes
🢒
Pontiac
🢒
2007
🢒
Solstice
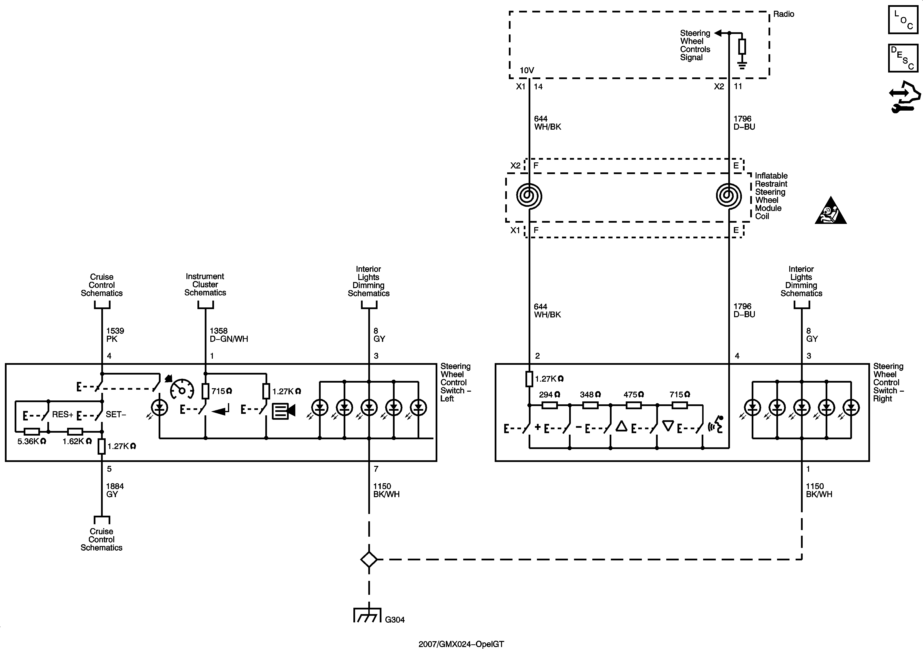
🢒 Steering Wheel Secondary/Configurable Control Schematics
Steering Wheel Secondary/Configurable Control Schematics
Master Electrical Component List
Steering Wheel Controls Description and Operation
Control Module References
SIR Schematic Icons
Cruise Control Schematics
Instrument Cluster
Lights
I/P Dimmer Switch
Cruise Control Schematics
G103, G304, G105, G104, and G106