GM Service Manual Online
For 1990-2009 cars only
Makes
🢒
Pontiac
🢒
1998
🢒
Sunfire
🢒
HVAC
🢒
Heating, Ventilation and Air Conditioning
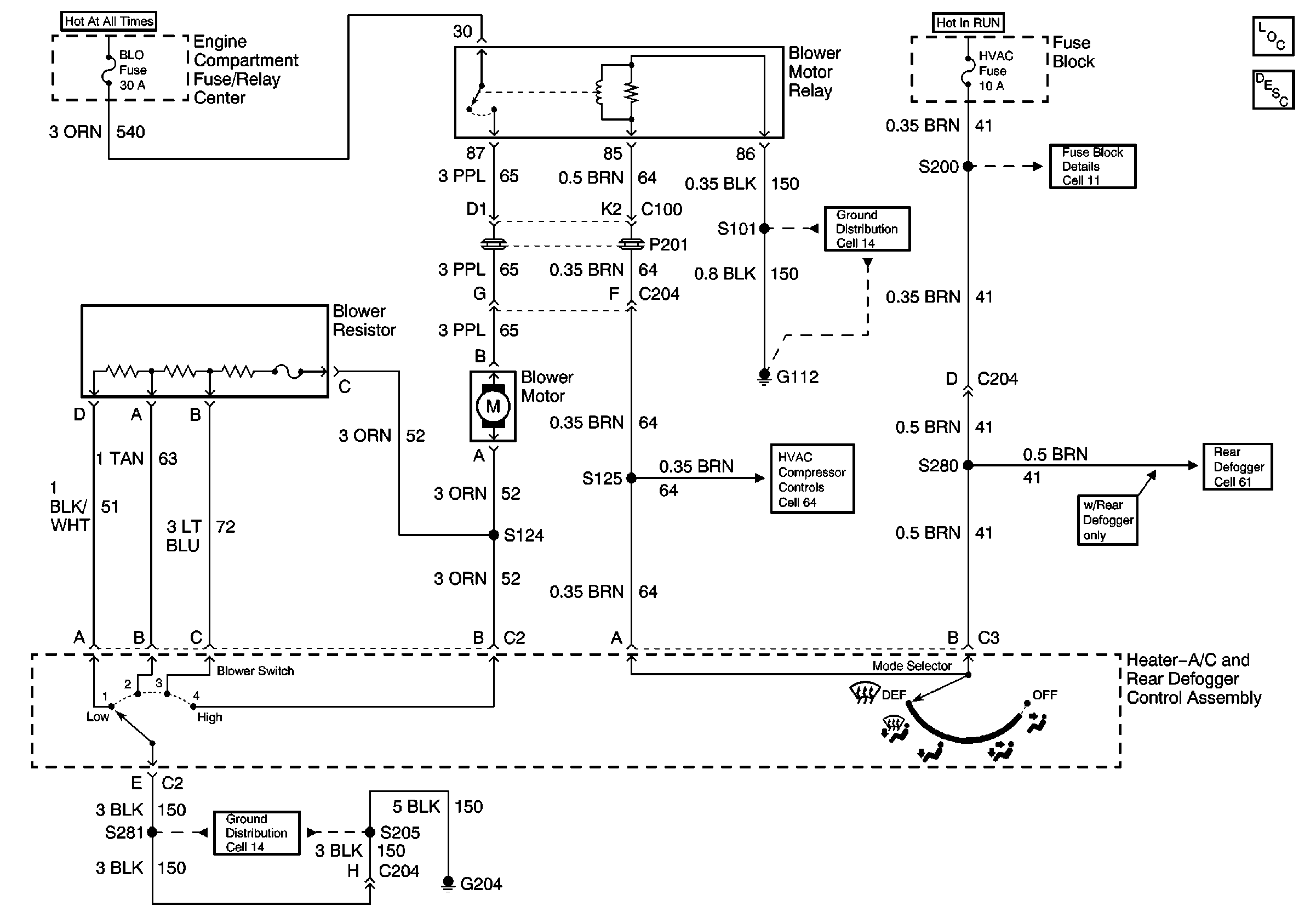
🢒 Heater Blower Controls Schematics
Cell 60
Heater Blower Controls Circuit Description
Ground Distribution Schematics
Ground Distribution Schematics
Fuse Block Schematics
Defogger Schematics
HVAC Compressor Control Schematics