GM Service Manual Online
For 1990-2009 cars only
Makes
🢒
Pontiac
🢒
1998
🢒
Sunfire
🢒
Body and Accessories
🢒
Roof
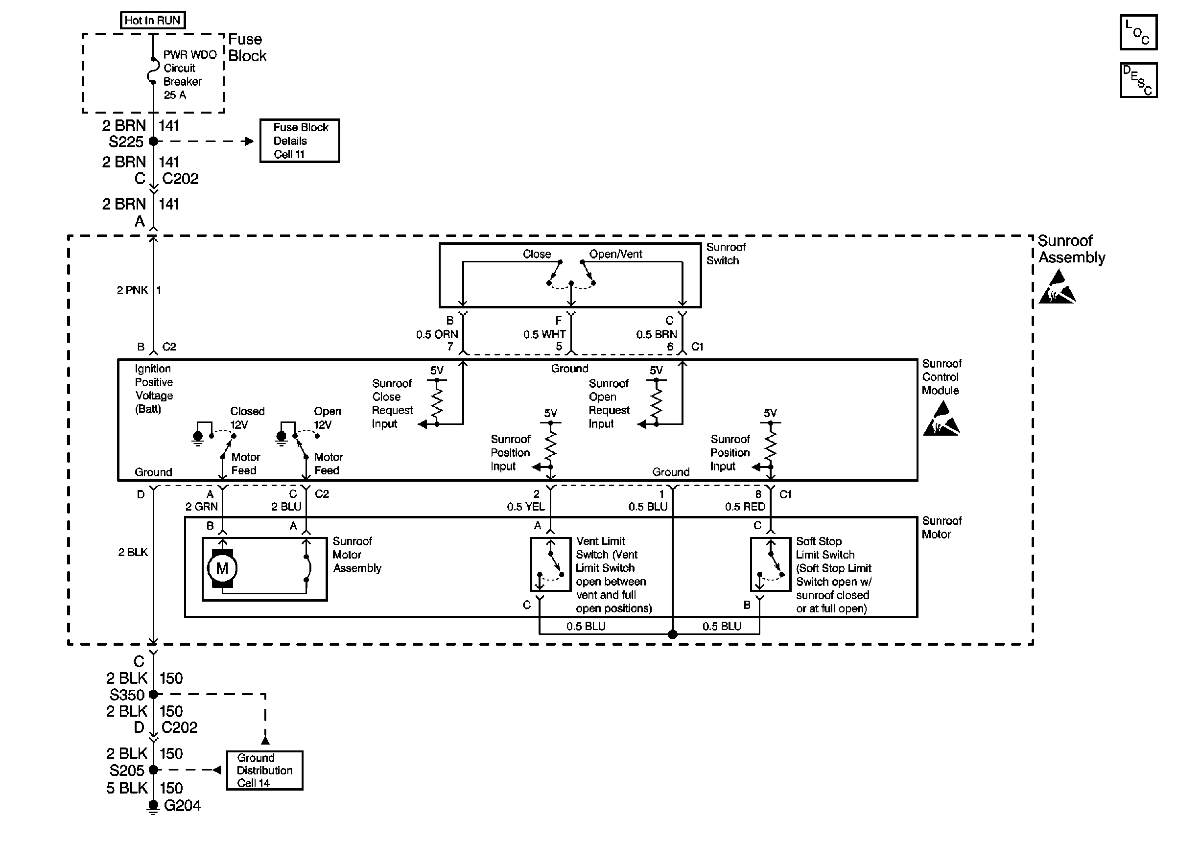
🢒 Sunroof Schematics
Cell 122
Power Roof Systems Components
Power Sunroof Circuit Description
Handling ESD Sensitive Parts Notice
Fuse Block Schematics
Ground Distribution Schematics