GM Service Manual Online
For 1990-2009 cars only
Makes
🢒
Pontiac
🢒
1999
🢒
Sunfire
🢒
Body and Accessories
🢒
Lighting Systems
🢒 Interior Lights Dimming Schematics
Figure
1:
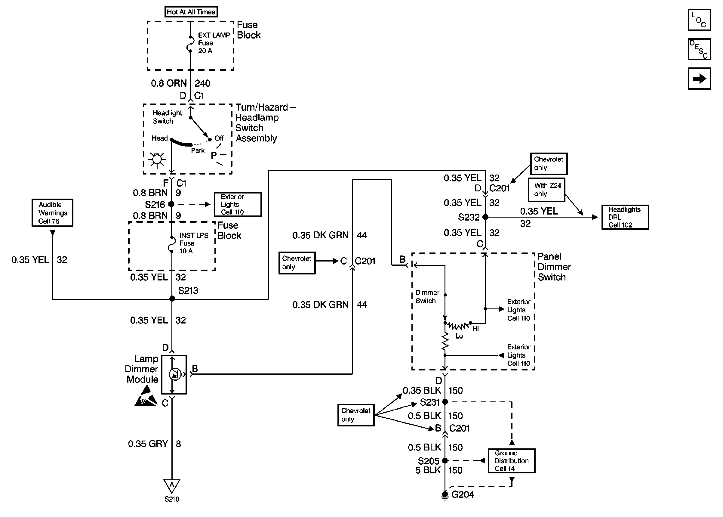
Cell 117: Panel Dimmer Switch and Lamp Dimmer Module
Lighting Systems Components
Interior Lights Dimming Circuit Description
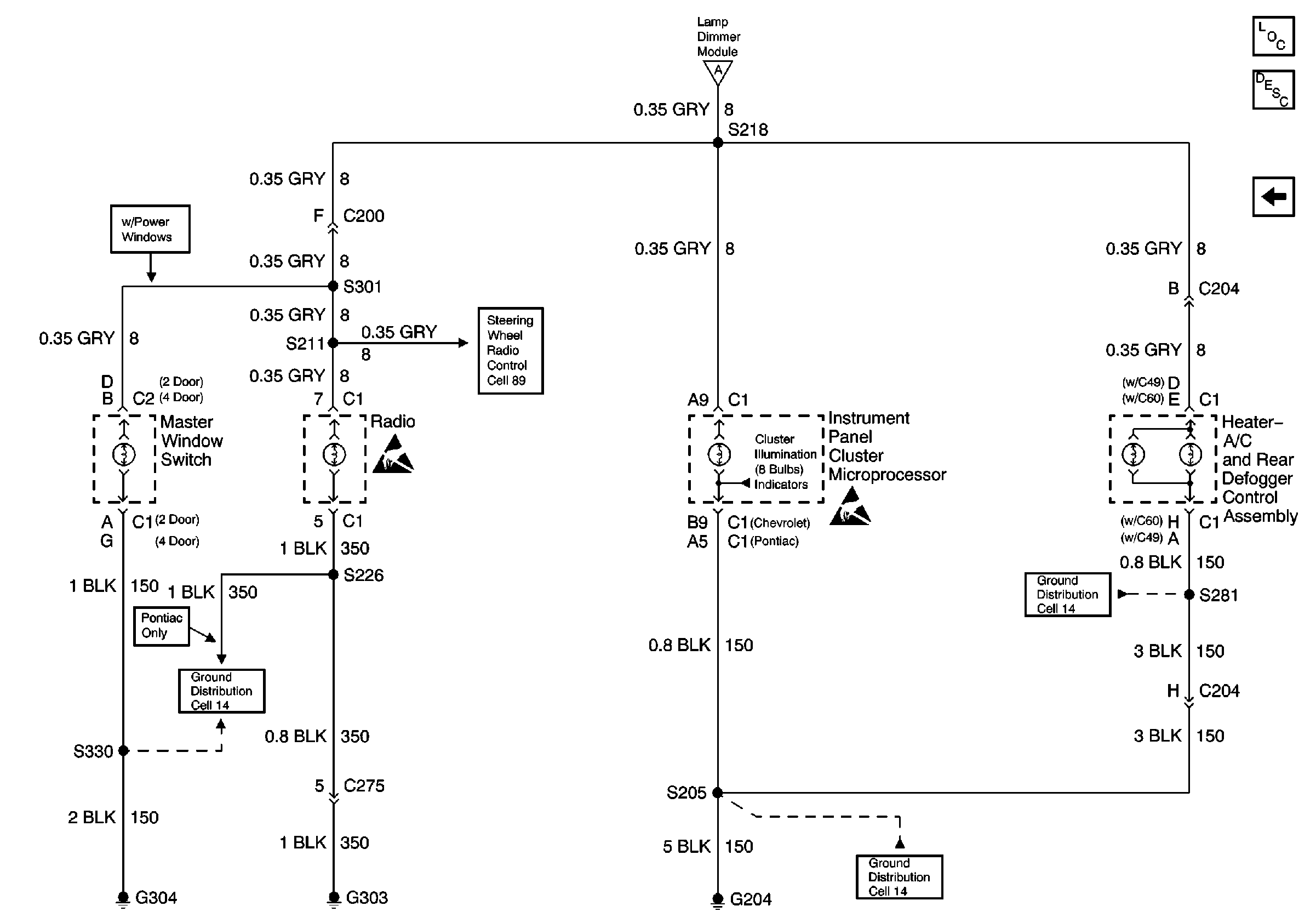
Cell 117: Interior Lamps
Handling ESD Sensitive Parts Notice
Cell 117: Interior Lamps
Audible Warnings Schematics
Ground Distribution Schematics
Figure
2:
Cell 117: Interior Lamps
Lighting Systems Components
Interior Lights Dimming Circuit Description
Cell 117: Panel Dimmer Switch and Lamp Dimmer Module
Handling ESD Sensitive Parts Notice
Handling ESD Sensitive Parts Notice
Cell 117: Panel Dimmer Switch and Lamp Dimmer Module
Ground Distribution Schematics
Ground Distribution Schematics
Ground Distribution Schematics
Ground Distribution Schematics
Steering Wheel Controls Schematics