GM Service Manual Online
For 1990-2009 cars only
Figure 1:

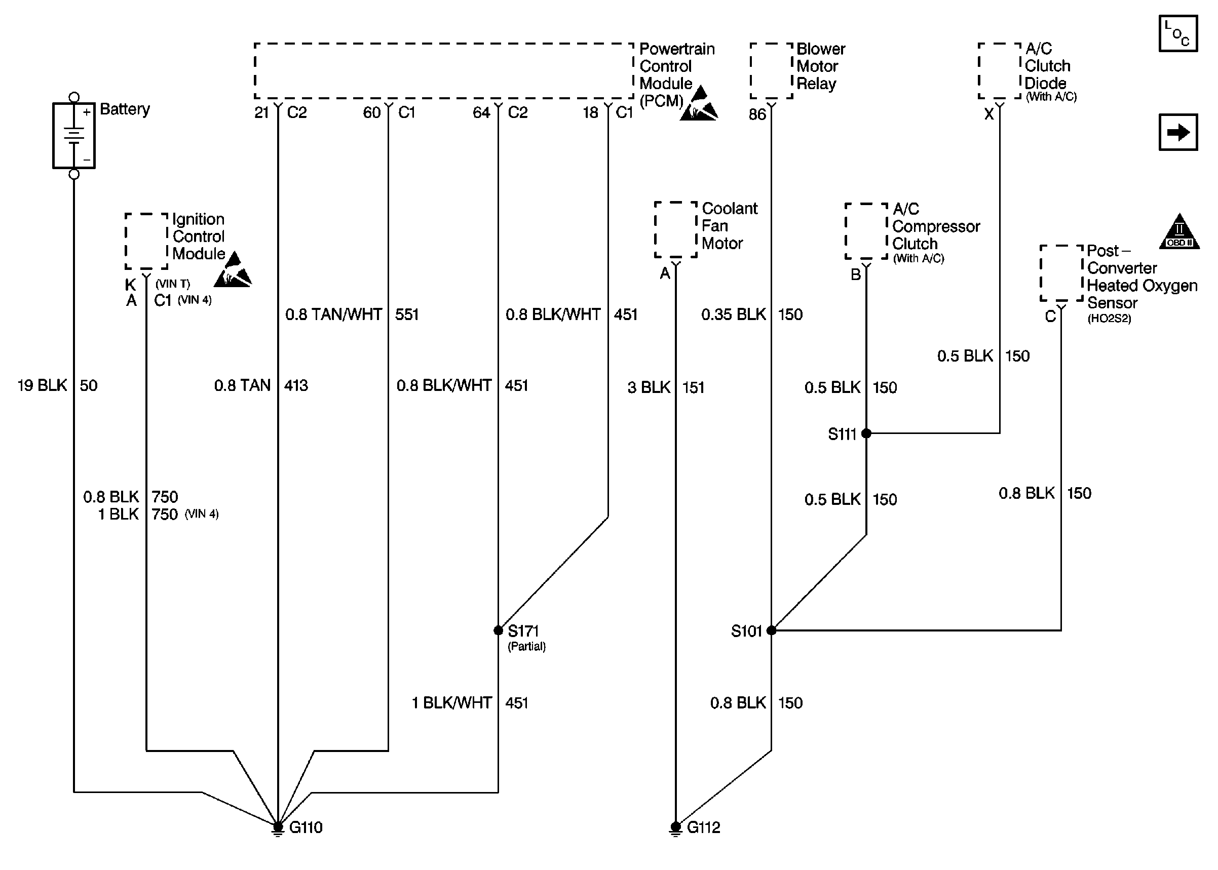
Cell 14: G110 and G112


Object Number: 288290  Size: FS
Cell 14: G110
OBD II Symbol Description Notice
Handling ESD Sensitive Parts Notice
Handling ESD Sensitive Parts Notice
Power and Grounding Components
Figure 2:

Cell 14: G110


Object Number: 388200  Size: FS
Power and Grounding Components
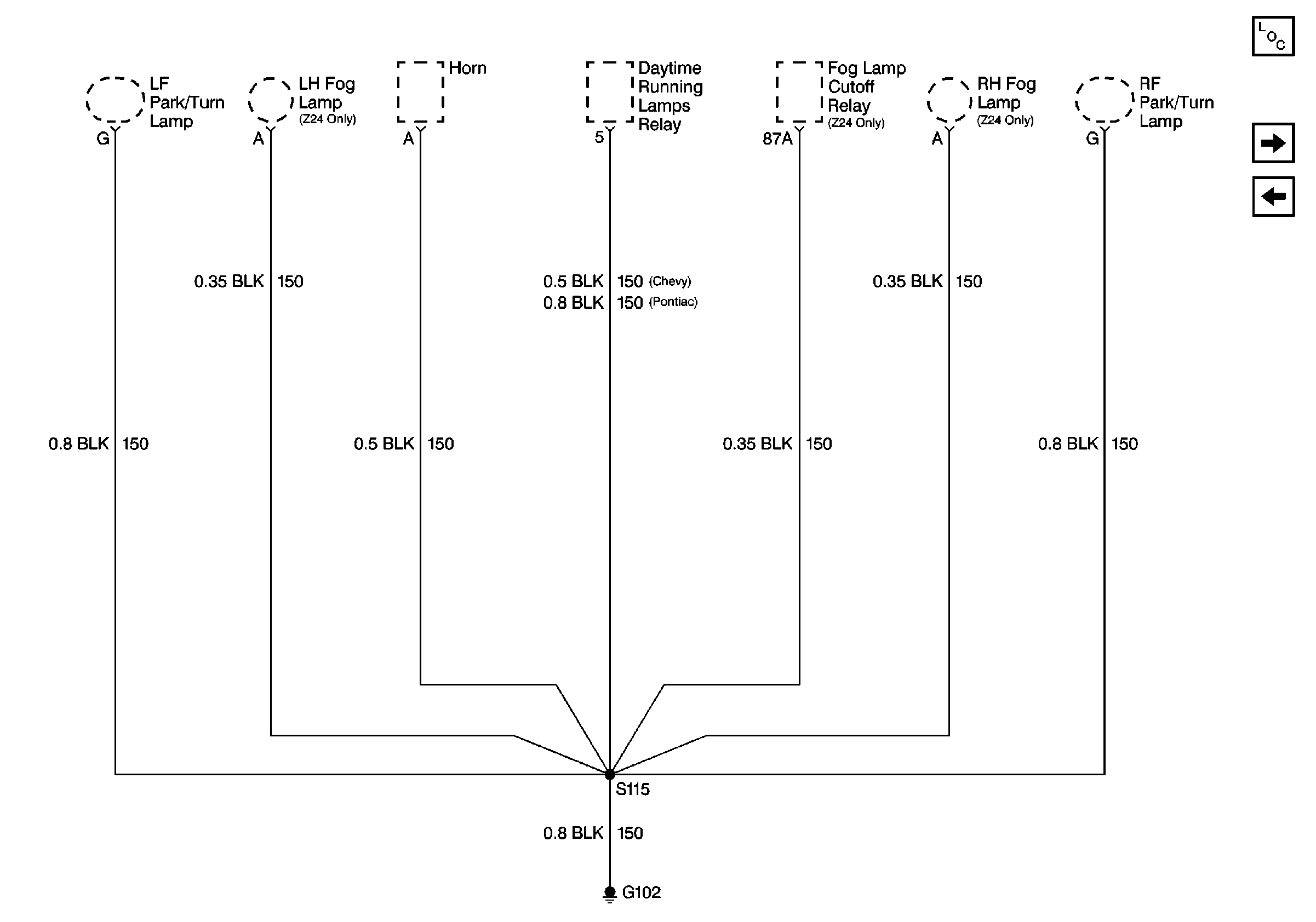
Cell 14: G102
Cell 14: G110 and G112
Handling ESD Sensitive Parts Notice
Handling ESD Sensitive Parts Notice
Figure 3:

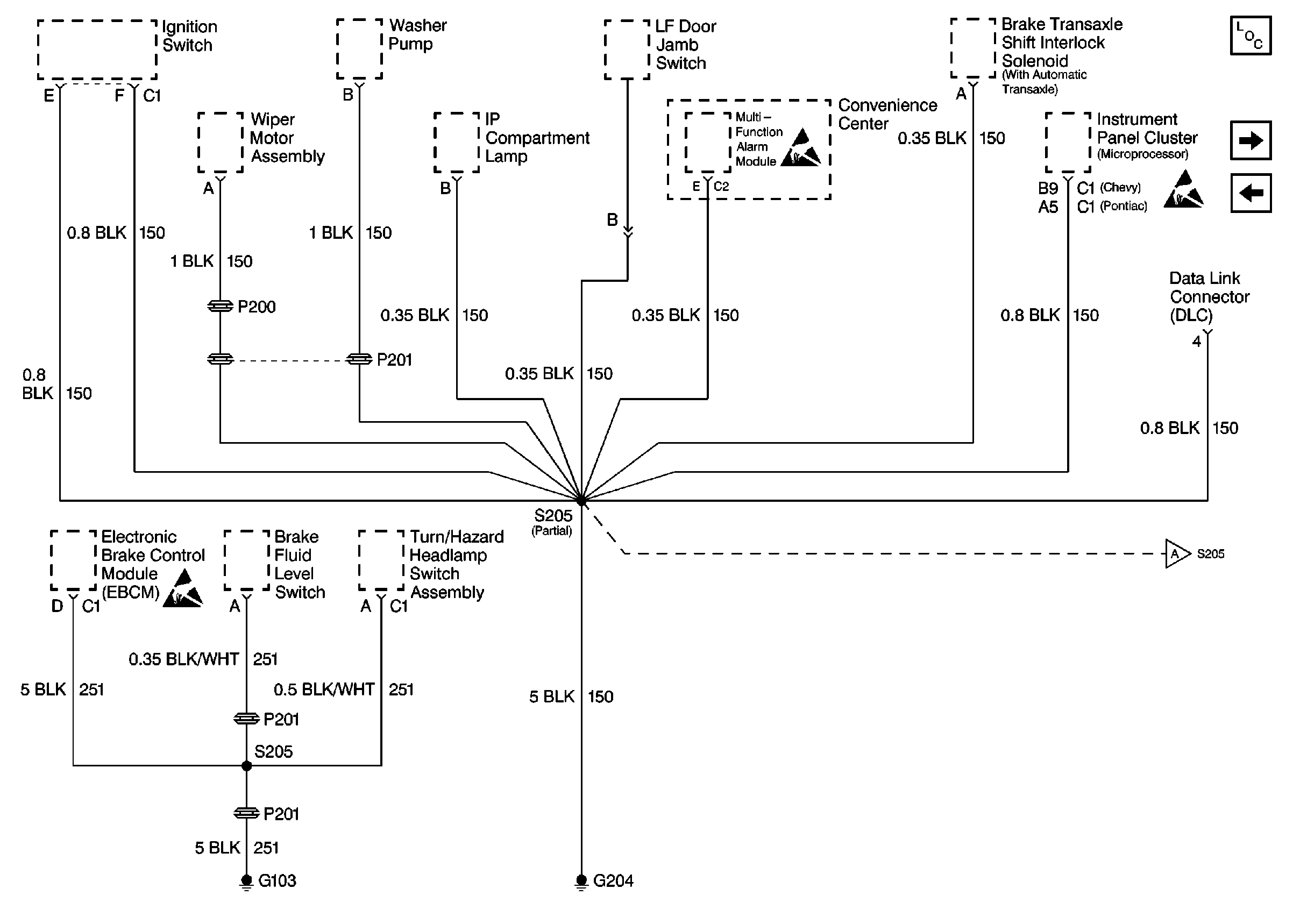
Cell 14: G102


Object Number: 288295  Size: FS
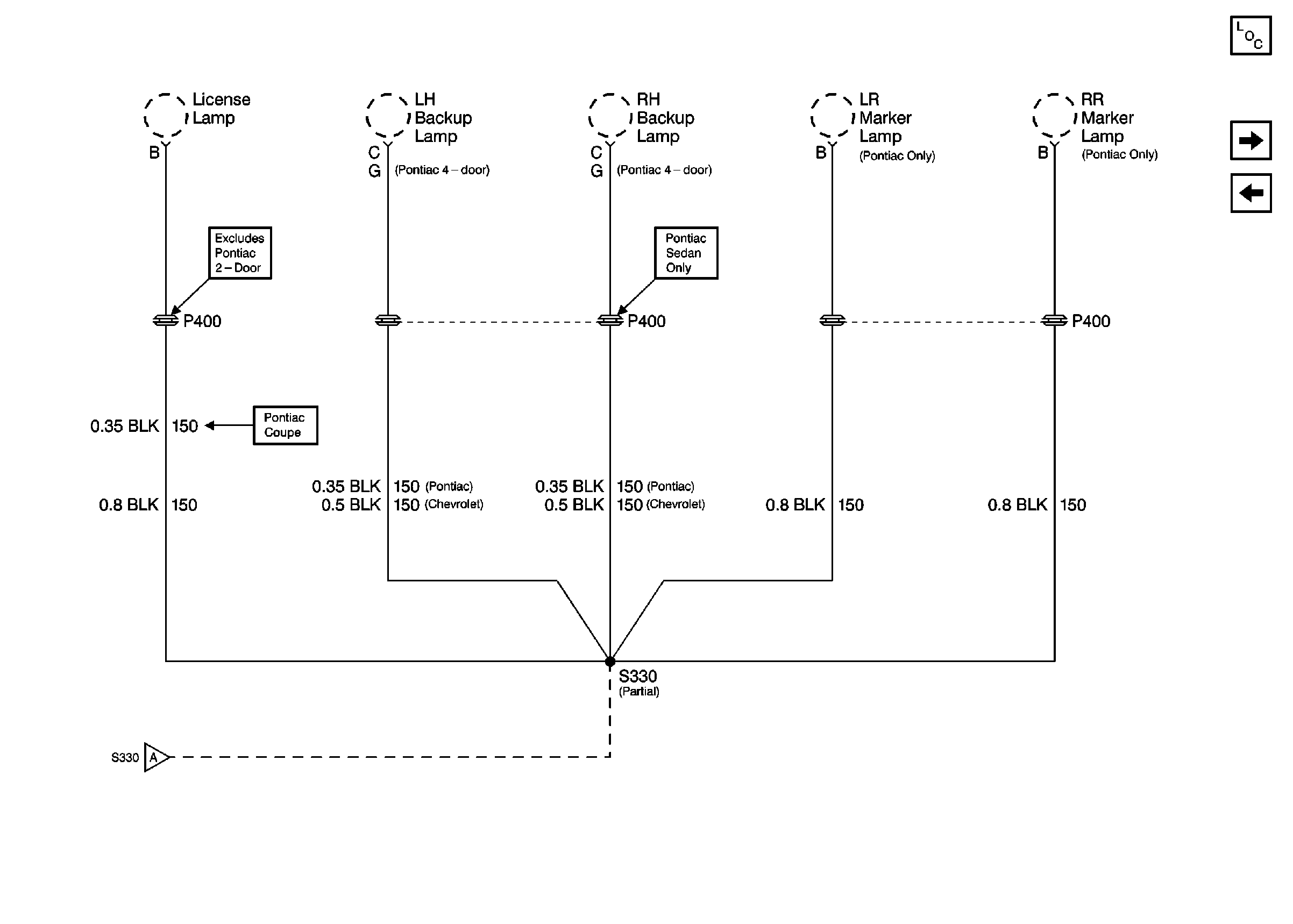
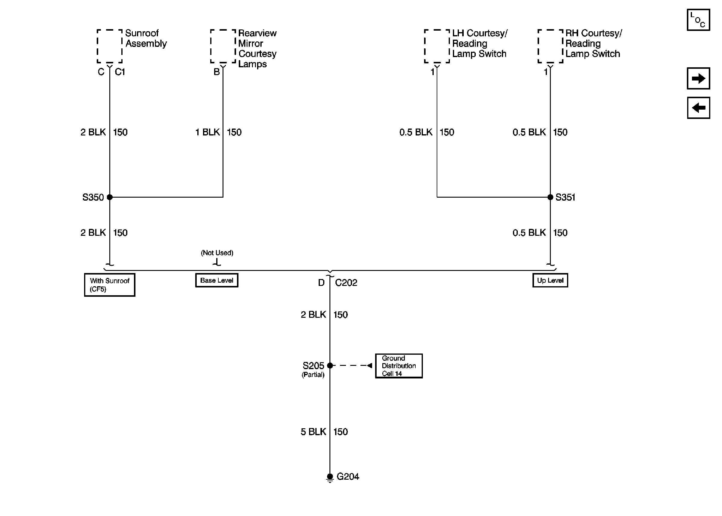
Cell 14: G103 and G204
Cell 14: G110
Power and Grounding Components
Figure 4:

Cell 14: G103 and G204


Object Number: 288297  Size: FS
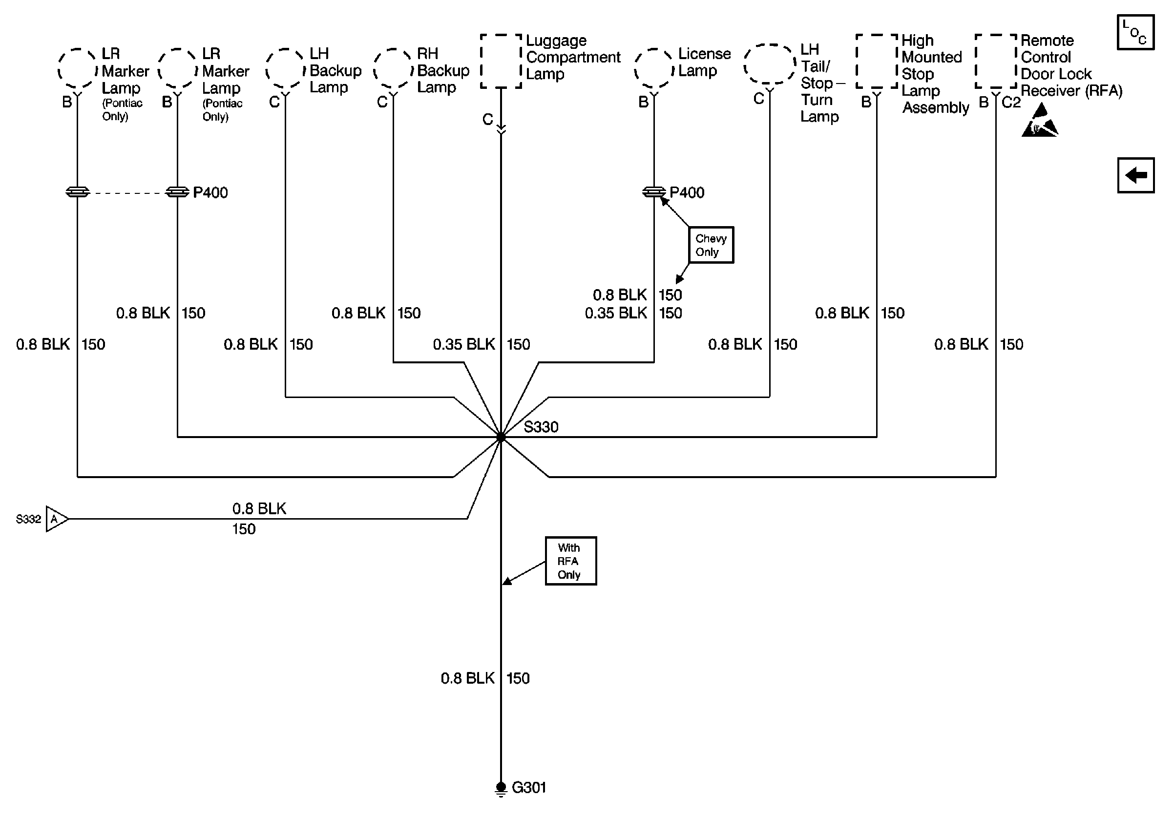
Cell 14: G203 and G204
Cell 14: G102
Handling ESD Sensitive Parts Notice
Handling ESD Sensitive Parts Notice
Handling ESD Sensitive Parts Notice
Cell 14: G203 and G204
Power and Grounding Components
Figure 5:

Cell 14: G203 and G204


Object Number: 288301  Size: FS
Cell 14: G204
Cell 14: G103 and G204
SIR Handling Caution
Handling ESD Sensitive Parts Notice
SIR Handling Caution
Handling ESD Sensitive Parts Notice
Cell 14: G103 and G204
Power and Grounding Components
Figure 6:

Cell 14: G204


Object Number: 288308  Size: FS
Cell 14: G302
Cell 14: G203 and G204
Ground Distribution Schematics
Power and Grounding Components
Figure 7:

Cell 14: G302


Object Number: 288311  Size: FS
Power and Grounding Components
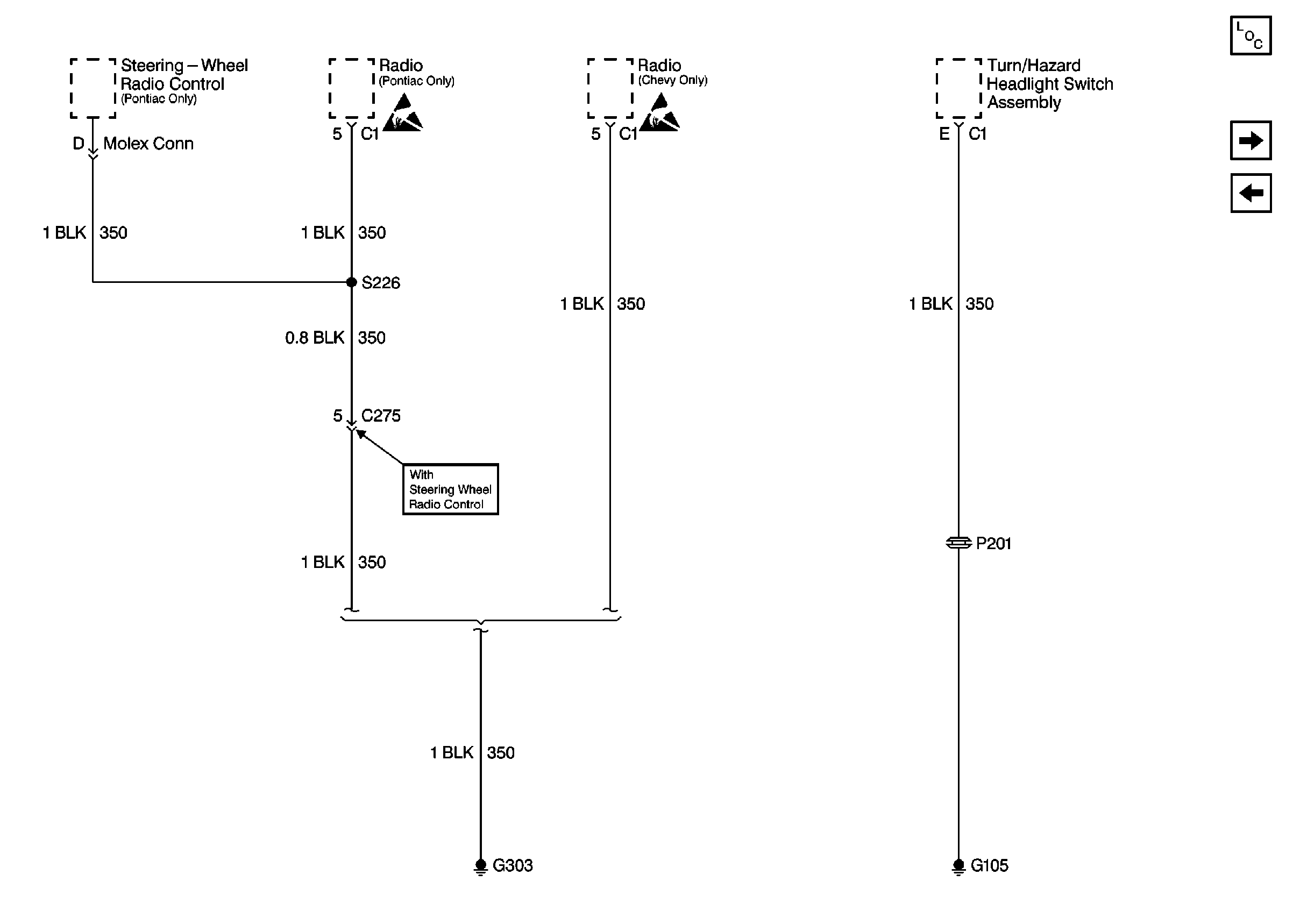
Cell 14: G105 and G303
Cell 14: G204
Handling ESD Sensitive Parts Notice
Figure 8:

Cell 14: G105 and G303


Object Number: 288313  Size: FS
Power and Grounding Components
Cell 14: G304
Cell 14: G302
Handling ESD Sensitive Parts Notice
Handling ESD Sensitive Parts Notice
Figure 9:

Cell 14: G304


Object Number: 288316  Size: FS
Power and Grounding Components
Cell 14: G304 (Partial)
Cell 14: G105 and G303
Handling ESD Sensitive Parts Notice
Cell 14: G304 (Partial)
Figure 10:

Cell 14: G304 (Partial)


Object Number: 288338  Size: FS
Cell 14: G304 (Folding Top Only)
Cell 14: G304
Cell 14: G304
Power and Grounding Components
Figure 11:

Cell 14: G304 (Folding Top Only)


Object Number: 288339  Size: FS
Cell 14: G301 (Folding Top Only)
Cell 14: G304 (Partial)
Cell 14: G301 (Folding Top Only)
Power and Grounding Components
Figure 12:

Cell 14: G301 (Folding Top Only)


Object Number: 288342  Size: FS
Power and Grounding Components
Cell 14: G304 (Folding Top Only)
Handling ESD Sensitive Parts Notice
Cell 14: G304 (Folding Top Only)