GM Service Manual Online
For 1990-2009 cars only
Makes
🢒
Pontiac
🢒
1999
🢒
Sunfire
🢒
Body and Accessories
🢒
Keyless Entry
🢒 Keyless Entry Schematics
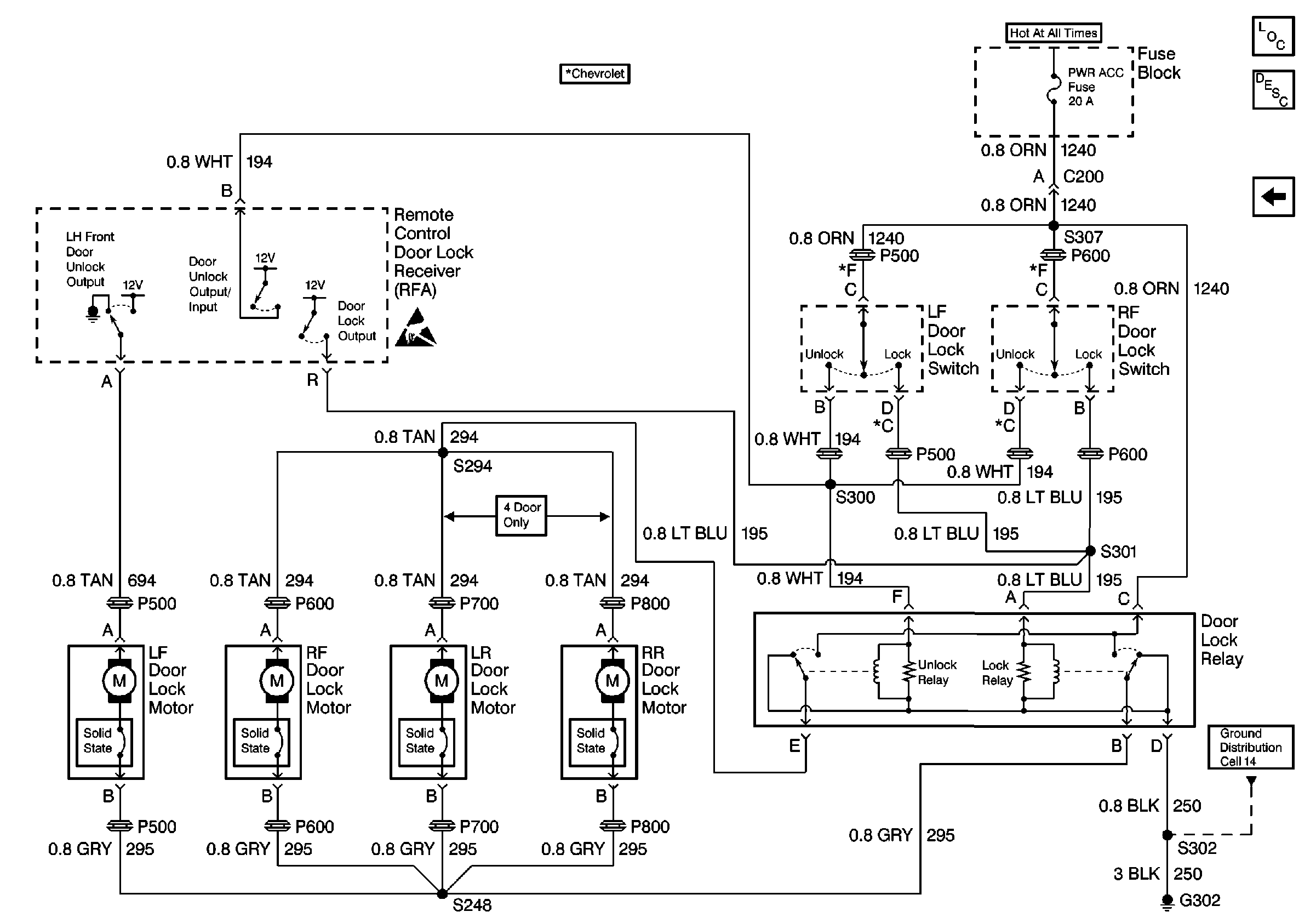
Figure
1:
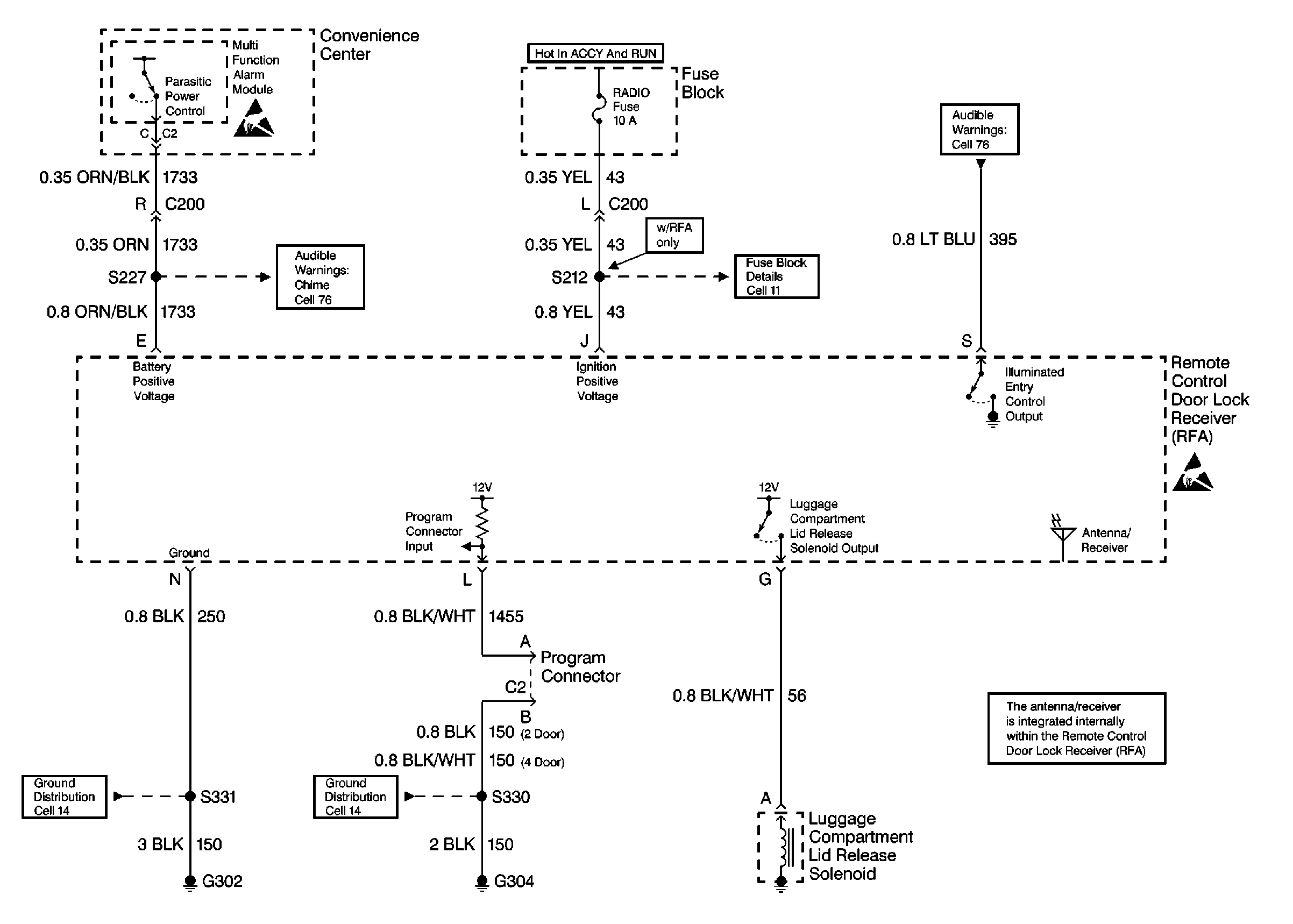
Cell 132: Keyless Entry Luggage Compartment Lid Release
Keyless Entry Components
Keyless Entry System Circuit Description
Cell 132: Keyless Entry Doors Lock Motors
Handling ESD Sensitive Parts Notice
Audible Warnings Schematics
Audible Warnings Schematics
Fuse Block Schematics
Ground Distribution Schematics
Ground Distribution Schematics
Figure
2:
Cell 132: Keyless Entry Doors Lock Motors
Keyless Entry Components
Keyless Entry System Circuit Description
Cell 132: Keyless Entry Luggage Compartment Lid Release
Handling ESD Sensitive Parts Notice
Ground Distribution Schematics