GM Service Manual Online
For 1990-2009 cars only
Makes
🢒
Pontiac
🢒
1999
🢒
Sunfire
🢒
Body and Accessories
🢒
Roof
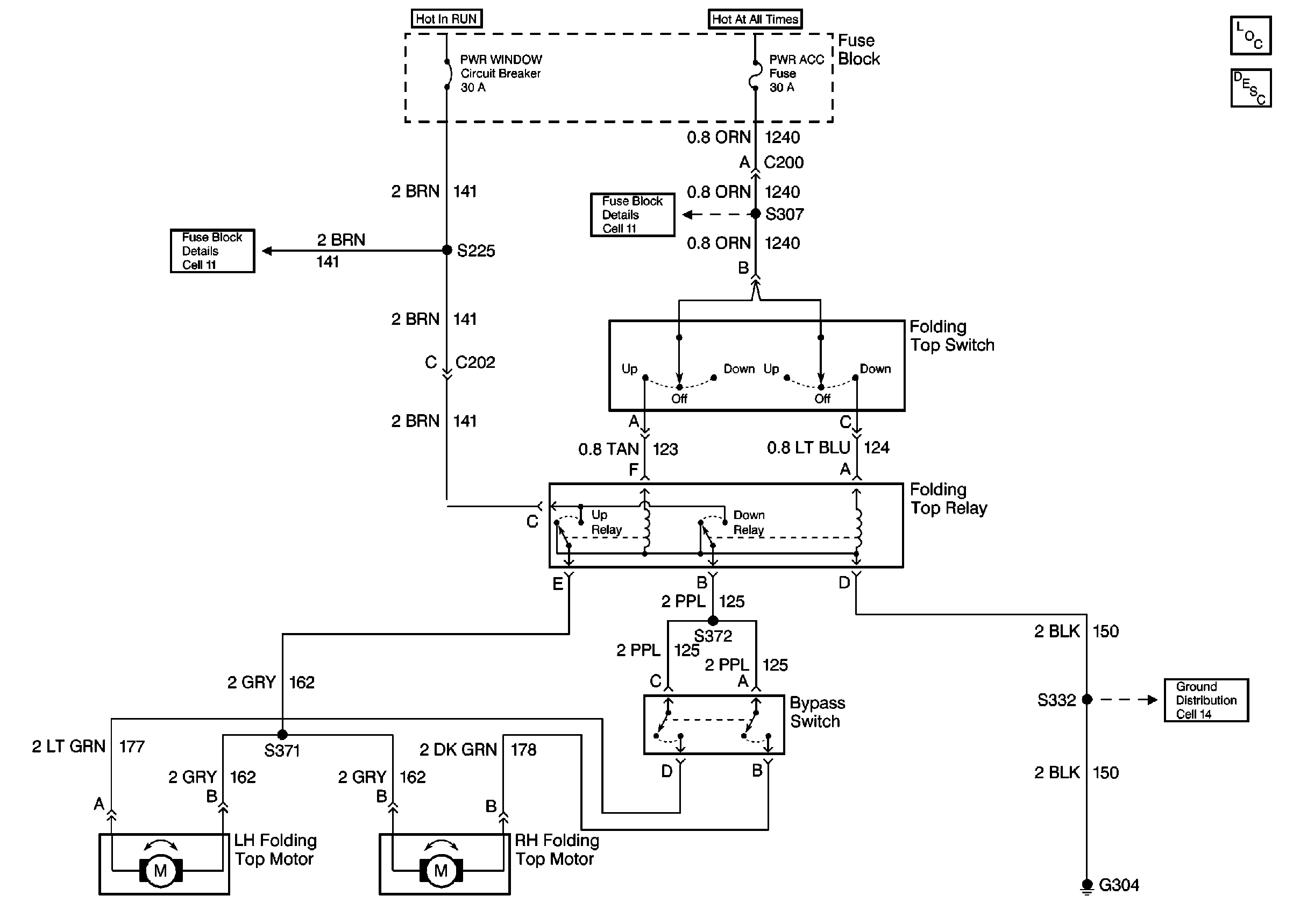
🢒 Folding Top Schematics
Cell 121
Power Roof Systems Components
Power Folding Top Circuit Description
Fuse Block Schematics
Fuse Block Schematics
Ground Distribution Schematics