GM Service Manual Online
For 1990-2009 cars only

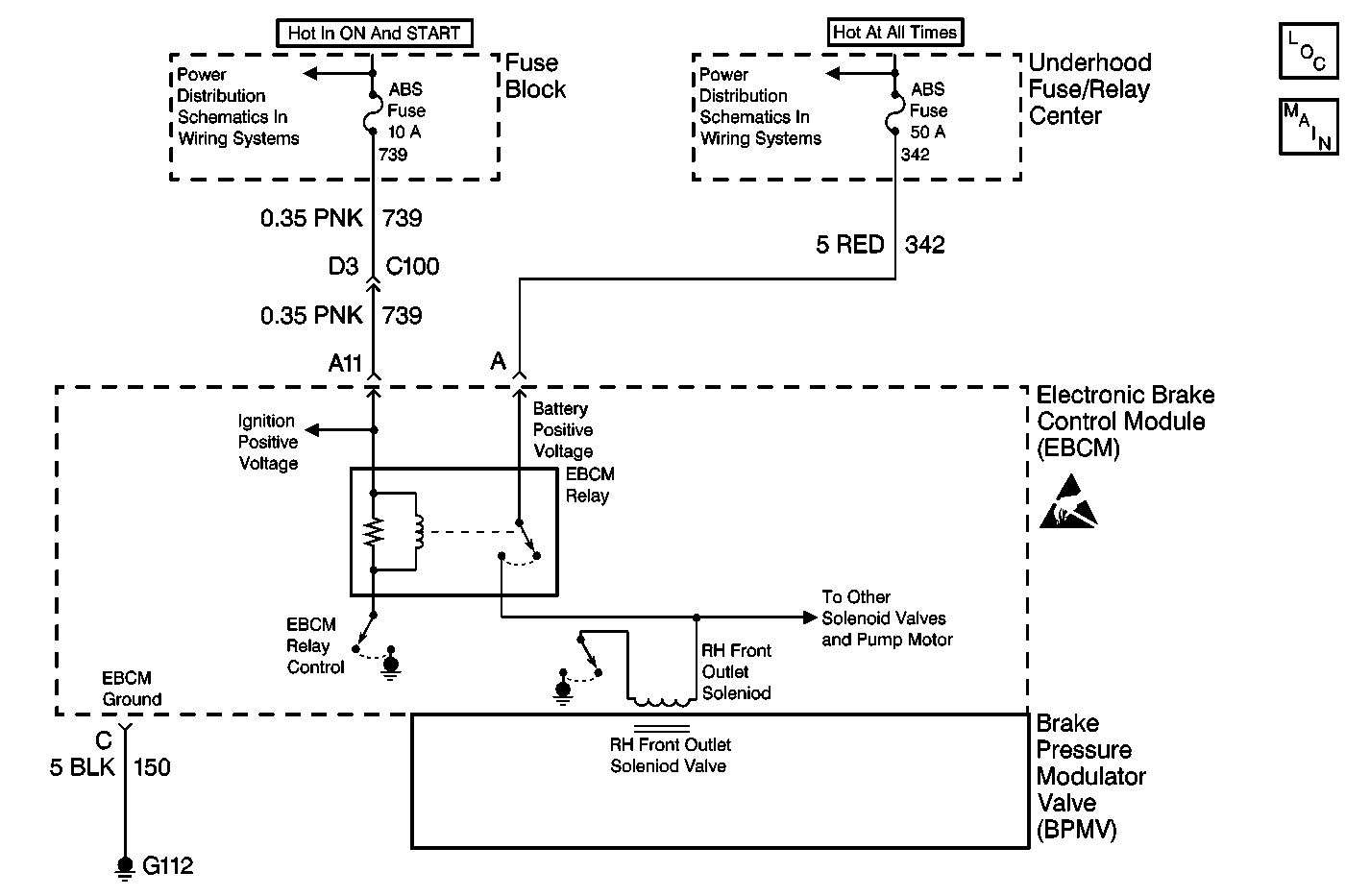
Object Number: 524910  Size: MF
ABS Components
Antilock Brake System Schematics
Handling ESD Sensitive Parts Notice
Power Distribution Schematics
Power Distribution Schematics

Circuit Description

The solenoid valve circuits are supplied with battery positive voltage when the ignition is in the ON position. The EBCM actuates the solenoid valve by grounding the circuit when necessary. The solenoid valve circuits are internal to the EBCM and can not be serviced separately.

Conditions for Running the DTC

    • The switched battery voltage is greater than 8.0 volts.
    • The ignition positive voltage is greater than 9.0 volts.

Conditions for Setting the DTC

The EBCM detects one of the following conditions for 0.03 seconds.

    • An open
    • A short to ground
    • A short to voltage

Action Taken When the DTC Sets

The following actions occur:

    • The EBCM disables the ABS for the duration of the ignition cycle.
    • The ABS warning indicator turns ON.
    • A malfunction DTC sets.

Conditions for Clearing the DTC

    • The condition for setting the DTC is no longer present and the scan tool Clear DTCs function is used.
    • The EBCM automatically clears the history DTC when a current DTC is not detected in 100 consecutive drive cycles.

Diagnostic Aids

The solenoids and the solenoid circuits are integral to the EBCM and are not serviced separately.

Test Description

The number below refers to the step number on the diagnostic table.

  1. This step determines whether the DTC is current.

Step

Action

Value(s)

Yes

No

1

Did you perform the ABS Diagnostic System Check?

--

Go to Step 2

Go to Diagnostic System Check - ABS

2

  1. Install a scan tool.
  2. Turn ON the ignition, with the engine OFF.
  3. Use the scan tool in order to clear the DTCs.
  4. Operate the vehicle within the Conditions for Running the DTC as specified in the supporting text.

Does the DTC reset as a current DTC?

--

Go to Step 3

Go to Testing for Intermittent Conditions and Poor Connections in Wiring Systems

3

Replace the EBCM. Refer to Electronic Brake Control Module Replacement .

Did you complete the repair?

--

Go to Step 4

--

4

  1. Use the scan tool in order to clear the DTCs.
  2. Operate the vehicle within the Conditions for Running the DTC as specified in the supporting text.

Does the DTC reset?

--

Go to Step 2

System OK