| Figure 1: |
Lamp Controls, Rear Torn Lamps, and Indicators
|
| Figure 2: |
Park Lamp Controls and Front Lamps -- Pontiac
|
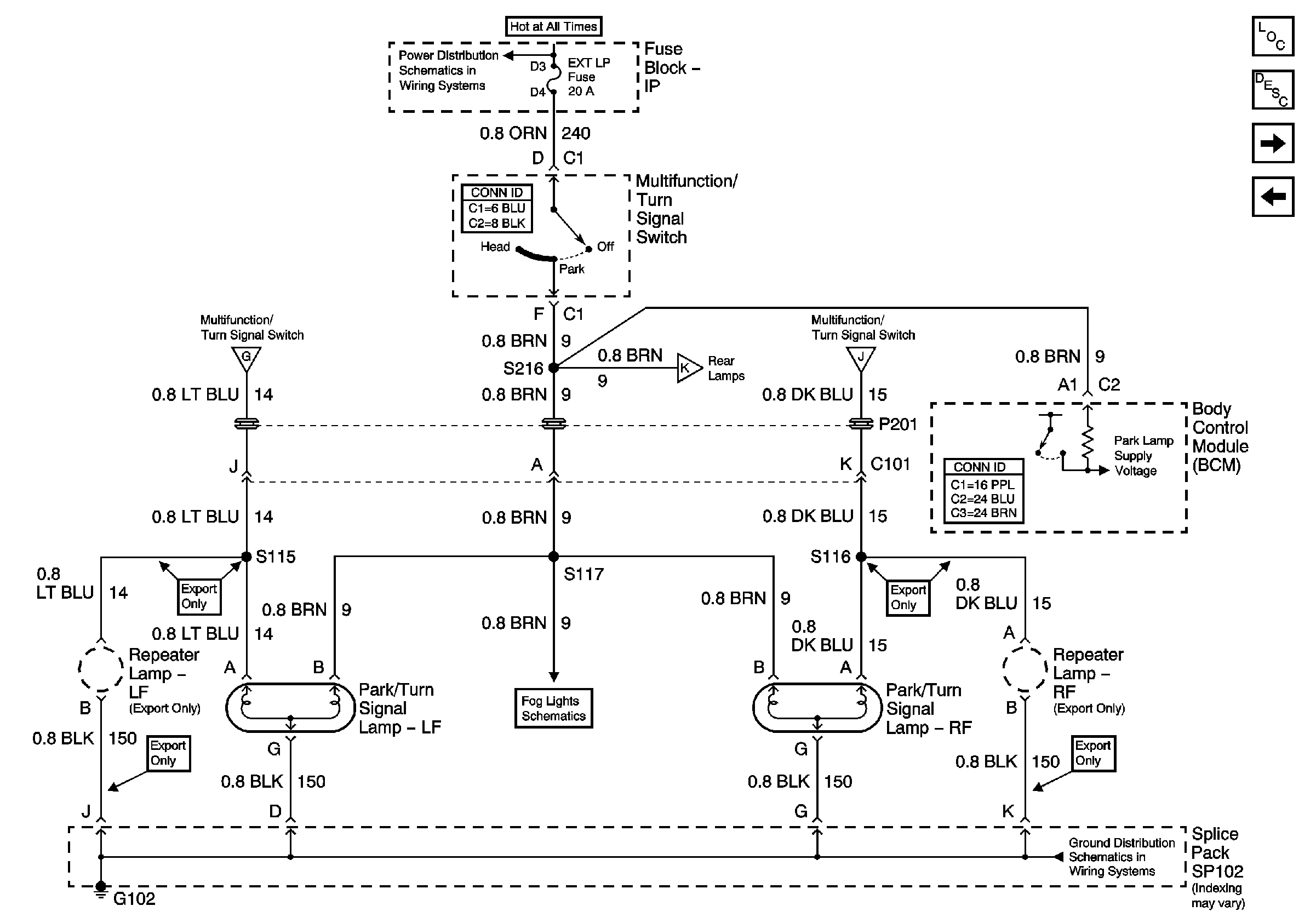
| Figure 3: |
Park Lamp Controls and Front Lamps -- Chevrolet
|
| Figure 4: |
Rear Lamps
|
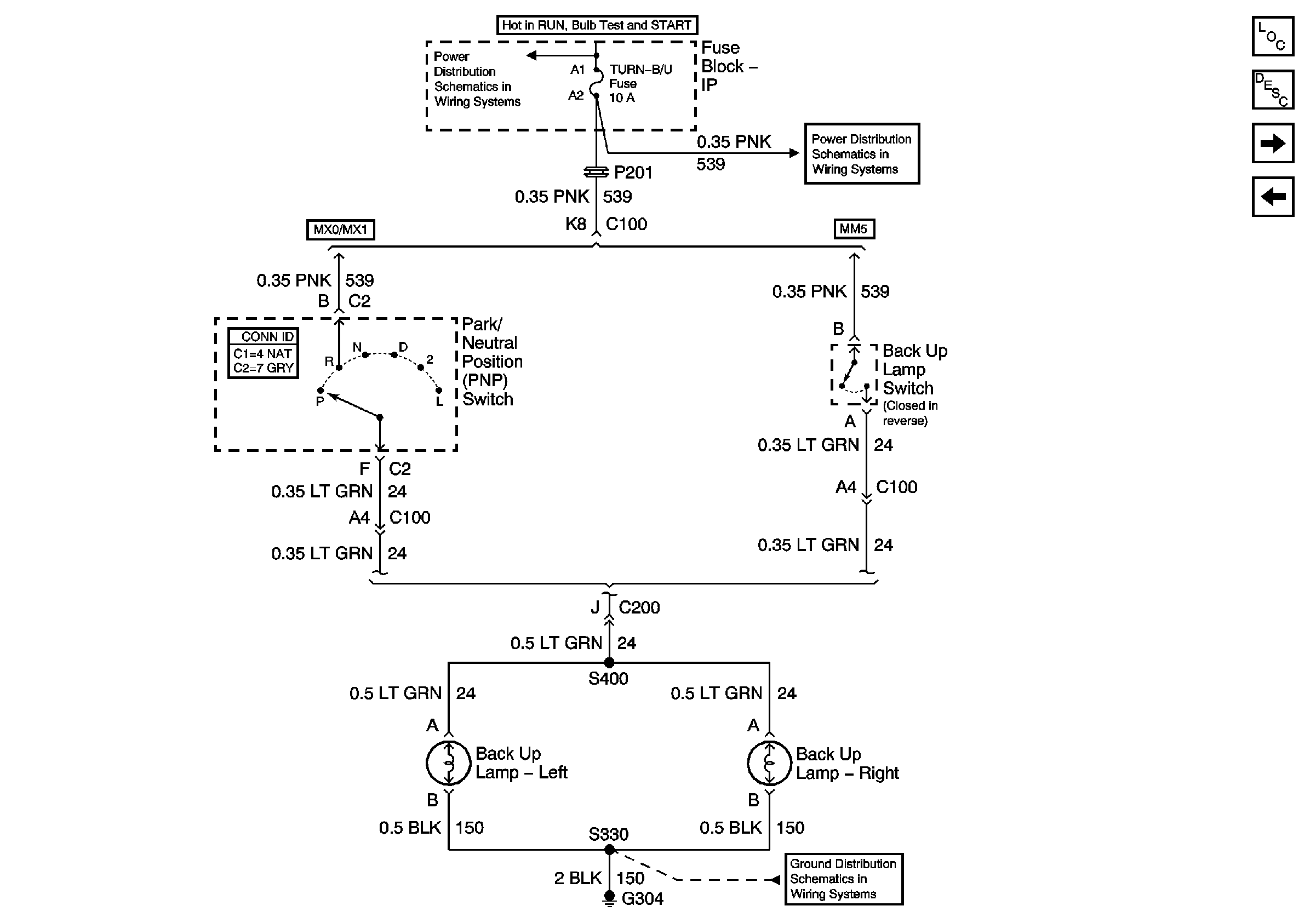
| Figure 5: |
Back Up Lamps
|
| Figure 6: |
Center High Mounted Stop Lamps
|