GM Service Manual Online
For 1990-2009 cars only
Figure 1:

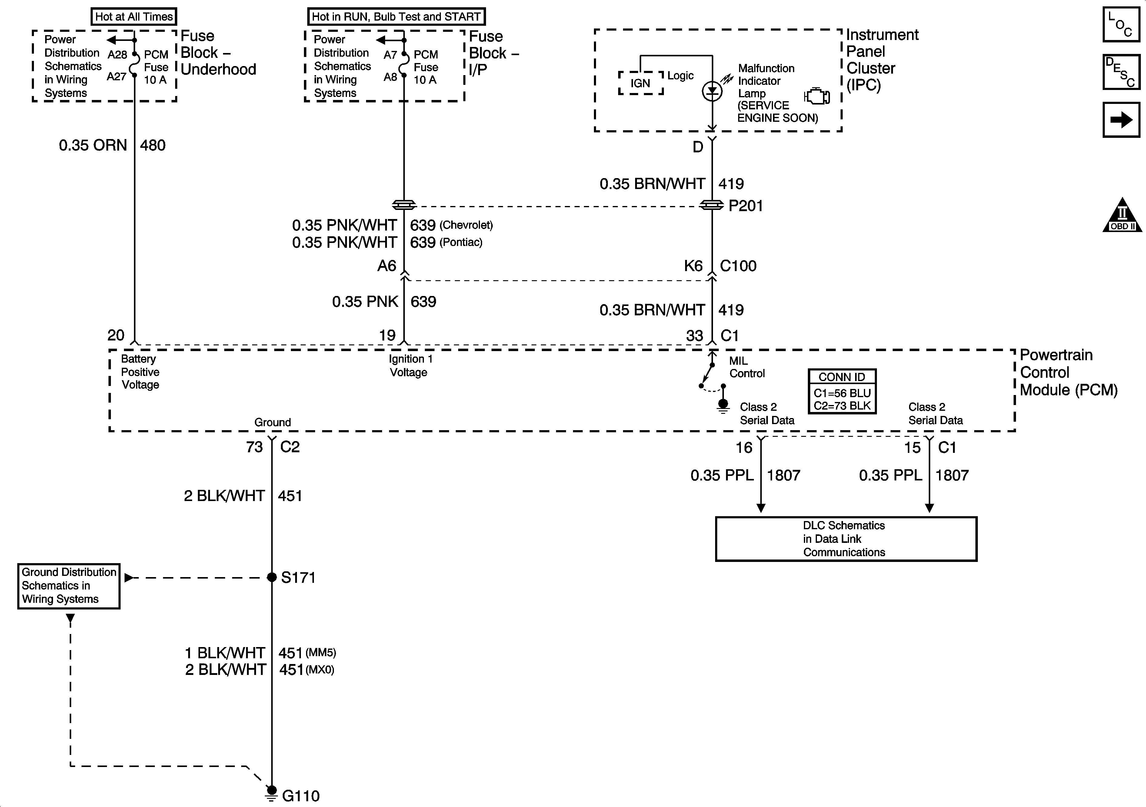
Module Power, Ground, Serial Data and MIL


Object Number: 783401  Size: FS
Master Electrical Component List
Powertrain Control Module Description
5 Volt and Low Reference Bussing
OBD II Symbol Description Notice
Fuse Block - Underhood B+ Bus Bar
Fuse Block I/P, TURN B/U, IGN MDL, PCM, BCM/CLU Fuses
G110
Data Link Communication (DLC)
Figure 2:

5-Volt and Low Reference Bussing


Object Number: 788898  Size: FS
Master Electrical Component List
Powertrain Control Module Description
Engine Data Sensor - Pressure and Temperature
Module Power, Ground, Serial Data and MIL
OBD II Symbol Description Notice
Figure 3:

Engine Data Sensors - Pressure and Temperature


Object Number: 783404  Size: FS
Master Electrical Component List
Powertrain Control Module Description
Heated Oxygen Sensors
5 Volt and Low Reference Bussing
OBD II Symbol Description Notice
Gages
Figure 4:

Heated Oxygen Sensors


Object Number: 783405  Size: FS
Master Electrical Component List
Powertrain Control Module Description
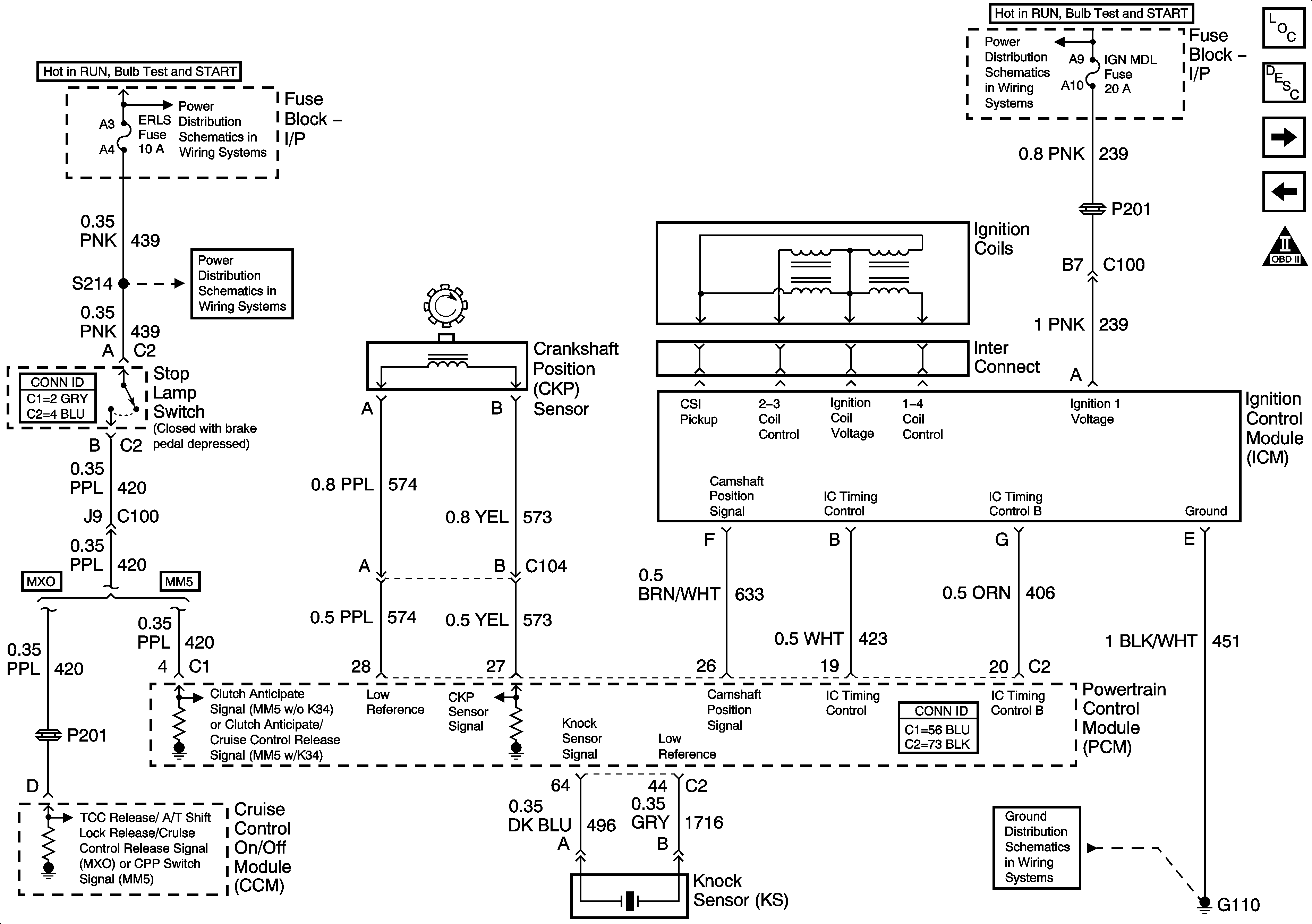
Ignition Controls
Engine Data Sensor - Pressure and Temperature
OBD II Symbol Description Notice
Fuse Block - I/P, WIPER, BCM, HVAC, 02 HTR, Fuses and PWR WIDO Circuit Breaker
Fuse Block I/P, ERLS Fuses
Fuse Block I/P, ERLS Fuses
Fuse Block I/P, ERLS Fuses
Figure 5:

Ignition Controls


Object Number: 783407  Size: FS
Master Electrical Component List
Fuel System Description
Fuel Delivery
Heated Oxygen Sensors
OBD II Symbol Description Notice
Fuse Block I/P, ERLS Fuses
Fuse Block I/P, ERLS Fuses
Fuse Block I/P, TURN B/U, IGN MDL, PCM, BCM/CLU Fuses
G110
Figure 6:

Fuel Delivery


Object Number: 783409  Size: FS
Master Electrical Component List
Fuel System Description
EVAP Controls and IAC
Ignition Controls
OBD II Symbol Description Notice
Fuse Block Underhood, IGN, ABS, Fuse Block I/P, ABS, F/P INJ, AIR BG, CRUISE Fuses
G110
G304 (PAGE 2 OF 2)
Figure 7:

EVAP Controls and IAC


Object Number: 783411  Size: FS
Master Electrical Component List
Evaporative Emission Control System Description
Transmission Controls A/T
Fuel Delivery
OBD II Symbol Description Notice
Fuse Block I/P, ERLS Fuses
Fuse Block I/P, ERLS Fuses
Fuse Block I/P, ERLS Fuses
Figure 8:

Transmission Controls - A/T


Object Number: 783416  Size: FS
Master Electrical Component List
Powertrain Control Module Description
Controlled/Monitored Subsystem References
EVAP Controls and IAC
OBD II Symbol Description Notice
Automatic Transmission Controls
Manual Tranmission
PNP Switch and TCC Release Signal
Solenoid Controls
Automatic Transmission Controls
Solenoid Controls
Release Signals
Figure 9:

Controlled/Monitored Subsystem References


Object Number: 783418  Size: FS
Master Electrical Component List
Powertrain Control Module Description
Transmission Controls A/T
OBD II Symbol Description Notice
Gages
Compressor Controls
Engine Cooling
Power, Ground and Controls
Charging System
Compressor Controls
Indicator Lights and EOP