GM Service Manual Online
For 1990-2009 cars only
Makes
🢒
Pontiac
🢒
2004
🢒
Sunfire
🢒
Accessories
🢒
Theft Deterrent
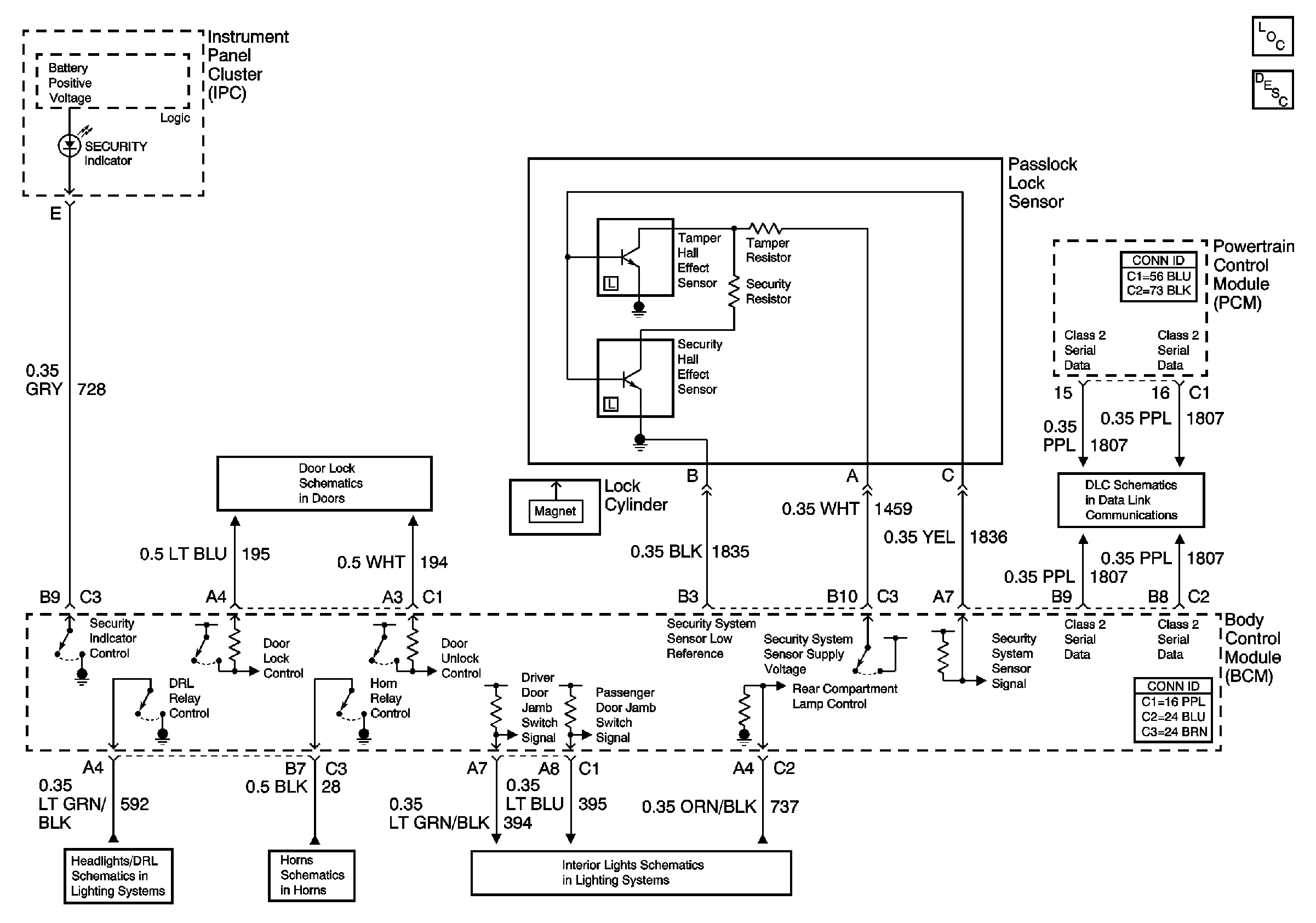
🢒 Theft Deterrent System Schematics
Master Electrical Component List
Theft Systems Description and Operation
Switch and Controls w/AUO
Data Link Communication (DLC)
Controls and Indicators Domestic
Horns
Door Switch Signals and Courtesy Lamps Controls