GM Service Manual Online
For 1990-2009 cars only
Makes
🢒
Pontiac
🢒
2007
🢒
Torrent
🢒
Diagnostic Navigation
🢒
Vehicle Diagnostic Information
🢒 Starting and Charging Schematics
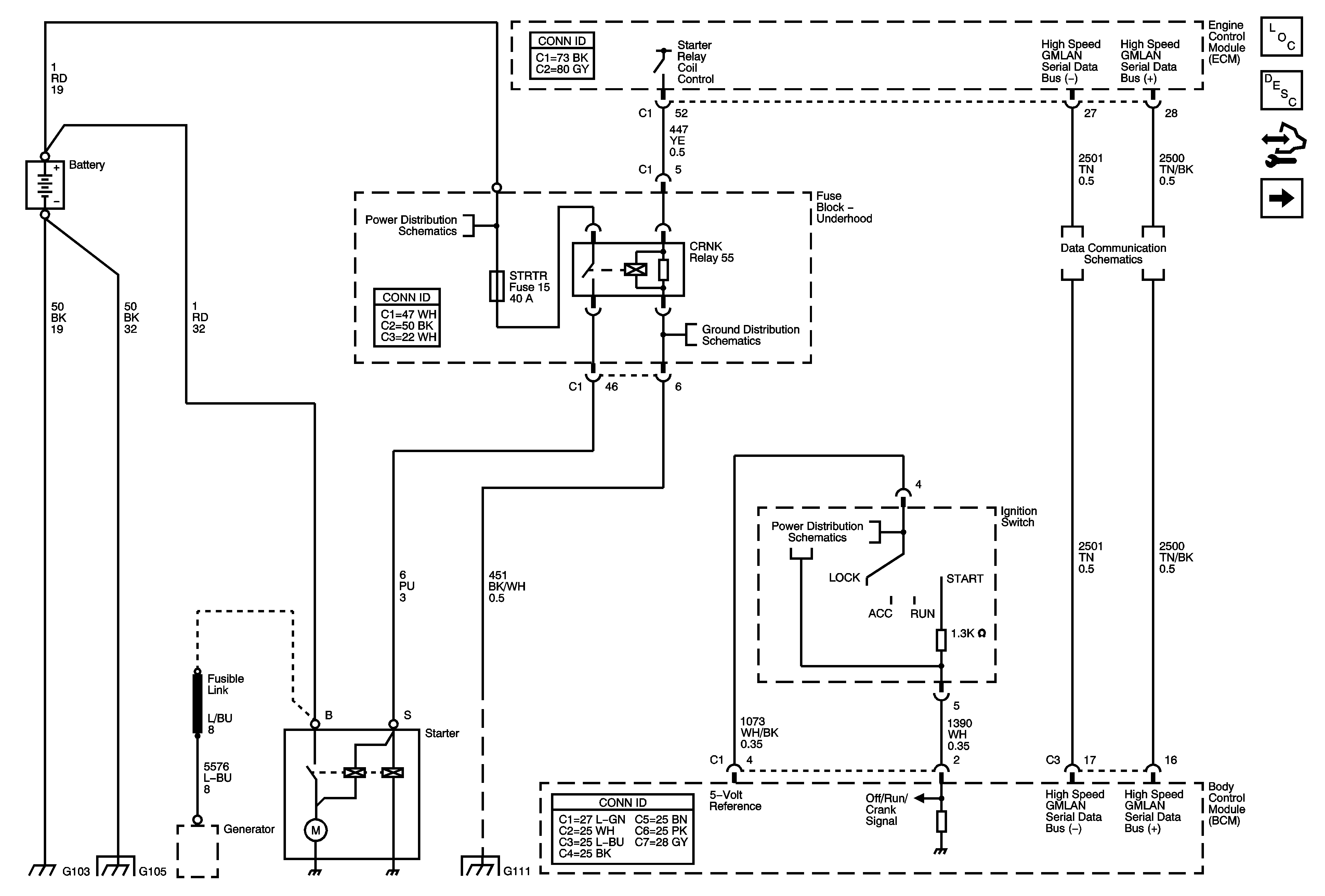
Figure
1:
Starting
Master Electrical Component List
Starting System Description and Operation
Control Module References
Charging
B+ BUS - 1 of 2
High Speed GMLAN
G103, G105, G111
G103, G105, G111
G103, G105, G111
Figure
2:
Charging
Master Electrical Component List
Charging System Description and Operation
Control Module References
Starting
B+ BUS - 1 of 2
Low Speed GMLAN
High Speed GMLAN
B+ BUS - 1 of 2
G103, G105, G111