GM Service Manual Online
For 1990-2009 cars only
Makes
🢒
Pontiac
🢒
2007
🢒
Torrent
🢒
Diagnostic Navigation
🢒
Vehicle Diagnostic Information
🢒 Instrument Cluster Schematics
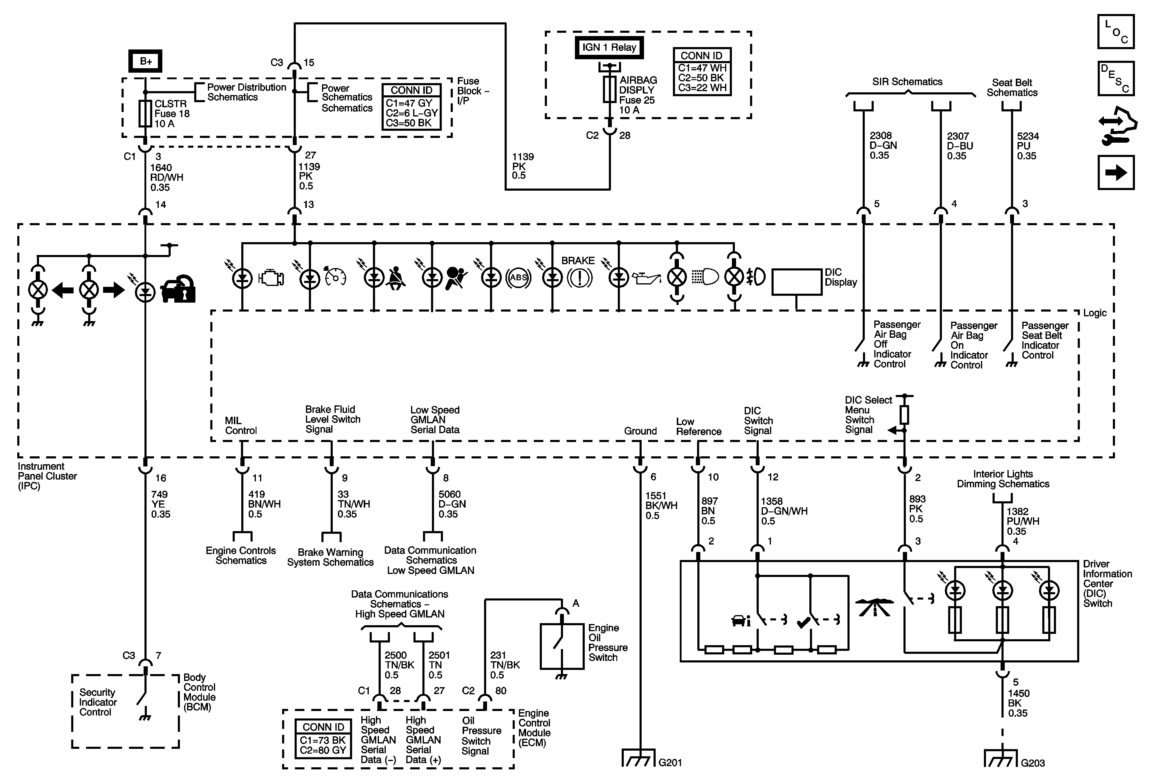
Figure
1:
Indicators
Master Electrical Component List
Instrument Cluster Description and Operation
Control Module References
Gages
Interior Lights Dimming Schematics
Module Power, Ground, and MIL
Low Speed GMLAN
G203, G205, G207
G311
G201
G203, G205, G207
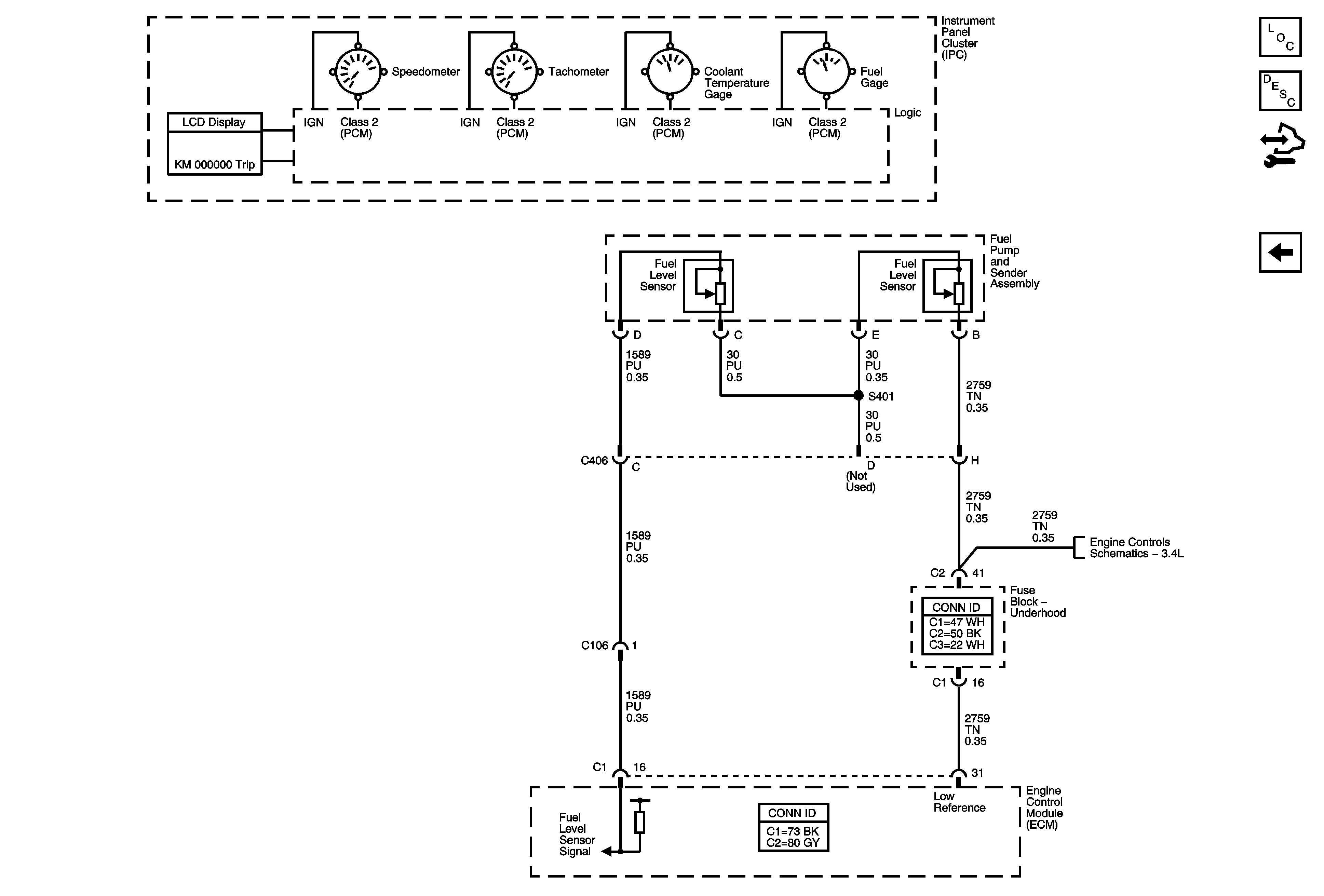
Figure
2:
Gages
Master Electrical Component List
Instrument Cluster Description and Operation
Control Module References
Indicators
Low Speed GMLAN
Low Reference