GM Service Manual Online
For 1990-2009 cars only
Figure 1:

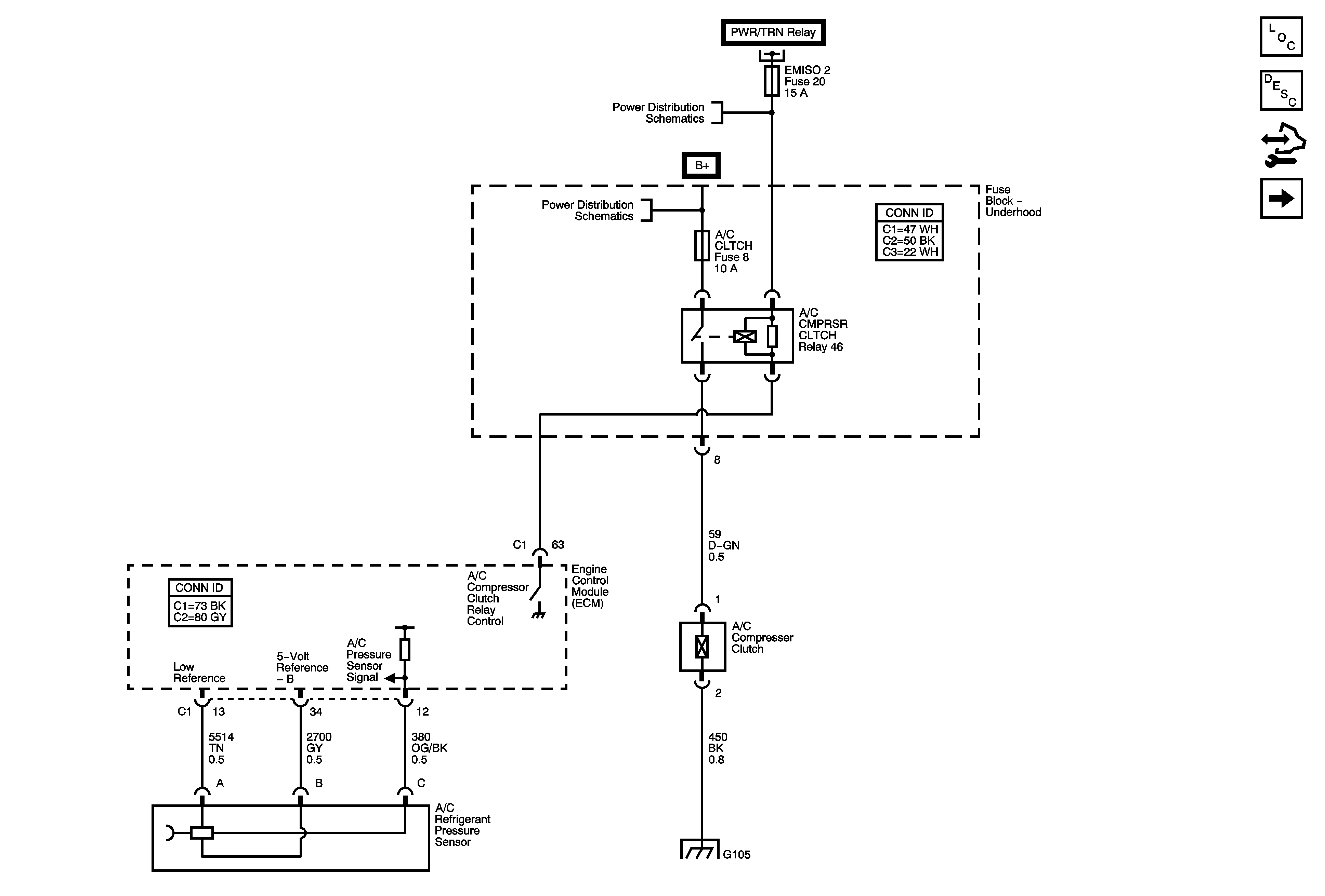
A/C Compressor Controls


Object Number: 1775667  Size: FS
Master Electrical Component List
Air Temperature Description and Operation
Control Module References
Sensors and Blower Motor
B+ BUS - 1 of 2
B+ BUS - 1 of 2
B+ BUS - 1 of 2
G103, G105, G111
Figure 2:

Sensors and Blower Motor


Object Number: 1775668  Size: FS
Master Electrical Component List
Air Delivery Description and Operation
Control Module References
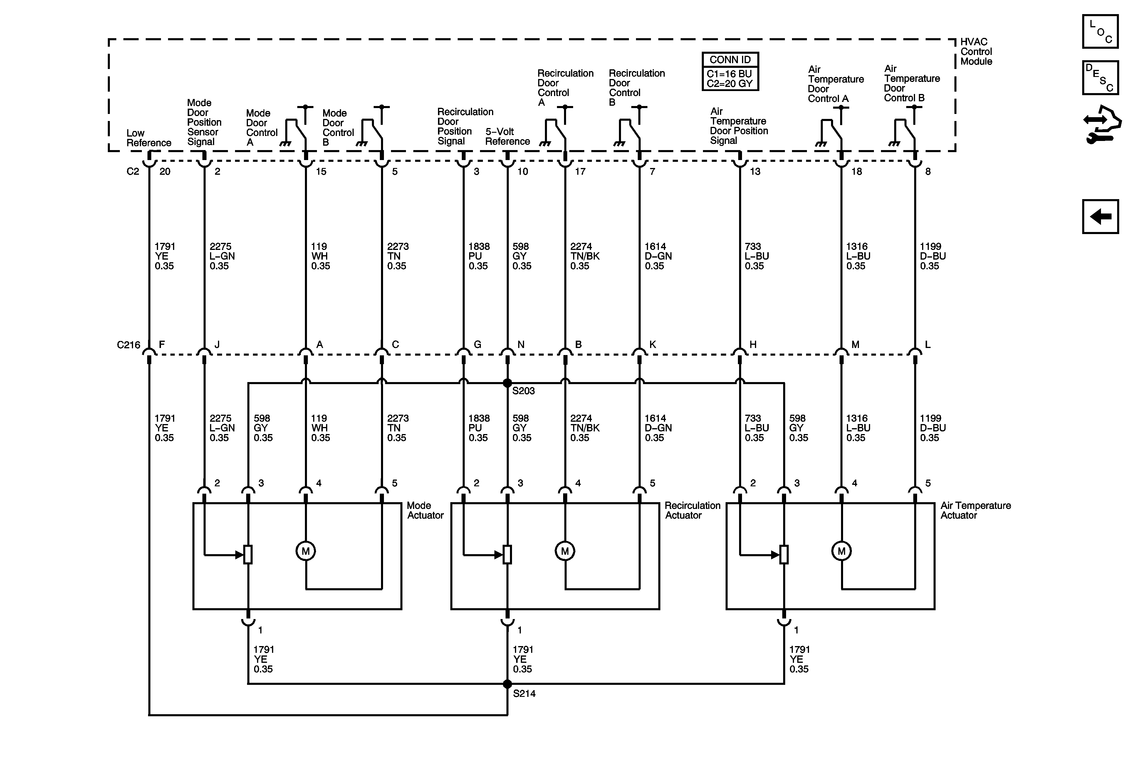
Actuators
A/C Compressor Controls
AMP, BCM, CHMSL/DM/LAMP, HVAC/RFA and RDO Fuse
Low Speed GMLAN
Release Systems Schematics
G203, G205, G207
G201
Figure 3:

Actuators


Object Number: 1775670  Size: FS
Master Electrical Component List
Air Delivery Description and Operation
Control Module References
Sensors and Blower Motor