GM Service Manual Online
For 1990-2009 cars only
Makes
🢒
Pontiac
🢒
2007
🢒
Torrent
🢒
Safety and Security
🢒
Immobilizer
🢒 Immobilizer Schematics
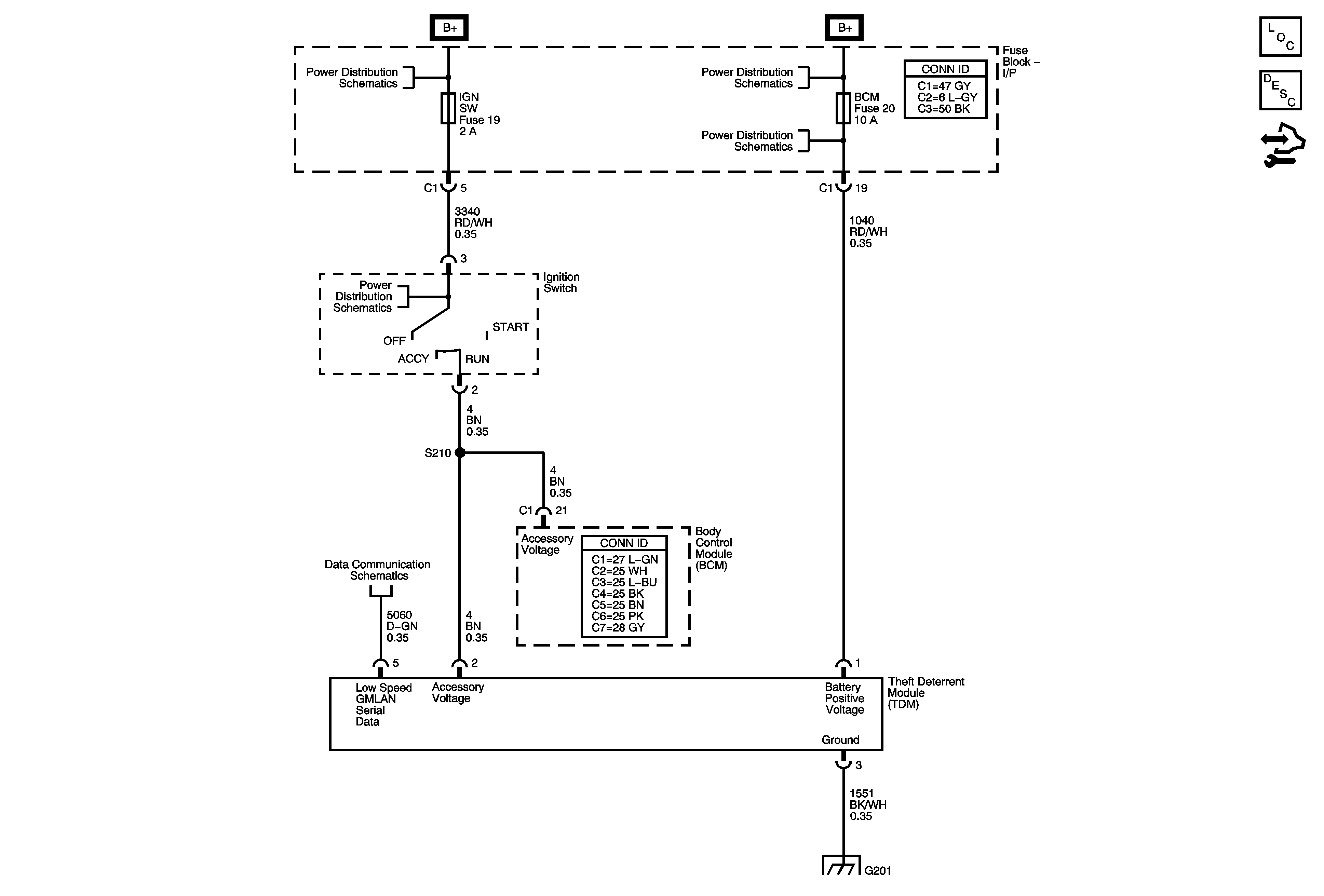
Vehicle Theft Deterrent
Master Electrical Component List
Immobilizer Description and Operation
Control Module References
IGN SW, Fuse and Ignition Switch
AMP, BCM, CHMSL/DM/LAMP, HVAC/RFA and RDO Fuse
AMP, BCM, CHMSL/DM/LAMP, HVAC/RFA and RDO Fuse
Low Speed GMLAN
G201