GM Service Manual Online
For 1990-2009 cars only
Makes
🢒
Pontiac
🢒
2007
🢒
Torrent
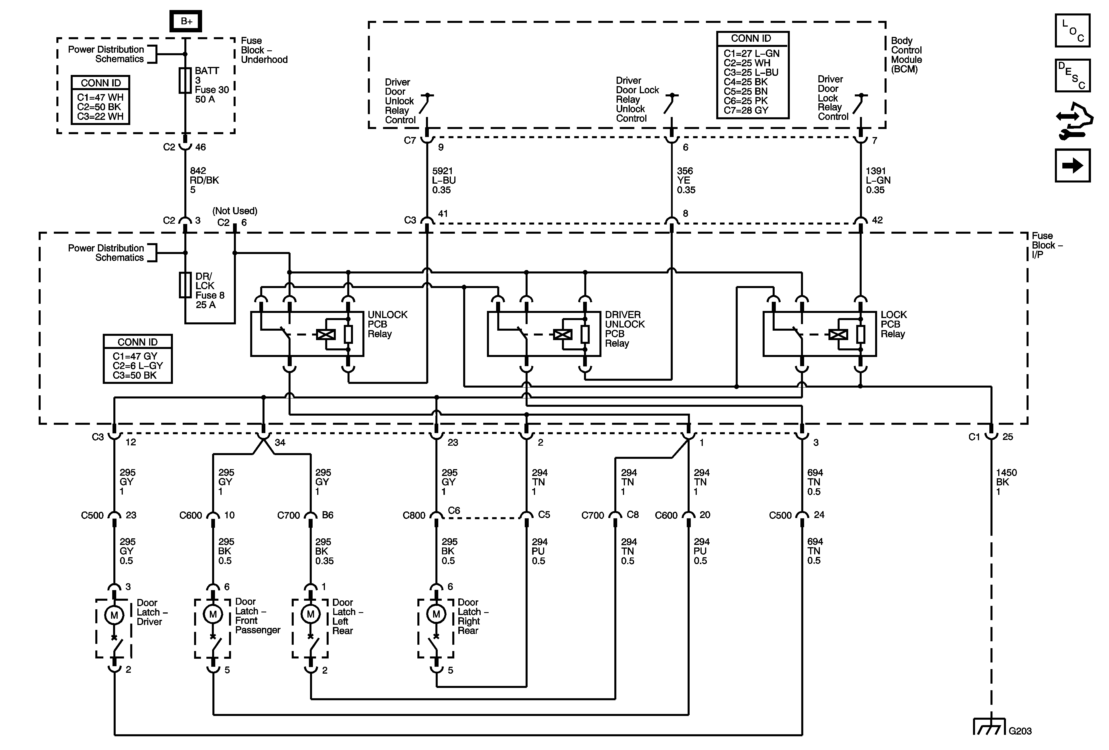
🢒 Door Lock Motors and Relays
Door Lock Motors and Relays
Door Lock Motors and Relays
Master Electrical Component List
Power Door Locks Description and Operation
Control Module References
Door Latches and Switches
B+ BUS - 1 of 2
BATT 3, DR/LCK, REAR/WPR, RSE and S/ROOF Fuses and PWR WNDW Circuit Breaker
G203, G205, G207