GM Service Manual Online
For 1990-2009 cars only
Makes
🢒
Pontiac
🢒
2007
🢒
Torrent
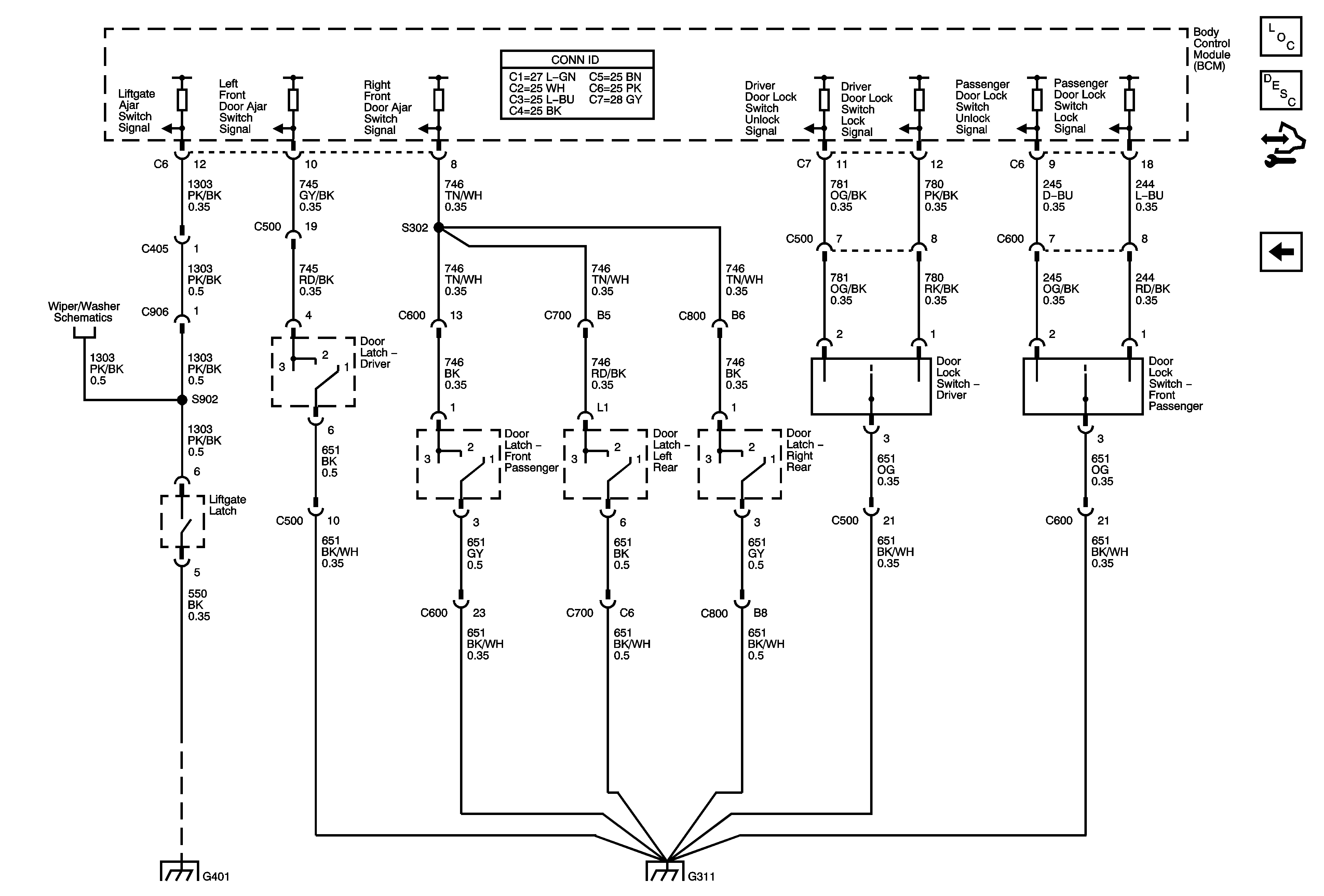
🢒 Door Latches and Switches
Door Latches and Switches
Door Latches and Switches
Master Electrical Component List
Power Door Locks Description and Operation
Control Module References
Door Lock Motors and Relays
Rear Wiper/Washer
G401
G311