GM Service Manual Online
For 1990-2009 cars only
Makes
🢒
Pontiac
🢒
2007
🢒
Torrent
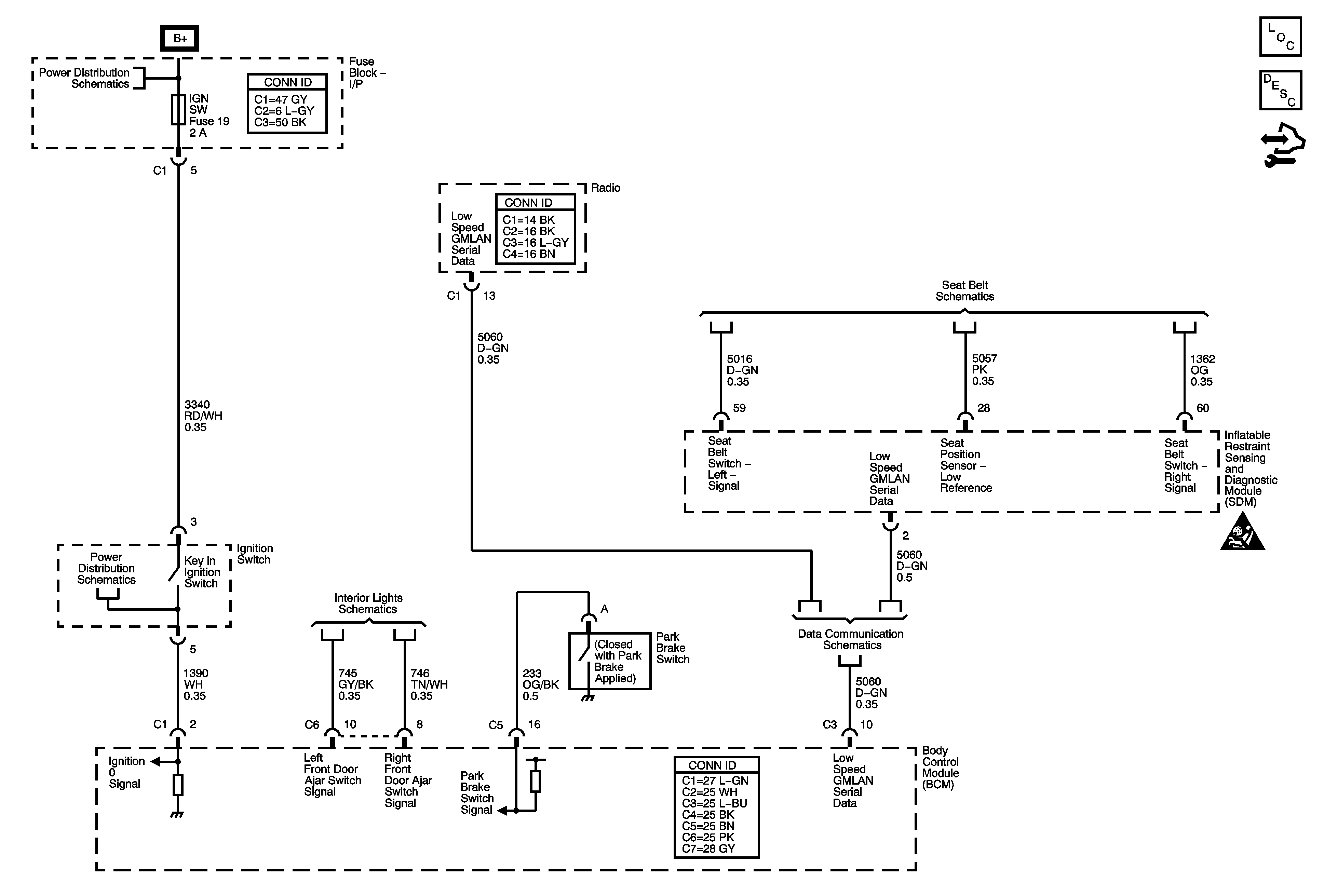
🢒 Audible Warnings Schematics
Audible Warnings Schematics
Master Electrical Component List
Audible Warnings Description and Operation
Control Module References
B+ BUS - 1 of 2
IGN SW, Fuse and Ignition Switch
Interior Lights Schematics
Low Speed GMLAN