GM Service Manual Online
For 1990-2009 cars only
Makes
🢒
Pontiac
🢒
2007
🢒
Torrent
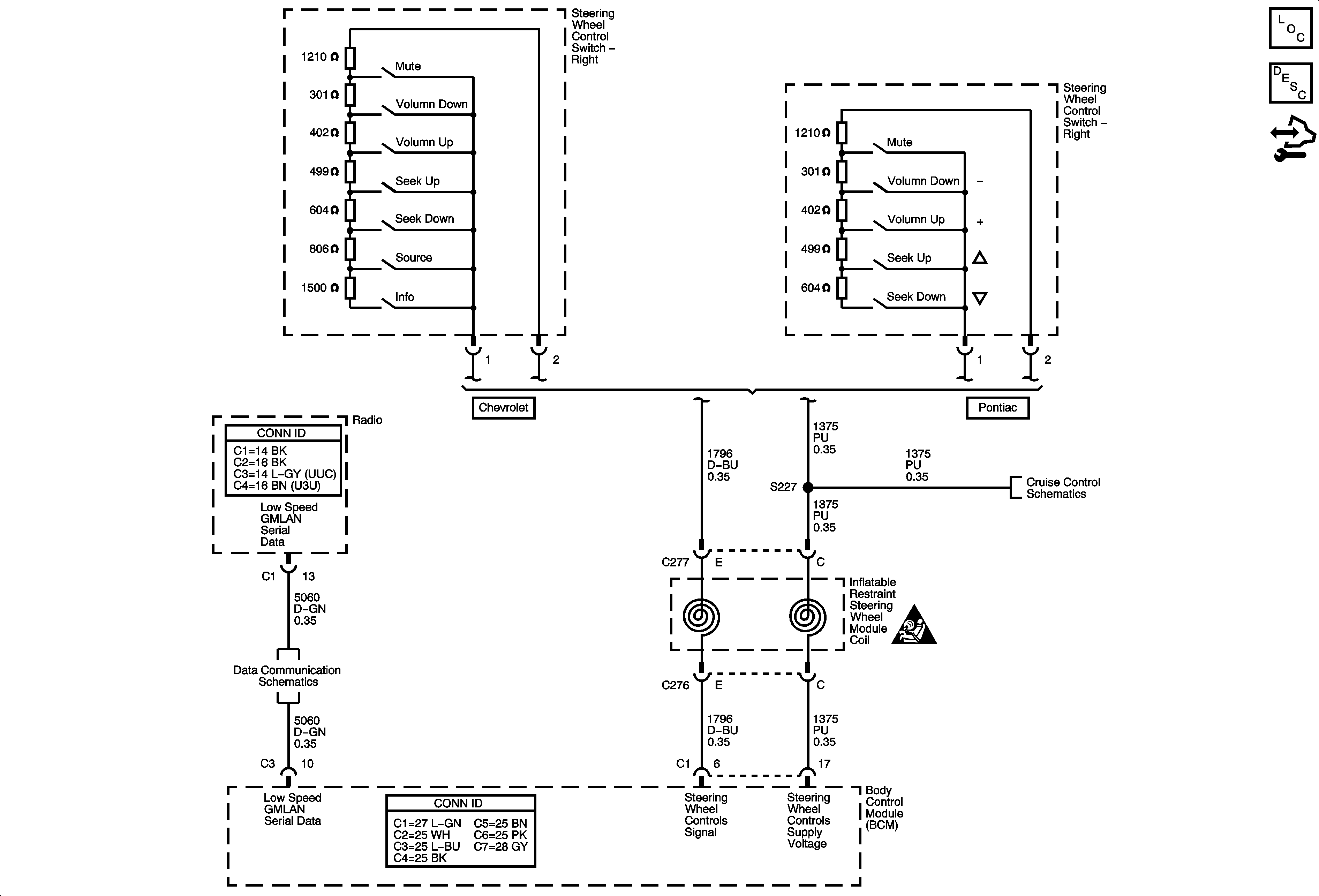
🢒 Remote Radio Steering Wheel Controls (UK3) Schematic
Remote Radio Steering Wheel Controls (UK3) Schematic
Master Electrical Component List
Steering Wheel Controls Description and Operation
Control Module References
SIR Schematic Icons
Low Speed GMLAN
Cruise Control Schematics