GM Service Manual Online
For 1990-2009 cars only
Makes
🢒
Pontiac
🢒
2004
🢒
Vibe - AWD
🢒
Engine
🢒
Engine Cooling
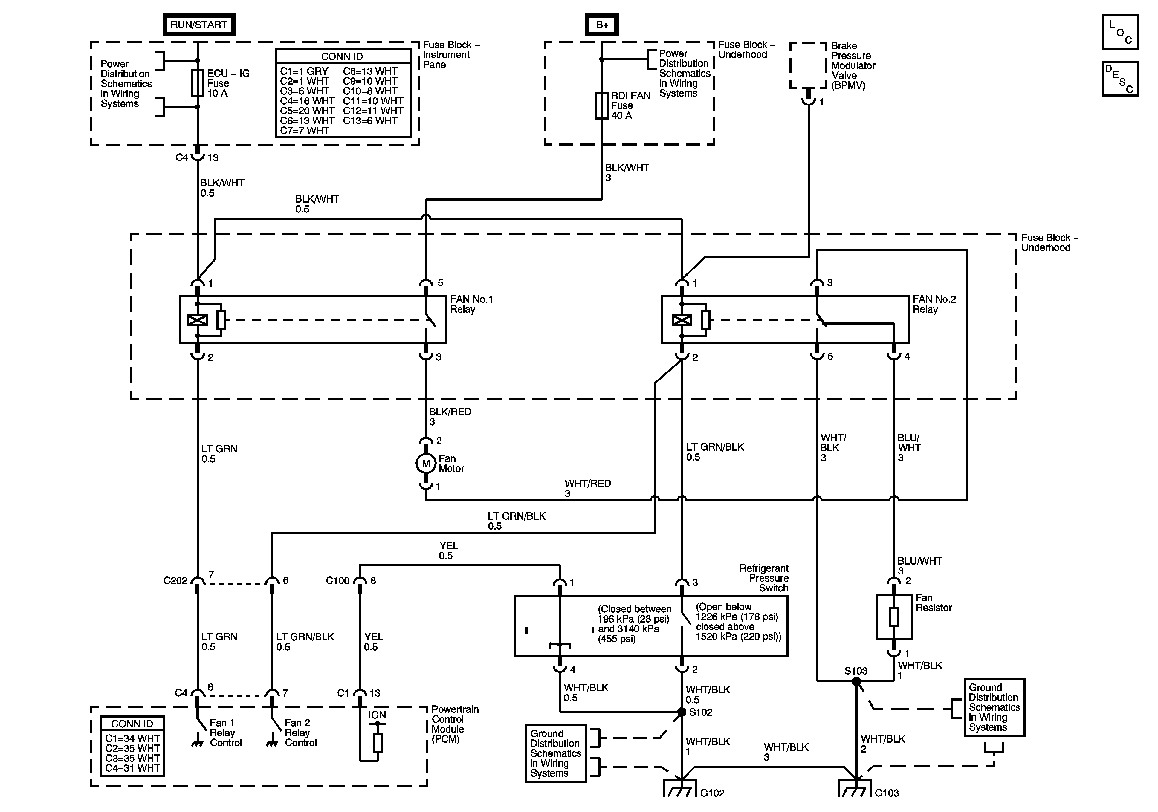
🢒 Engine Cooling Schematics
Master Electrical Component List
Cooling System Description and Operation
Wash, RR Wip, Wiper, ECU-IG, Gauge, Heater, Def Fuses
Alt, ABS 2, RDI Fan, ABS 1, Fog Fuses
G100, G101 and G102
G103