GM Service Manual Online
For 1990-2009 cars only
Figure 1:

Radio -- U1P and UC6


Object Number: 785644  Size: FS
Master Electrical Component List
Radio/Audio System Description and Operation
Radio (U1P and UC6 with UZ6 Amplifier)
Horn, Dome, Main, Amp Fuses
Horn, Dome, Main, Amp Fuses
Horn, Dome, Main, Amp Fuses
Ignition Switch (1 of 2)
Illumination Lamps
Park Lamps
Figure 2:

Radio (U1P and UC6 with UZ6 Amplifier)


Object Number: 785555  Size: FS
Master Electrical Component List
Radio/Audio System Description and Operation
Navigation Radio - U1A
Radio - U1P and UC6
Horn, Dome, Main, Amp Fuses
SP200 and G200
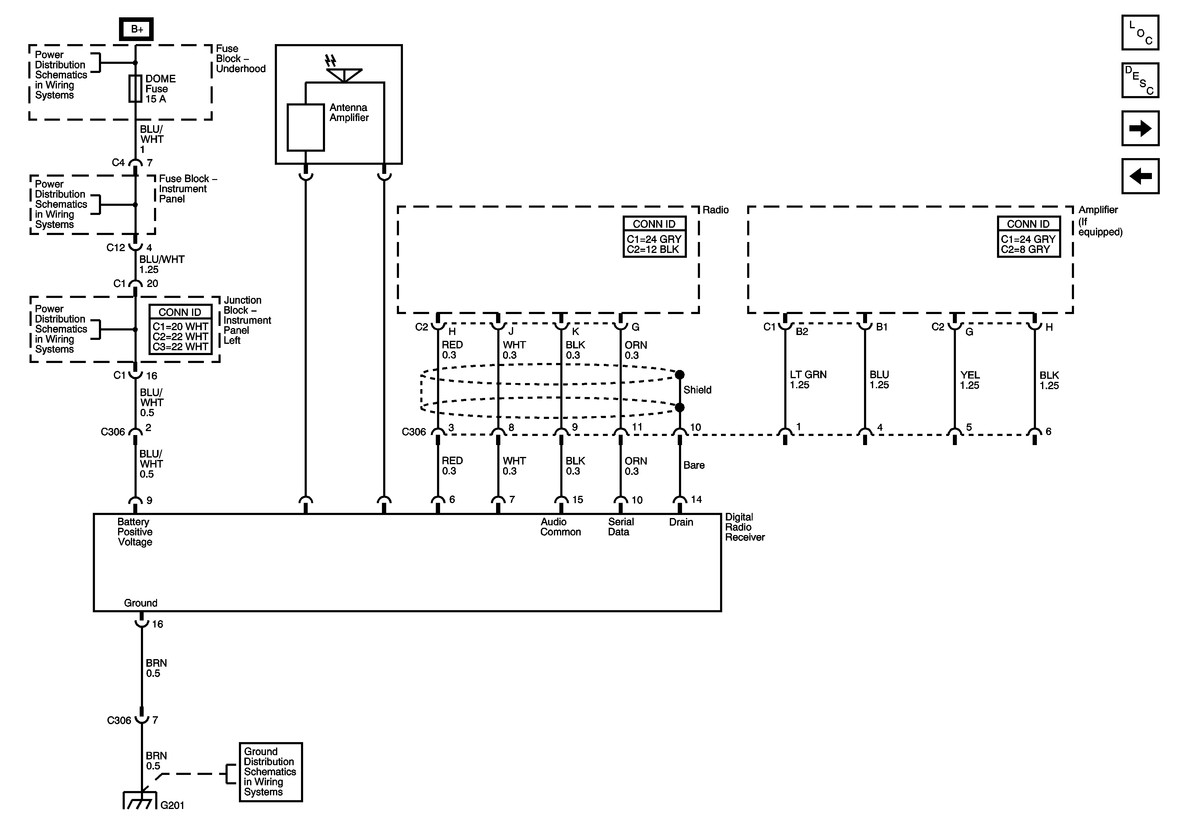
Figure 3:

Digital Radio Receiver


Object Number: 785556  Size: FS
Master Electrical Component List
Navigation System Description and Operation
Navigation Radio - U1A
Radio (U1P and UC6 with UZ6 Amplifier)
Horn, Dome, Main, Amp Fuses
Horn, Dome, Main, Amp Fuses
Horn, Dome, Main, Amp Fuses
SP201 and G201
Figure 4:

Navigation Radio - U1A


Object Number: 785587  Size: FS
Master Electrical Component List
Radio/Audio System Description and Operation
Navigation Radio - U1A and Remote CD Changer
Digital Radio Receiver and Subwoofer
Horn, Dome, Main, Amp Fuses
Horn, Dome, Main, Amp Fuses
Horn, Dome, Main, Amp Fuses
Ignition Switch (1 of 2)
Illumination Lamps
Park Lamps
Figure 5:

Navigation Radio - U1A and Remote CD Changer


Object Number: 1251261  Size: FS
Master Electrical Component List
Radio/Audio System Description and Operation
Navigation Radio - U1A
Tachometer, Speedometer and Headlamps ON Indicator
Back Up Lamps
SP201 and G201
SP201 and G201