GM Service Manual Online
For 1990-2009 cars only
Figure 1:

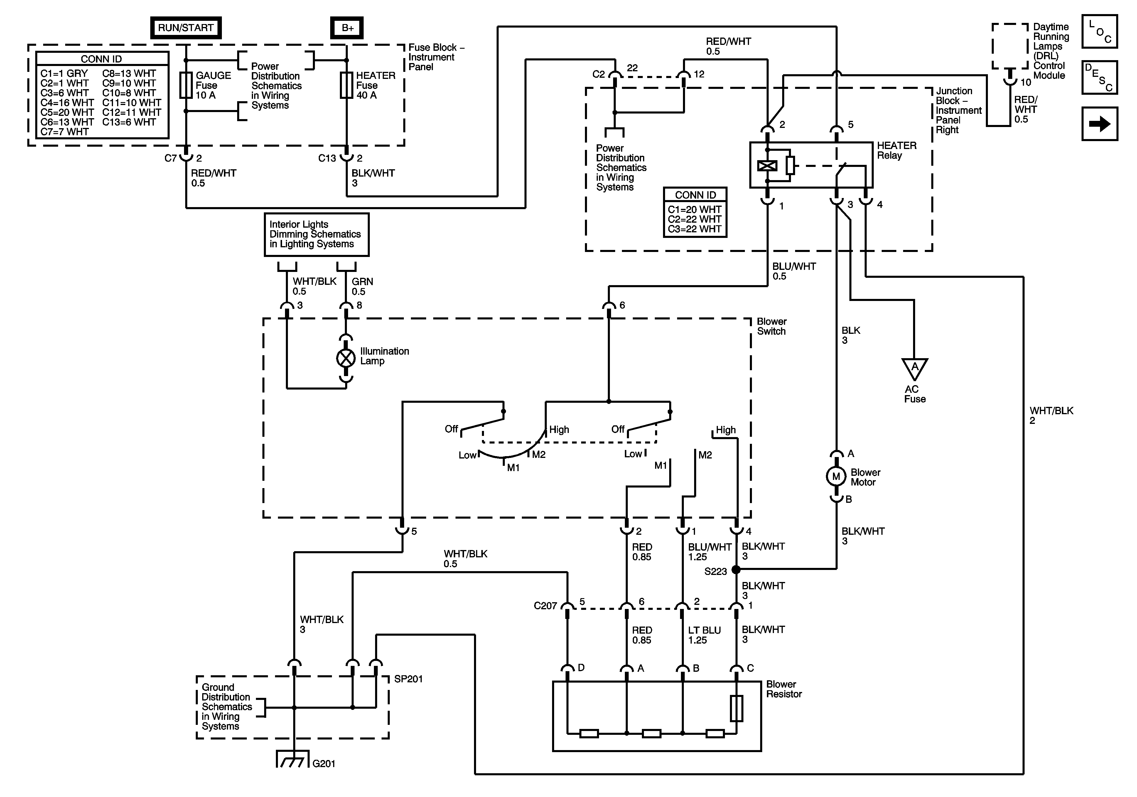
Blower Control


Object Number: 785583  Size: FS
Master Electrical Component List
Air Delivery Description and Operation
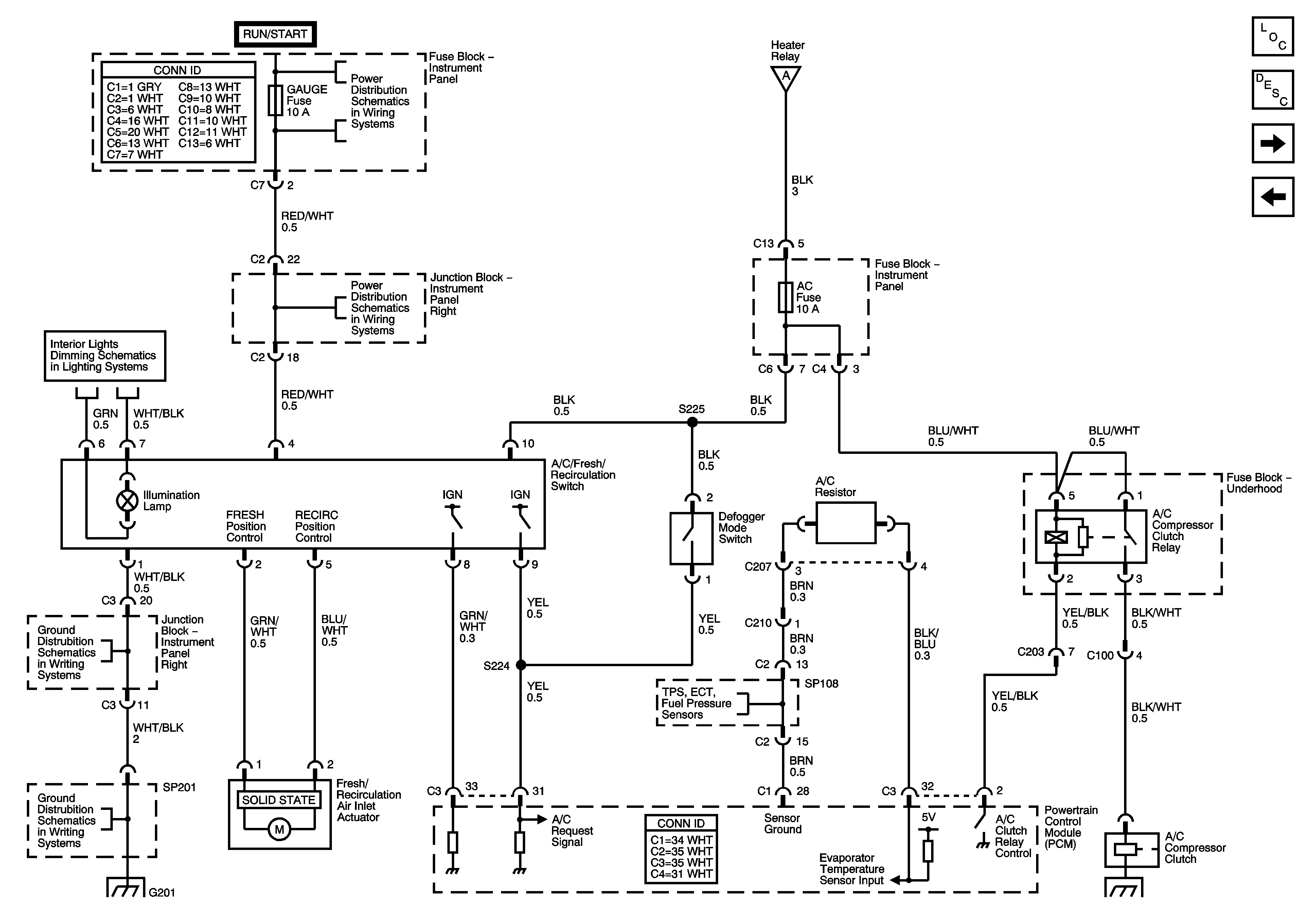
AC Compressor Control
Wash, RR Wip, Wiper, ECU-IG, Gauge, Heater, Def Fuses
IP Lamp Dimmer
Junction Block-Instrument Panel Right
SP201 and G201
Figure 2:

A/C Compressor Control


Object Number: 785586  Size: FS
Master Electrical Component List
Air Temperature Description and Operation
Cooling Fan Control
Blower Control
Wash, RR Wip, Wiper, ECU-IG, Gauge, Heater, Def Fuses
Junction Block-Instrument Panel Right
IP Lamp Dimmer
Junction Block-Instrument Panel Right
SP201 and G201
ECT, Evaporator Temperature, Fuel Tank Pressure, TPS Sensors
ECT, Evaporator Temperature, Fuel Tank Pressure, TP and Air Pump Sensors
Figure 3:

Cooling Fan Control


Object Number: 785588  Size: FS
Master Electrical Component List
Air Temperature Description and Operation
AC Compressor Control
Wash, RR Wip, Wiper, ECU-IG, Gauge, Heater, Def Fuses
Alt, ABS 2, RDI Fan, ABS 1, Fog Fuses
G100, G101 and G102
G103