GM Service Manual Online
For 1990-2009 cars only
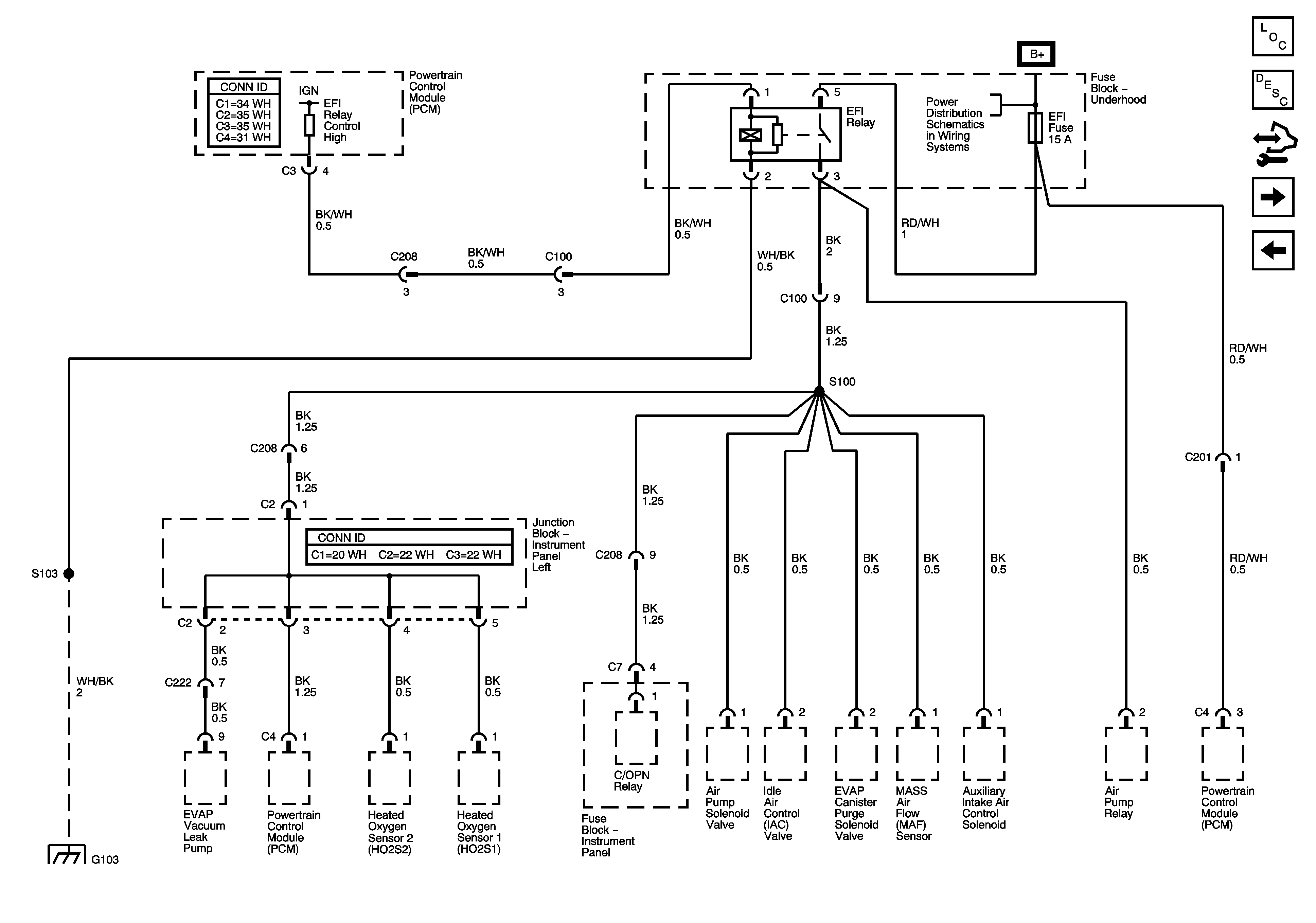
Figure 1:

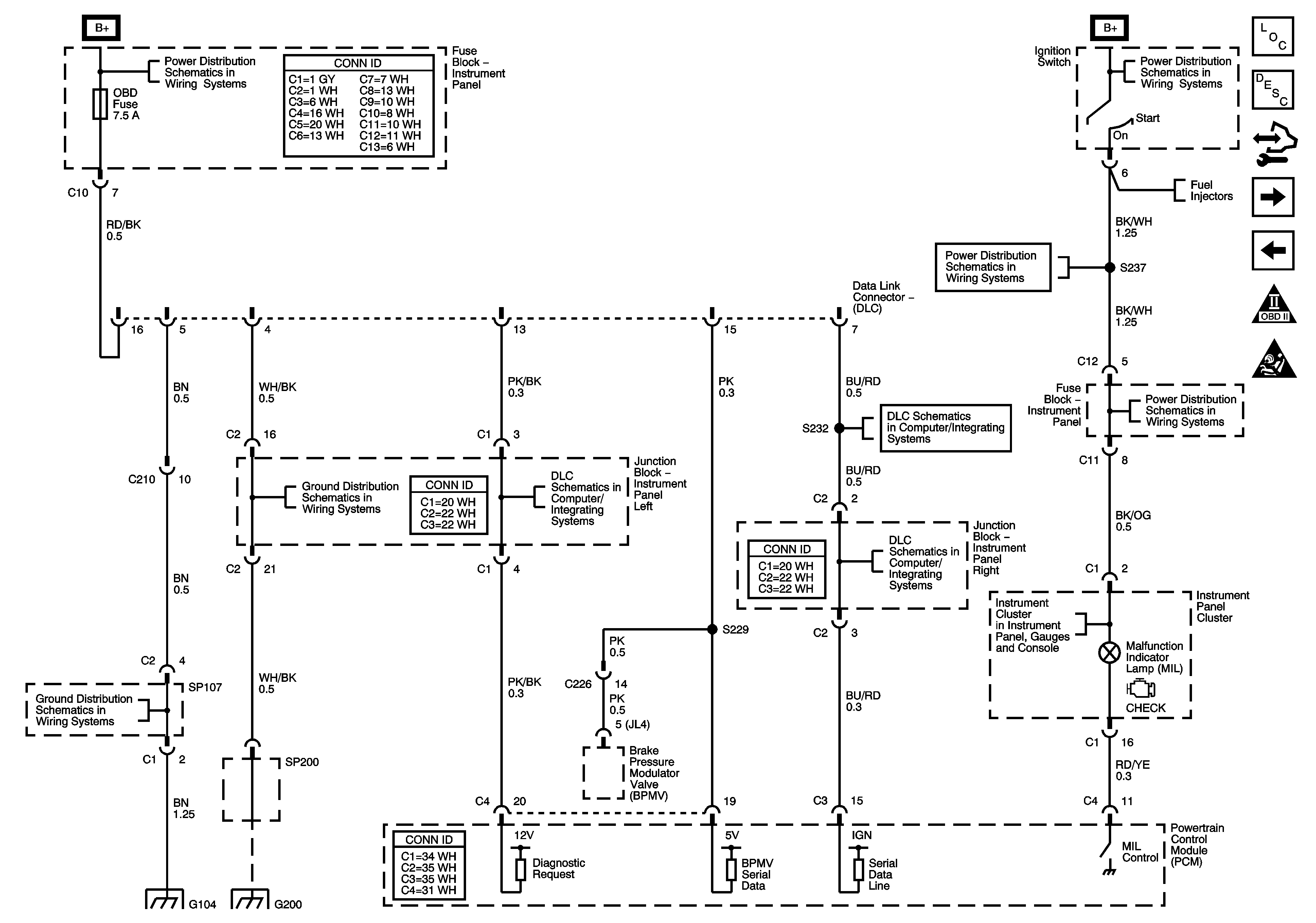
Powertrain Control Module (PCM) Power and Ground


Object Number: 1422240  Size: FS
Master Electrical Component List
Powertrain Control Module Description
Control Module References
EFI Relay S100
Engine Controls Schematic Icons
Horn, Dome, Main, Amp, OnStar Fuses
Air Pump, ETCS, Head, Alt S, EFI, Hazard EFI 2 Fuses
Air Pump, ETCS, Head, Alt S, EFI, Hazard EFI 2 Fuses
Ignition Switch 1 of 2
Air Pump, ETCS, Head, Alt S, EFI, Hazard EFI 2 Fuses
S100
Air Pump, ETCS, Head, Alt S, EFI, Hazard EFI 2 Fuses
Air Pump, ETCS, Head, Alt S, EFI, Hazard EFI 2 Fuses
Air Pump, ETCS, Head, Alt S, EFI, Hazard EFI 2 Fuses
SP107, SP108, G104
SP107, SP108, G104
S103, G103
SP107, SP108, G104
S105, G105, G106, G107, G108
SP201 and G201
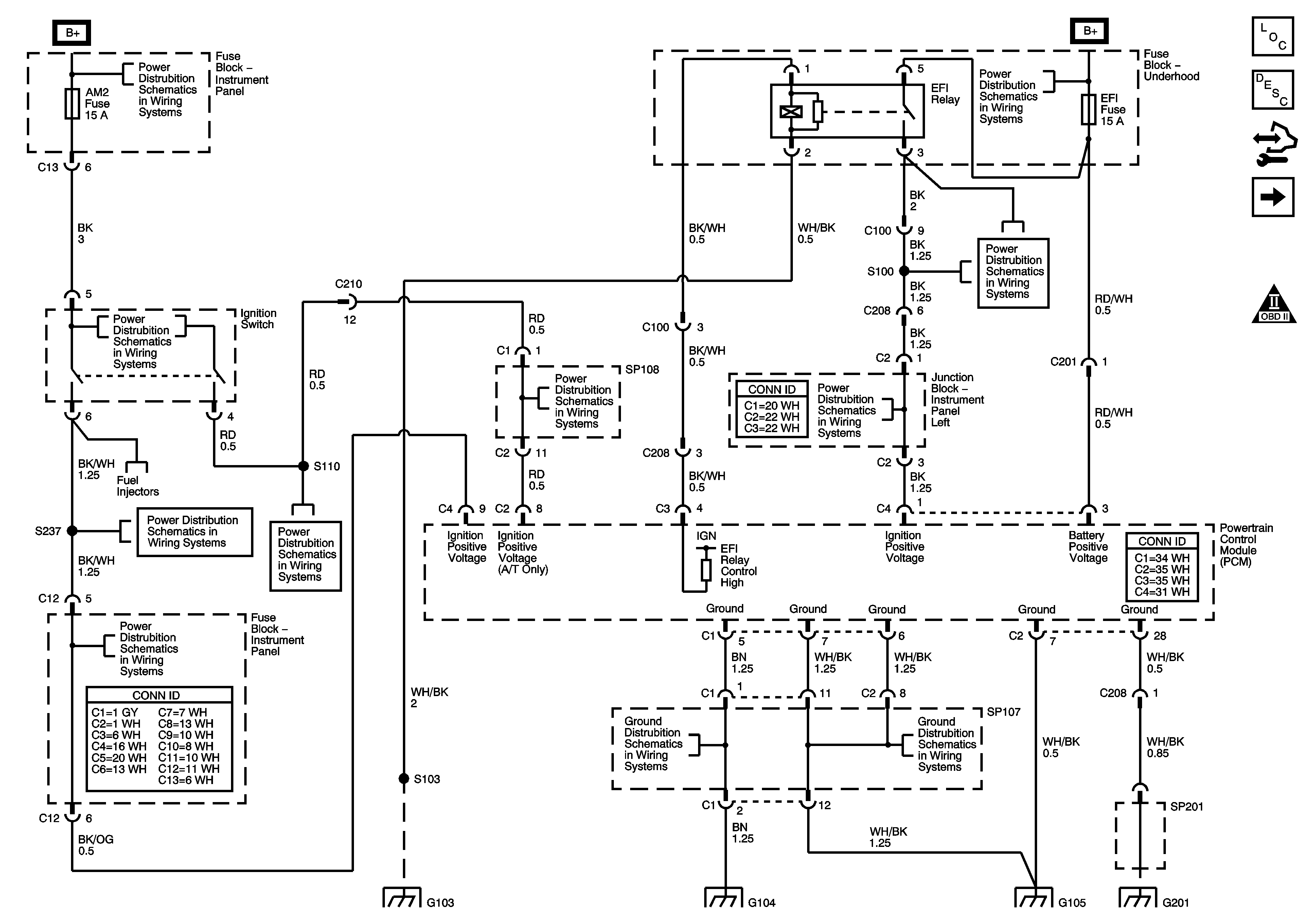
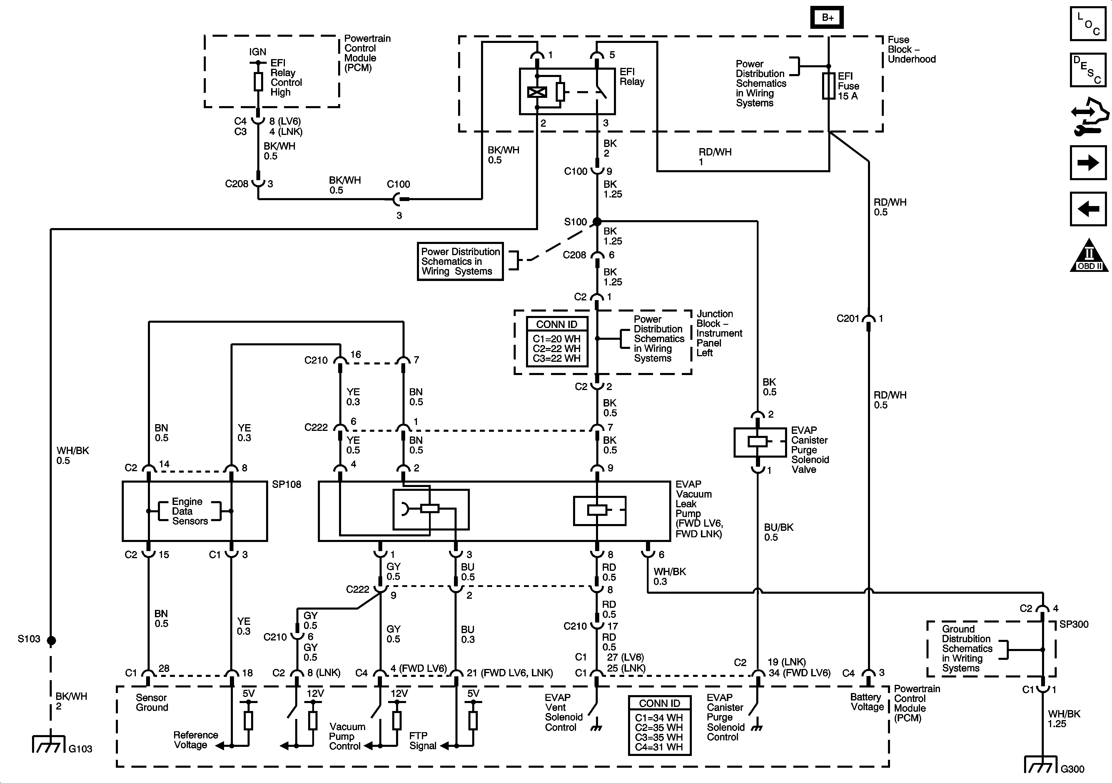
Figure 2:

EFI Relay S100


Object Number: 1422245  Size: FS
Master Electrical Component List
Control Module References
Data Link Connector (DLC)
Powertrain Control Module (PCM) Power and Ground
Air Pump, ETCS, Head, Alt S, EFI, Hazard EFI 2 Fuses
S103, G103
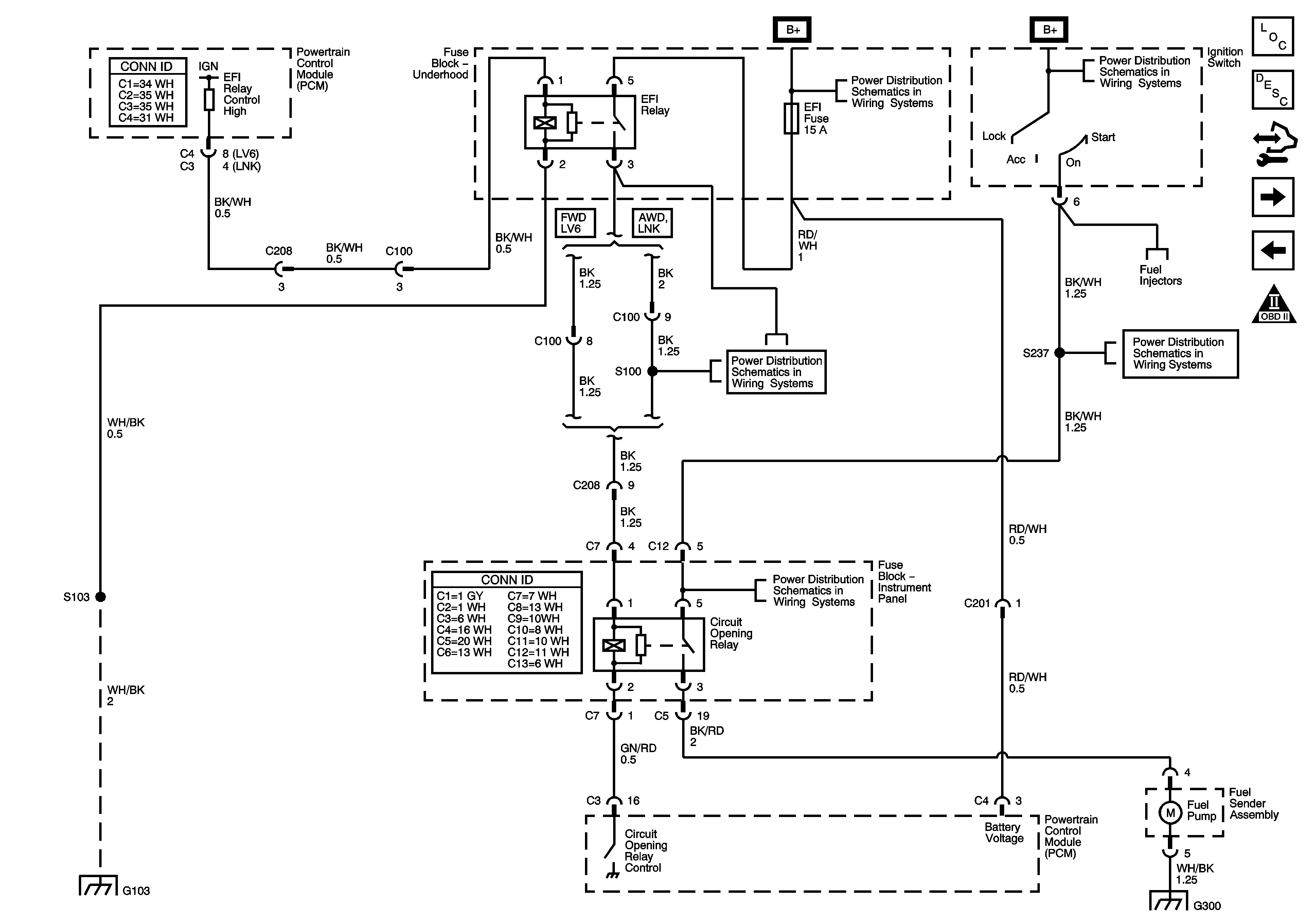
Figure 3:

Data Link Connector (DLC)


Object Number: 1706847  Size: FS
Master Electrical Component List
Control Module References
Fuel Sender Assembly
EFI Relay S100
Engine Controls Schematic Icons
Engine Controls Schematic Icons
Power, AM 1, Door, Tail, P/Point, ECU-B, Stop, OBD, INV Fuses
Ignition Switch 1 of 2
Fuel Injectors
Ignition Switch 2 0f 2
Computer/Integrating Systems DLC Schematic Figure for Graphic 1666852
Ignition Switch 2 0f 2
Junction Block Instrument Panel - Left
Computer/Integrating Systems DLC Schematic Figure for Graphic 1666852
Computer/Integrating Systems DLC Schematic Figure for Graphic 1666852
Charge, Air Bag, Malfunction, O/D OFF, Cruise Indicators
SP107, SP108, G104
SP107, SP108, G104
SP200 and G200
Figure 4:

Fuel Sender Assembly


Object Number: 1706850  Size: FS
Master Electrical Component List
Fuel System Description
Control Module References
Fuel Injectors
Data Link Connector (DLC)
Engine Controls Schematic Icons
Air Pump, ETCS, Head, Alt S, EFI, Hazard EFI 2 Fuses
Ignition Switch 1 of 2
Air Pump, ETCS, Head, Alt S, EFI, Hazard EFI 2 Fuses
Air Pump, ETCS, Head, Alt S, EFI, Hazard EFI 2 Fuses
S103, G103
Figure 5:

Fuel Injectors


Object Number: 1422201  Size: FS
Master Electrical Component List
Fuel System Description
Control Module References
Ignition Coils
Fuel Sender Assembly
Engine Controls Schematic Icons
Ignition Switch 1 of 2
Ignition Switch 1 of 2
Figure 6:

Ignition Coils


Object Number: 1666794  Size: FS
Master Electrical Component List
Electronic Ignition (EI) System Description
Control Module References
Secondary Air Injection (AIR) System
Fuel Injectors
Engine Controls Schematic Icons
Ignition Switch 1 of 2
Air Pump, ETCS, Head, Alt S, EFI, Hazard EFI 2 Fuses
Ignition Switch 1 of 2
S105, G105, G106, G107, G108
S105, G105, G106, G107, G108
Figure 7:

AIR System


Object Number: 1422257  Size: FS
Master Electrical Component List
Secondary Air Injection System Description
Control Module References
Evaporative Emission (EVAP) System
Ignition Coils
Engine Controls Schematic Icons
Ignition Switch 1 of 2
Ignition Switch 1 of 2
Air Pump, ETCS, Head, Alt S, EFI, Hazard EFI 2 Fuses
Air Pump, ETCS, Head, Alt S, EFI, Hazard EFI 2 Fuses
Air Pump, ETCS, Head, Alt S, EFI, Hazard EFI 2 Fuses
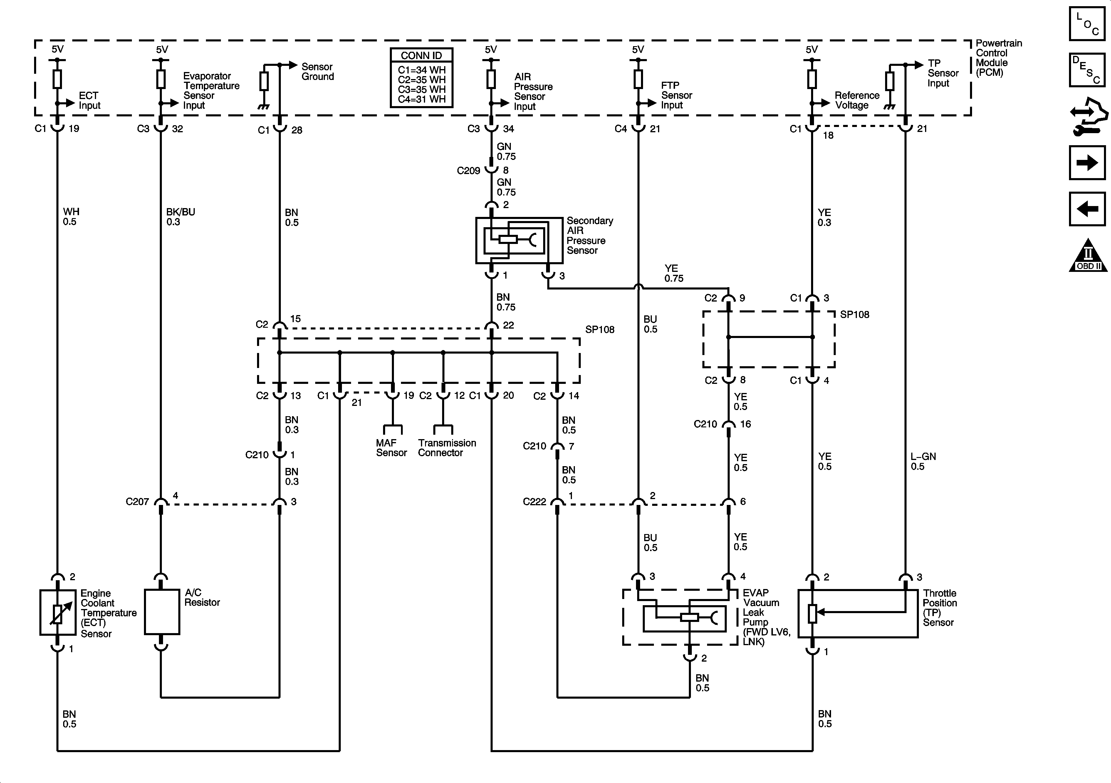
Engine Coolant Temperature (ECT) Sensor, Fuel Tank Pressure (FTP) Sensor, Throttle Position (TP) Sensor, A/C Resistor
S103, G103
S105, G105, G106, G107, G108
S105, G105, G106, G107, G108
Figure 8:

EVAP System


Object Number: 1422200  Size: FS
Master Electrical Component List
Evaporative Emission Control System Description
Control Module References
Idle Air Control (IAC) Valve and Auxiliary Intake Air Solenoid
Secondary Air Injection (AIR) System
Engine Controls Schematic Icons
Air Pump, ETCS, Head, Alt S, EFI, Hazard EFI 2 Fuses
Air Pump, ETCS, Head, Alt S, EFI, Hazard EFI 2 Fuses
S100
S103, G103
G202, G300, G301, G302
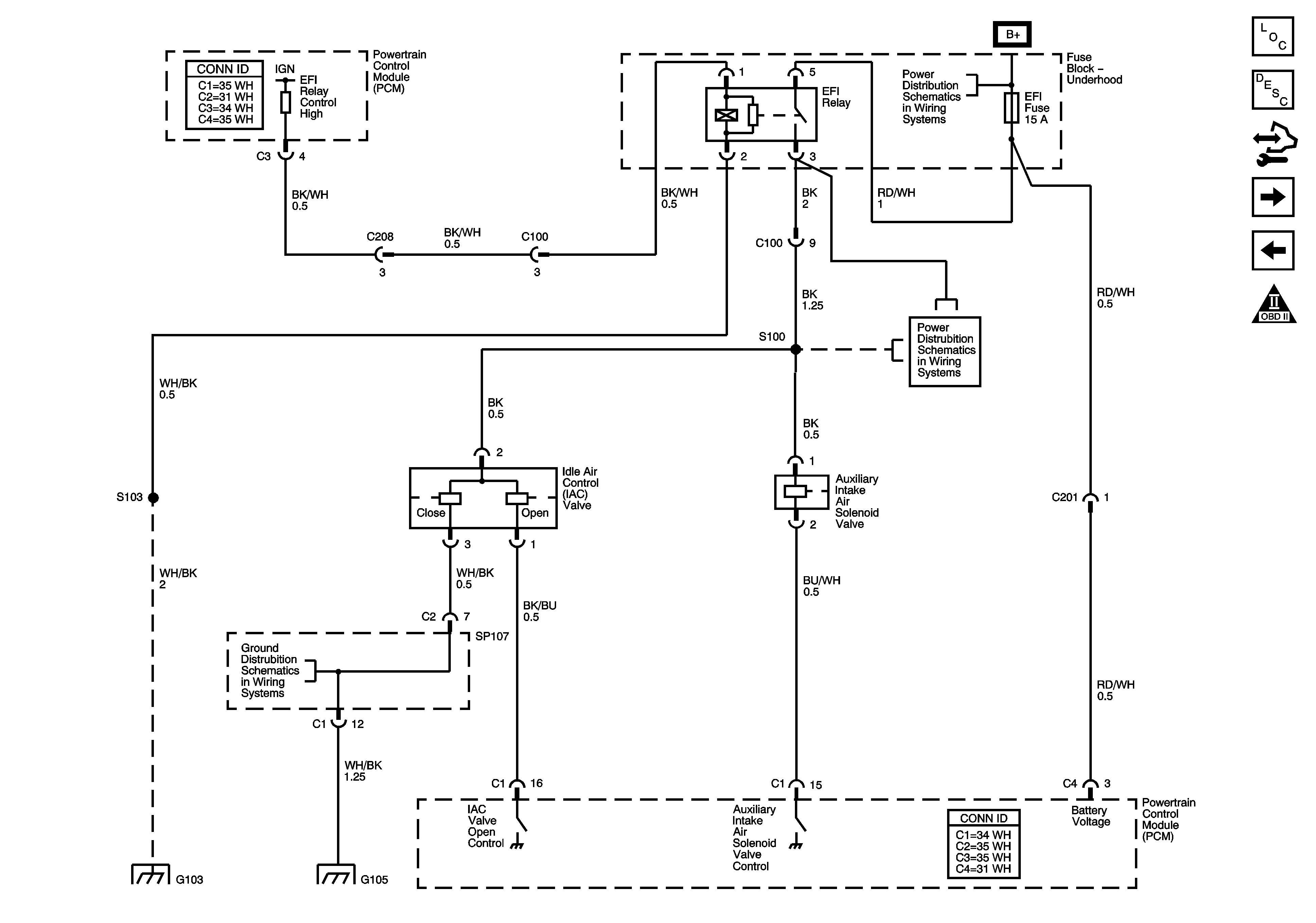
Figure 9:

Idle Air Control Valve, Auxiliary Intake Air Solenoid


Object Number: 1422252  Size: FS
Master Electrical Component List
Air Intake System Description
Control Module References
Engine Coolant Temperature (ECT) Sensor, Fuel Tank Pressure (FTP) Sensor, Throttle Position (TP) Sensor, A/C Resistor
Evaporative Emission (EVAP) System
Engine Controls Schematic Icons
Air Pump, ETCS, Head, Alt S, EFI, Hazard EFI 2 Fuses
Air Pump, ETCS, Head, Alt S, EFI, Hazard EFI 2 Fuses
SP107, SP108, G104
S103, G103
S105, G105, G106, G107, G108
Figure 10:

Engine Coolant Temperature (ECT) Sensor, A/C Resistor, EVAP Vacuum Leak Pump, Throttle Position (TP) Sensor


Object Number: 1422265  Size: FS
Master Electrical Component List
Evaporative Emission Control System Description
Control Module References
Mass Air Flow (MAF) Sensor
Idle Air Control (IAC) Valve and Auxiliary Intake Air Solenoid
Engine Controls Schematic Icons
Figure 11:

Mass Air Flow (MAF) Sensor


Object Number: 1666798  Size: FS
Master Electrical Component List
Control Module References
Knock Sensor (KS), Camshaft Position (CMP) Sensor, Crankshaft Position (CKP) Sensor, CMP Actuator Solenoid Valve
Engine Coolant Temperature (ECT) Sensor, Fuel Tank Pressure (FTP) Sensor, Throttle Position (TP) Sensor, A/C Resistor
Engine Controls Schematic Icons
Air Pump, ETCS, Head, Alt S, EFI, Hazard EFI 2 Fuses
Air Pump, ETCS, Head, Alt S, EFI, Hazard EFI 2 Fuses
Engine Coolant Temperature (ECT) Sensor, Fuel Tank Pressure (FTP) Sensor, Throttle Position (TP) Sensor, A/C Resistor
S103, G103
S103, G103
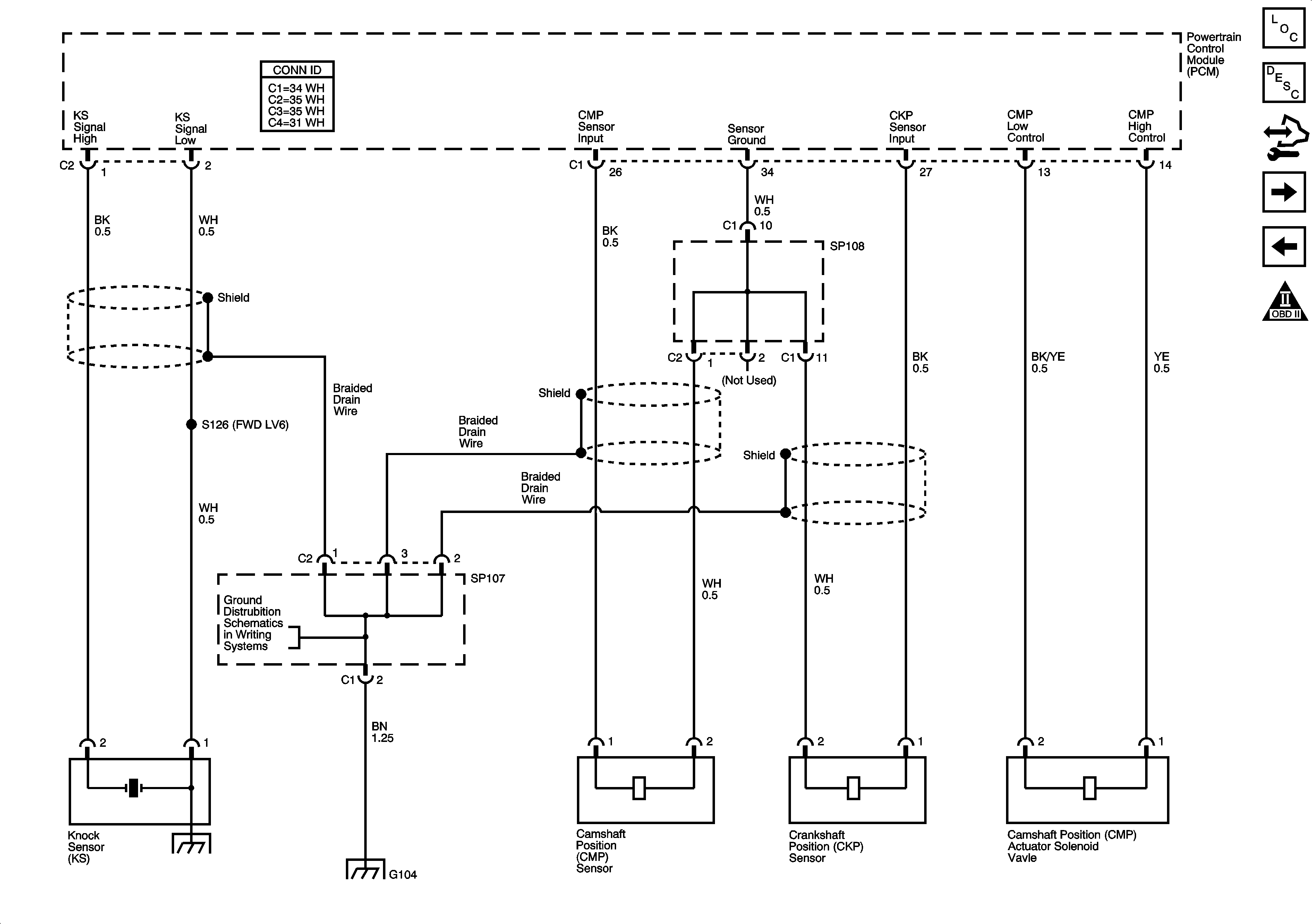
Figure 12:

Knock Sensor (KS), Camshaft Position (CMP), Crankshaft Position (CKP) Sensors, Camshaft Position Actuator Solenoid Valve


Object Number: 1706851  Size: FS
Master Electrical Component List
Camshaft Actuator System Description
Control Module References
Heated Oxygen Sensor (HO2S)
Mass Air Flow (MAF) Sensor
Engine Controls Schematic Icons
SP107, SP108, G104
SP107, SP108, G104
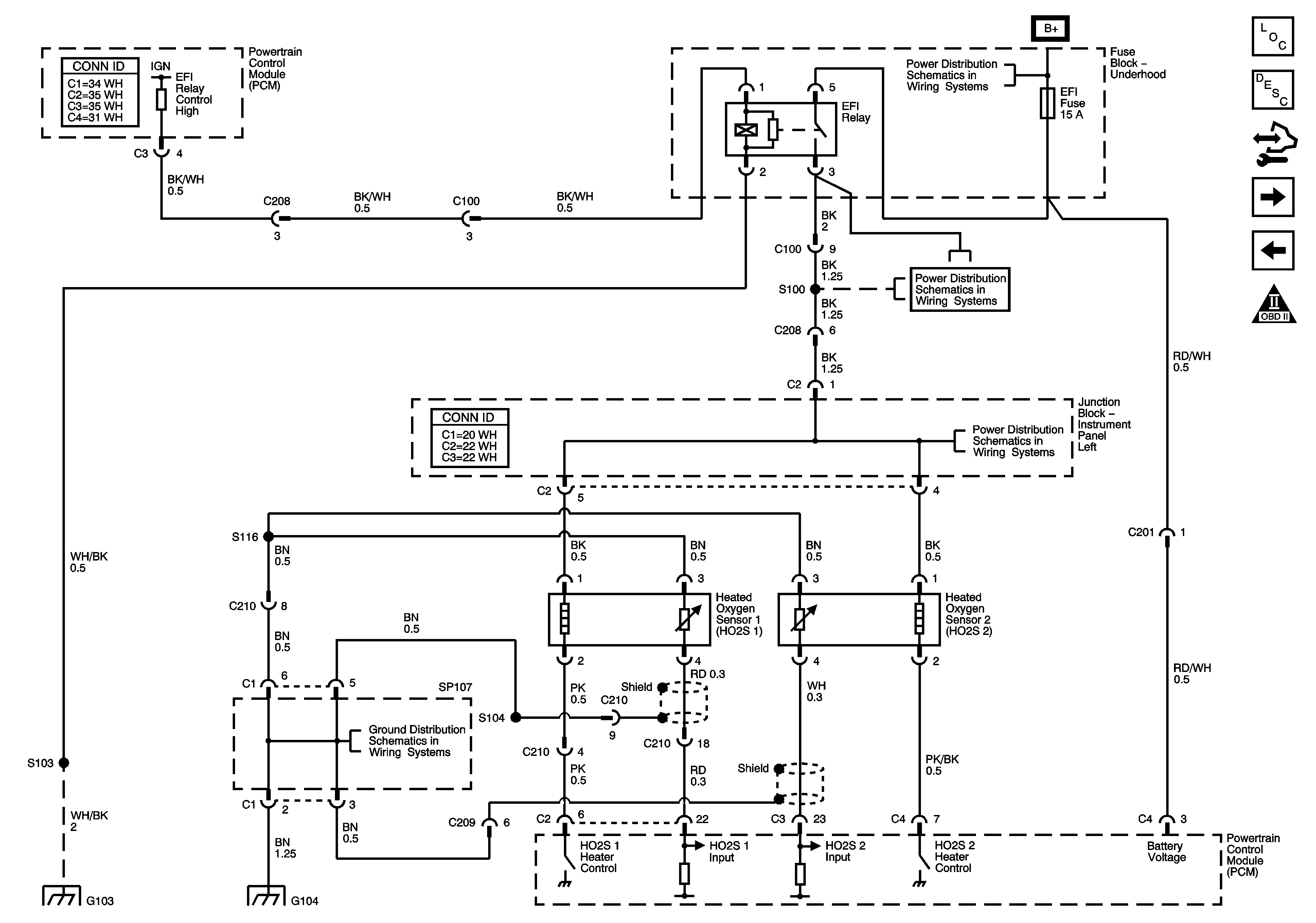
Figure 13:

Heated Oxygen Sensors (HO2S)


Object Number: 1422269  Size: FS
Master Electrical Component List
Control Module References
Vehicle Speed Sensor (VSS)
Knock Sensor (KS), Camshaft Position (CMP) Sensor, Crankshaft Position (CKP) Sensor, CMP Actuator Solenoid Valve
Engine Controls Schematic Icons
Air Pump, ETCS, Head, Alt S, EFI, Hazard EFI 2 Fuses
Air Pump, ETCS, Head, Alt S, EFI, Hazard EFI 2 Fuses
S100
SP107, SP108, G104
S103, G103
SP107, SP108, G104
Figure 14:

Vehicle Speed Signal


Object Number: 1422271  Size: FS
Master Electrical Component List
Control Module References
Rocker Arm Oil Control Solenoid Valve and Rocker Arm Oil Pressure Switch
Heated Oxygen Sensor (HO2S)
Engine Controls Schematic Icons
Wash, RR WIP, Wiper, ECU-IG, Gage, Heater, DEF Fuses
Horn, Dome, Main, Amp, OnStar Fuses
P/W Relay, SP109, S230
Power, AM 1, Door, Tail, P/Point, ECU-B, Stop, OBD, INV Fuses
S100
Headlamps ON Indicator, Crank Signal, Vehicle Speed Signal
Headlamps ON Indicator, Crank Signal, Vehicle Speed Signal
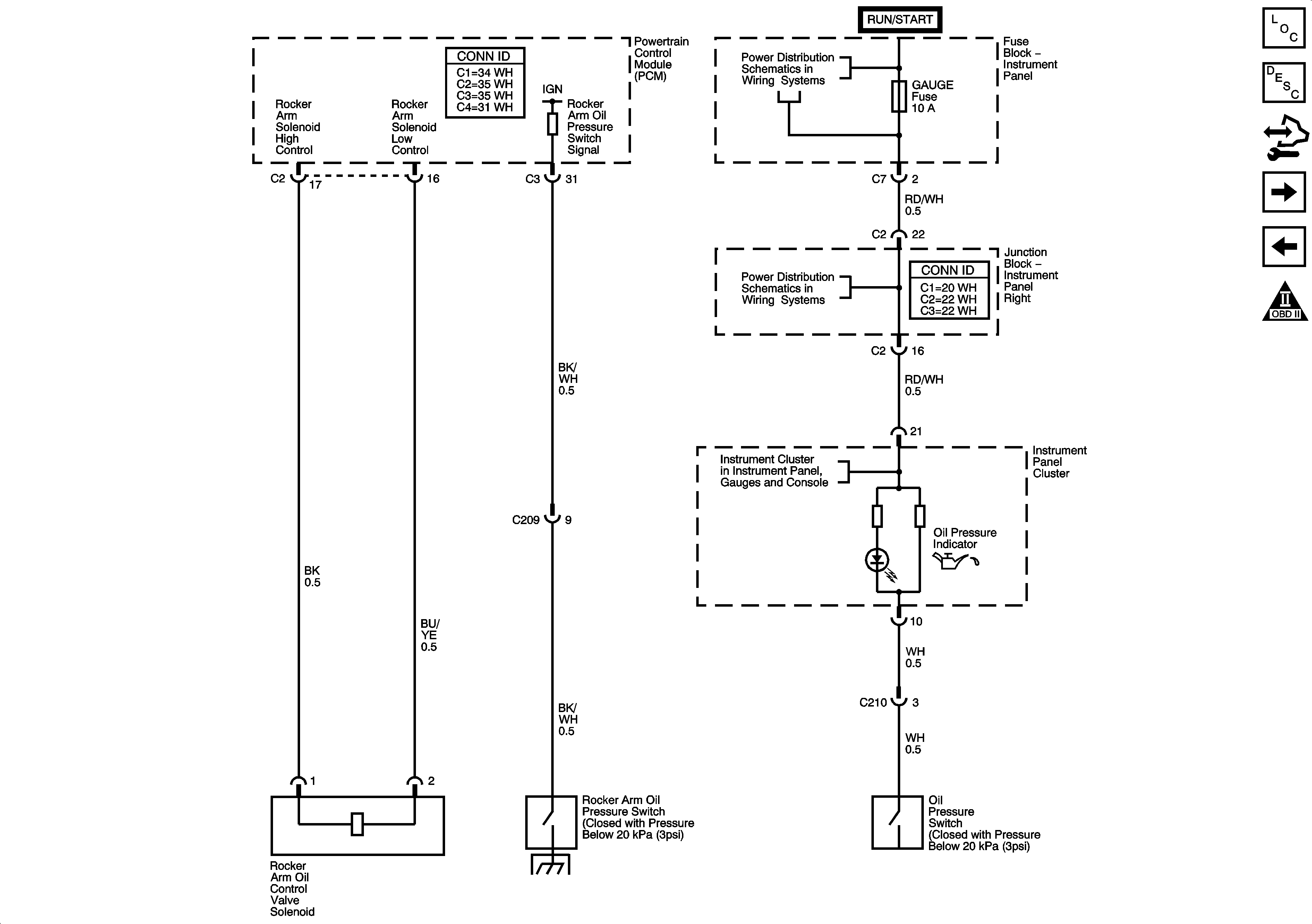
Figure 15:

Rocker Arm Oil Control Valve and Rocker Arm Oil Pressure Switch


Object Number: 1422274  Size: FS
Master Electrical Component List
Rocker Arm Oil Control System Description
Control Module References
Powertrain Control Module (PCM) Idle-Up Inputs
Vehicle Speed Sensor (VSS)
Engine Controls Schematic Icons
Wash, RR WIP, Wiper, ECU-IG, Gage, Heater, DEF Fuses
P/W Relay, SP109, S230
Low Washer Fluid Level, Oil Pressure Indicators, IPC Illumination
Figure 16:

Powertrain Control Module (PCM) Idle-Up Inputs


Object Number: 1706853  Size: FS
Master Electrical Component List
Powertrain Control Module Description
Control Module References
Rocker Arm Oil Control Solenoid Valve and Rocker Arm Oil Pressure Switch
Engine Controls Schematic Icons
Power, AM 1, Door, Tail, P/Point, ECU-B, Stop, OBD, INV Fuses
Wash, RR WIP, Wiper, ECU-IG, Gage, Heater, DEF Fuses
Wash, RR WIP, Wiper, ECU-IG, Gage, Heater, DEF Fuses
Blower Controls
06 S Car Figure for Graphic 1424566 Stationary Windows Schematic
Tail Relay, Turn Signal/Headlamp Switch