GM Service Manual Online
For 1990-2009 cars only
Figure 1:

Multifunction Alarm Module, Remote Control Door Lock Receiver


Object Number: 1426676  Size: FS
Master Electrical Component List
Rear Hatch/Gate Description and Operation
Control Module References
06 S Car Figure for Graphic 1426678 Body Rear End Schematic
Wash, RR WIP, Wiper, ECU-IG, Gage, Heater, DEF Fuses
Power, AM 1, Door, Tail, P/Point, ECU-B, Stop, OBD, INV Fuses
Start Relay, Starter Cut Relay, Theft Deterrent Module, Powertrain Control Module (PCM)
SP200 and G200
SP201 and G201
Figure 2:

Multifunction Alarm Module, Rear Door Lock, Glass Hatch and Tailgate Actuators


Object Number: 1426678  Size: FS
Master Electrical Component List
Rear Hatch/Gate Description and Operation
Control Module References
06 S Car Figure for Graphic 1426679 Body Rear End Schematic
06 S Car Figure for Graphic 1426676 Body Rear End Schematic
Tail Relay, Turn Signal/Headlamp Switch
Tail Relay, Turn Signal/Headlamp Switch
SP400
SP300
G202, G300, G301, G302
SP201 and G201
SP200 and G200
Figure 3:

Door Lock Switches and Front Door Lock Actuators


Object Number: 1426679  Size: FS
Master Electrical Component List
Rear Hatch/Gate Description and Operation
Control Module References
06 S Car Figure for Graphic 1481319 Body Rear End Schematic
06 S Car Figure for Graphic 1426678 Body Rear End Schematic
Start Relay, Starter Cut Relay, Theft Deterrent Module, Powertrain Control Module (PCM)
Start Relay, Starter Cut Relay, Theft Deterrent Module, Powertrain Control Module (PCM)
Cellular Communication OnStar Schematic Figure for Graphic 1424554
SP200 and G200
SP201 and G201
Figure 4:

Door Lock Switches and Front Door Lock Actuators


Object Number: 1481319  Size: FS
Master Electrical Component List
Rear Hatch/Gate Description and Operation
Control Module References
06 S Car Figure for Graphic 1426712 Body Rear End Schematic
06 S Car Figure for Graphic 1426679 Body Rear End Schematic
Body Rear End Schematic Icons
Figure 5:

Multifunction Alarm Module, Horn, Hazard, Turn Signal/Headlamp Switches


Object Number: 1426712  Size: FS
Master Electrical Component List
Rear Hatch/Gate Description and Operation
Control Module References
06 S Car Figure for Graphic 1426680 Body Rear End Schematic
06 S Car Figure for Graphic 1481319 Body Rear End Schematic
Start Relay, Starter Cut Relay, Theft Deterrent Module, Powertrain Control Module (PCM)
Daytime Running Lamp (DRL) Control Module Power and Ground, Ambient Light Sensor
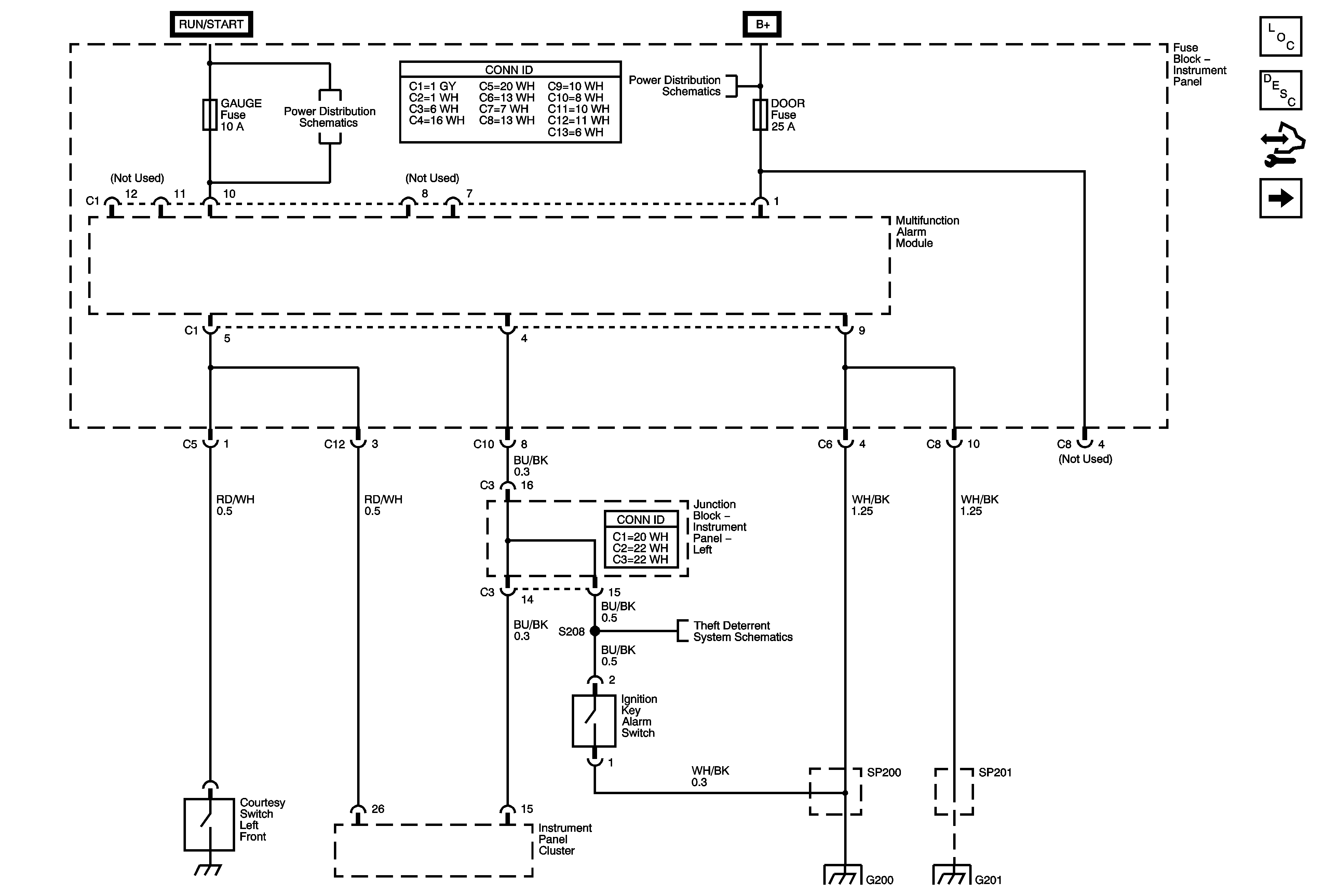
Figure 6:

Multifunction Alarm Modules and Courtesy Switches


Object Number: 1426680  Size: FS
Master Electrical Component List
Rear Hatch/Gate Description and Operation
Control Module References
06 S Car Figure for Graphic 1426712 Body Rear End Schematic
High Beam Door Open, Engine Coolant Temperature (ECT) Indicators
Dome/Courtesy Lamps
SP400
G202, G300, G301, G302