GM Service Manual Online
For 1990-2009 cars only
Makes
🢒
Pontiac
🢒
2006
🢒
Vibe - AWD
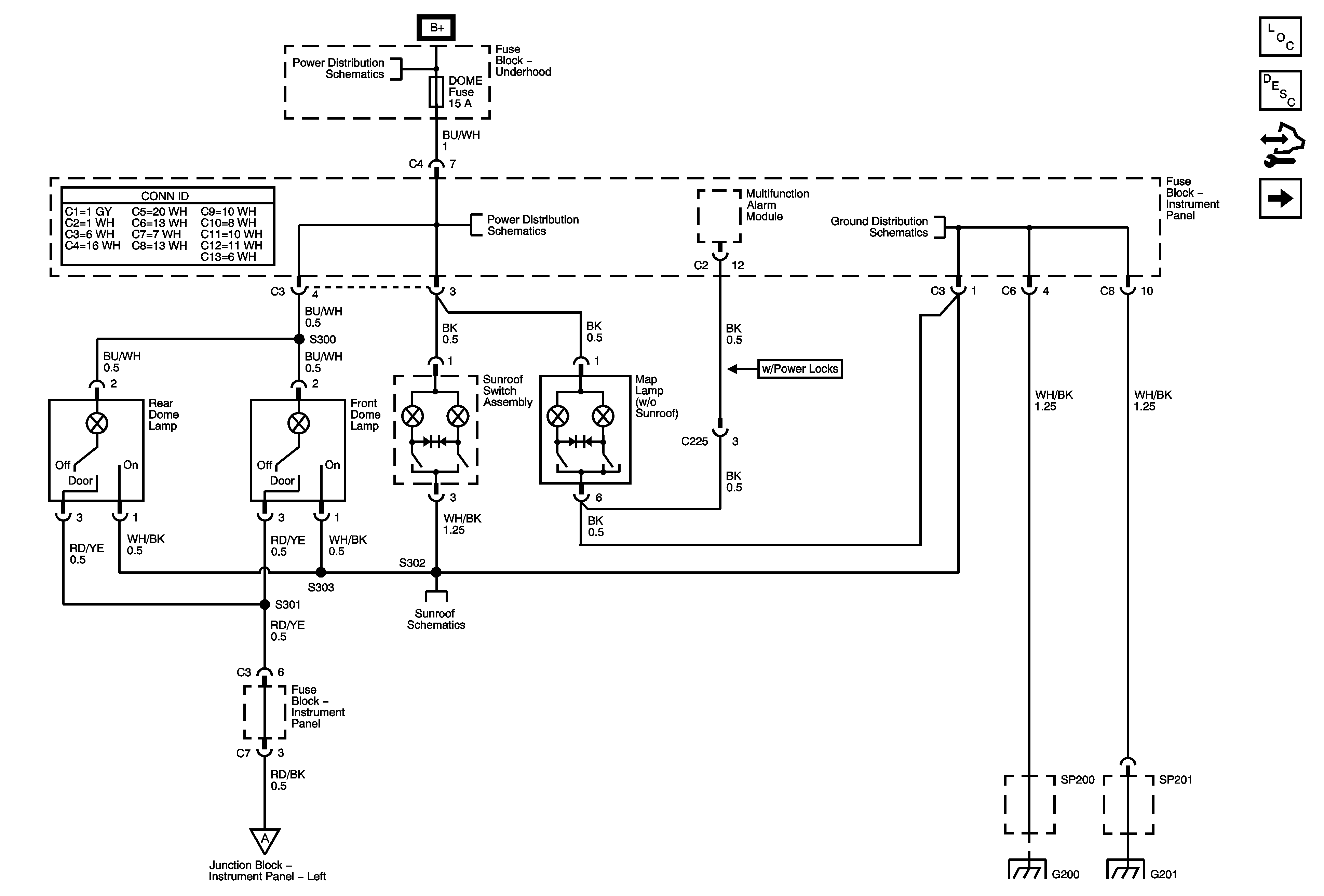
🢒 Dome/Courtesy Lamps
Dome/Courtesy Lamps
Dome/Courtesy Lamps
Master Electrical Component List
Interior Lighting Systems Description and Operation
Control Module References
Dome/Courtesy Lamp Switches
Horn, Dome, Main, Amp, OnStar Fuses
Fuse Block - Instrument Panel
06 S Car Figure for Graphic 1426641 Roof Schematic
SP200 and G200
SP201 and G201