GM Service Manual Online
For 1990-2009 cars only
Figure 1:

Powertrain Control Module (PCM) Power and Ground


Object Number: 785454  Size: FS
Master Electrical Component List
Transmission General Description
Park/Neutral Position (PNP) Switch
OBD II Symbol Description Notice
HORN, DOME, MAIN and AMP Fuses
POWER, AM-1, DOOR, TAIL, P/POINT, ECU-B, STOP, OBD and INV Fuses
Ignition Switch, CIG and IG 1 Fuses
Ignition Switch and C/OPN Relay
Ignition Switch and C/OPN Relay
Ignition Switch and C/OPN Relay
Ignition Switch, CIG and IG 1 Fuses
S103 and G103
H-MAIN, ALT-S, EFI and HAZ Fuses
S100
S100
SP107, SP108 and G104
S105, SP107, G105 and G106
SP201 and G201
Figure 2:

Park/Neutral Position (PNP) Switch


Object Number: 785559  Size: FS
Master Electrical Component List
Transmission General Description
OBD II Symbol Description Notice
Transmission Connector
Powertrain Control Module (PCM) Power and Ground
Ignition Switch, CIG and IG 1 Fuses
Ignition Switch, CIG and IG 1 Fuses
Starting System
Back Up Lamps
POWER, AM-1, DOOR, TAIL, P/POINT, ECU-B, STOP, OBD and INV Fuses
WASH, RR WIP, WIPER, ECU-IG, GAUGE, HEATER, and DEF Fuses
Ignition Switch, CIG and IG 1 Fuses
Ignition Switch, CIG and IG 1 Fuses
Figure 3:

Transmission Connector


Object Number: 785471  Size: FS
Master Electrical Component List
Transmission General Description
OBD II Symbol Description Notice
VSS, O/D Indicator
Park/Neutral Position (PNP) Switch
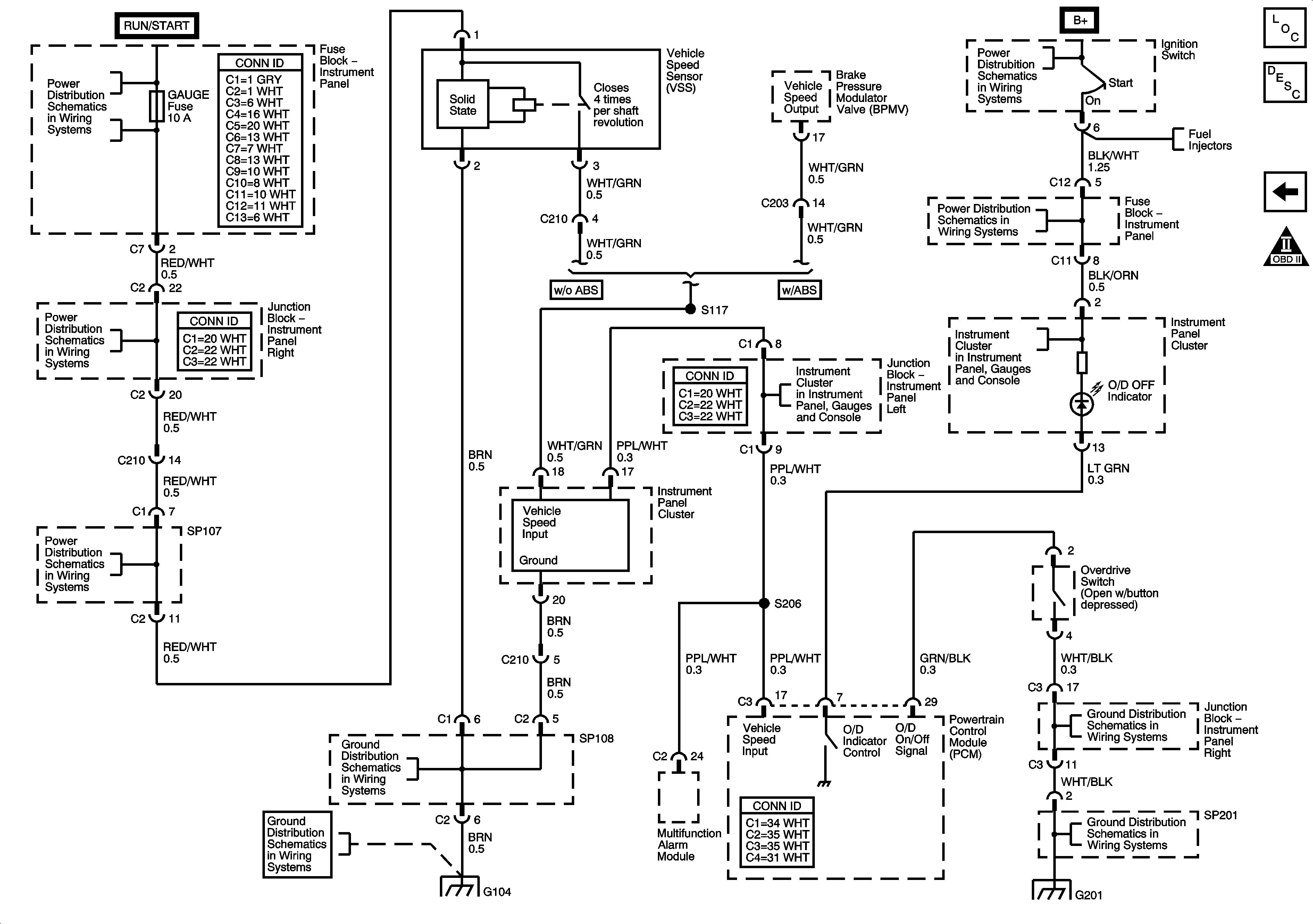
Figure 4:

Vehicle Speed Sensor (VSS), O/D Indicator


Object Number: 787241  Size: FS
Master Electrical Component List
Transmission General Description
Transmission Connector
WASH, RR WIP, WIPER, ECU-IG, GAUGE, HEATER, and DEF Fuses
WASH, RR WIP, WIPER, ECU-IG, GAUGE, HEATER, and DEF Fuses
Heater Relay, Right Instrument Panel Junction Block
SP107, SP108 and G104
SP107, SP108 and G104
Ignition Switch and C/OPN Relay
Ignition Switch and C/OPN Relay
Fuel Gauge, Seat Belt, Low Fuel Indicators and Seat Belt Buzzer
Right Instrument Panel Junction Block
SP201 and G201