GM Service Manual Online
For 1990-2009 cars only
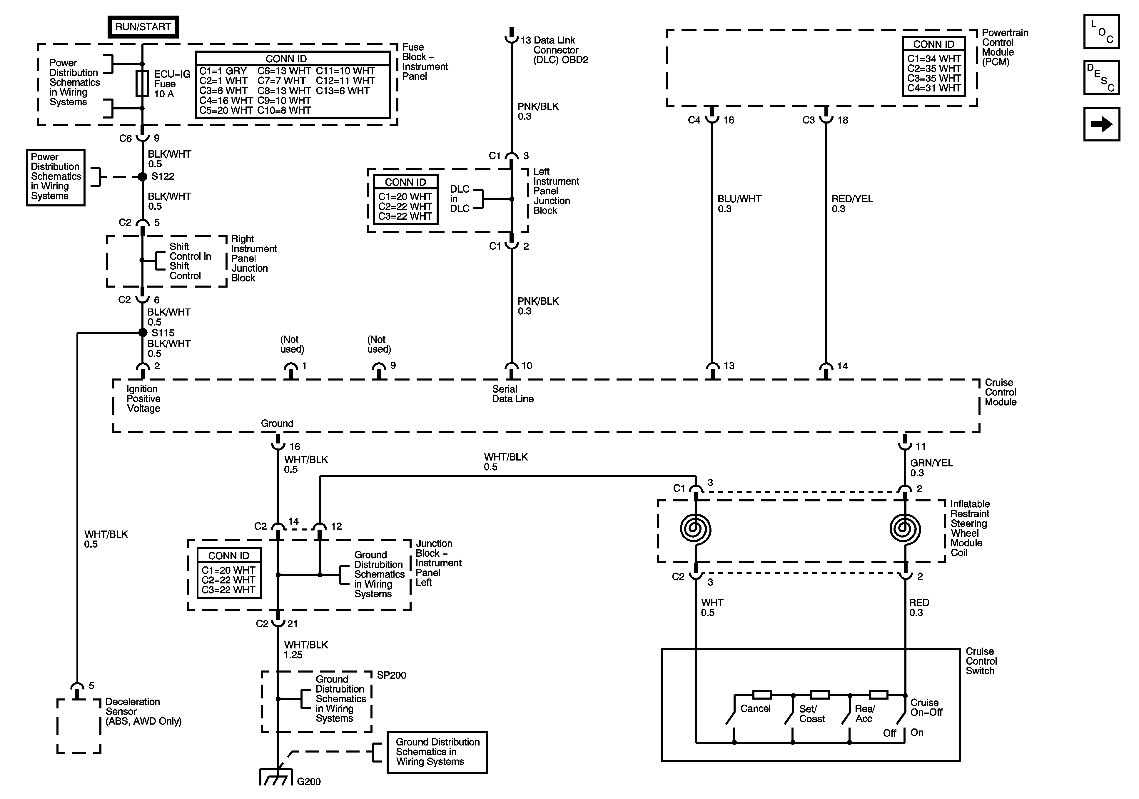
Figure 1:

Cruise Control Module and Cruise Control Switch


Object Number: 785600  Size: FS
Master Electrical Component List
Cruise Control Description and Operation
Cruise Control Module, Indicator and Release Switch
WASH, RR WIP, WIPER, ECU-IG, GAUGE, HEATER, and DEF Fuses
Shiftlock Control Schematics
Left Instrument Panel Junction Block
SP200 and G200
Data Link Communications Schematics (2 of 2)
Figure 2:

Cruise Control Module and Cruise Control Indicator


Object Number: 785601  Size: FS
Master Electrical Component List
Cruise Control Description and Operation
Cruise Control Module and Servo and Stoplamp Switch
Cruise Control Module and Switch
WASH, RR WIP, WIPER, ECU-IG, GAUGE, HEATER, and DEF Fuses
Heater Relay, Right Instrument Panel Junction Block
Heater Relay, Right Instrument Panel Junction Block
Ignition Switch and C/OPN Relay
Ignition Switch and C/OPN Relay
Charge, Air Bag, Malfunction, O/D Off, Cruise Indicators
Figure 3:

Cruise Control Servo and Stop Lamp Switch


Object Number: 785603  Size: FS
Master Electrical Component List
Cruise Control Description and Operation
Cruise Control Module, Indicator and Release Switch
Left Instrument Panel Junction Block
SP200 and G200
Headlamps
POWER, AM-1, DOOR, TAIL, P/POINT, ECU-B, STOP, OBD and INV Fuses