GM Service Manual Online
For 1990-2009 cars only
Figure 1:

Powertrain Control Module (PCM) Power and Ground


Object Number: 785454  Size: FS
Master Electrical Component List
Transmission General Description
Park/Neutral Position (PNP) Switch
OBD II Symbol Description Notice
HORN, DOME, MAIN and AMP Fuses
POWER, AM-1, DOOR, TAIL, P/POINT, ECU-B, STOP, OBD and INV Fuses
Ignition Switch, CIG and IG 1 Fuses
Ignition Switch and C/OPN Relay
Ignition Switch and C/OPN Relay
Ignition Switch and C/OPN Relay
Ignition Switch, CIG and IG 1 Fuses
S103 and G103
H-MAIN, ALT-S, EFI and HAZ Fuses
S100
S100
SP107, SP108 and G104
S105, SP107, G105 and G106
SP201 and G201
Figure 2:

Park/Neutral Position (PNP) Switch


Object Number: 785559  Size: FS
Master Electrical Component List
Transmission General Description
OBD II Symbol Description Notice
Transmission Connector
Powertrain Control Module (PCM) Power and Ground
Ignition Switch, CIG and IG 1 Fuses
Ignition Switch, CIG and IG 1 Fuses
Starting System
Back Up Lamps
POWER, AM-1, DOOR, TAIL, P/POINT, ECU-B, STOP, OBD and INV Fuses
WASH, RR WIP, WIPER, ECU-IG, GAUGE, HEATER, and DEF Fuses
Ignition Switch, CIG and IG 1 Fuses
Heater Relay, Right Instrument Panel Junction Block
Figure 3:

Transmission Connector


Object Number: 785474  Size: FS
Master Electrical Component List
Transmission General Description
OBD II Symbol Description Notice
Vehicle Speed Input, O/D Switch and Indicator
Park/Neutral Position (PNP) Switch
ECT, FTP, TPS, Evaporator Temp Sensors
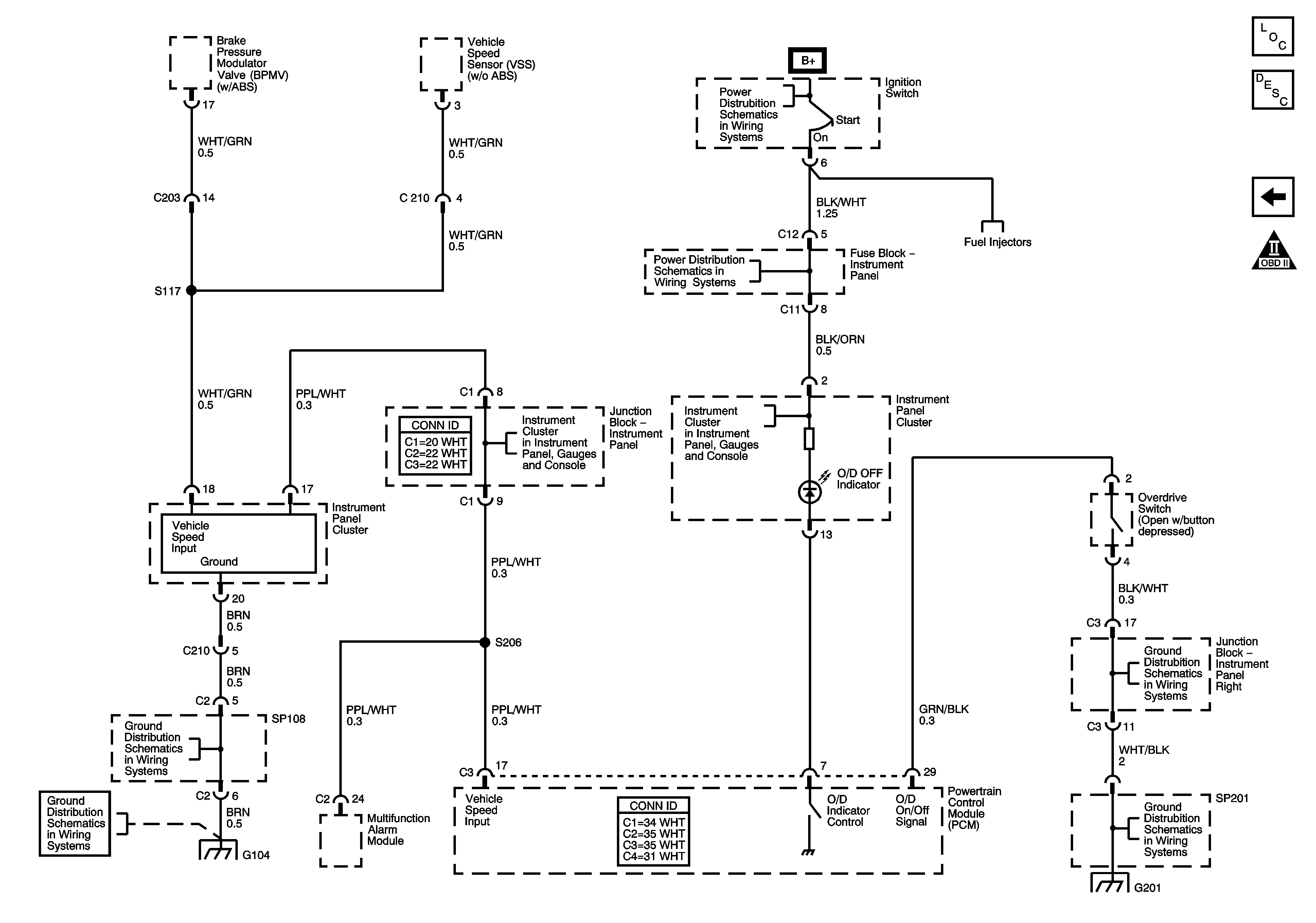
Figure 4:

Vehicle Speed Input, O/D Switch and Indicator


Object Number: 787242  Size: FS
Master Electrical Component List
Transmission General Description
Transmission Connector
Ignition Switch and C/OPN Relay
Ignition Switch and C/OPN Relay
Fuel Gauge, Seat Belt, Low Fuel Indicators and Seat Belt Buzzer
Right Instrument Panel Junction Block
SP201 and G201
SP107, SP108 and G104
SP107, SP108 and G104
Tachometer, Speedometer and Headlamps ON Indicator