GM Service Manual Online
For 1990-2009 cars only
Makes
🢒
Pontiac
🢒
2003
🢒
Vibe - FWD
🢒
Body and Accessories
🢒
Lighting Systems
🢒 Headlights/Daytime Running Lights (DRL) Schematics
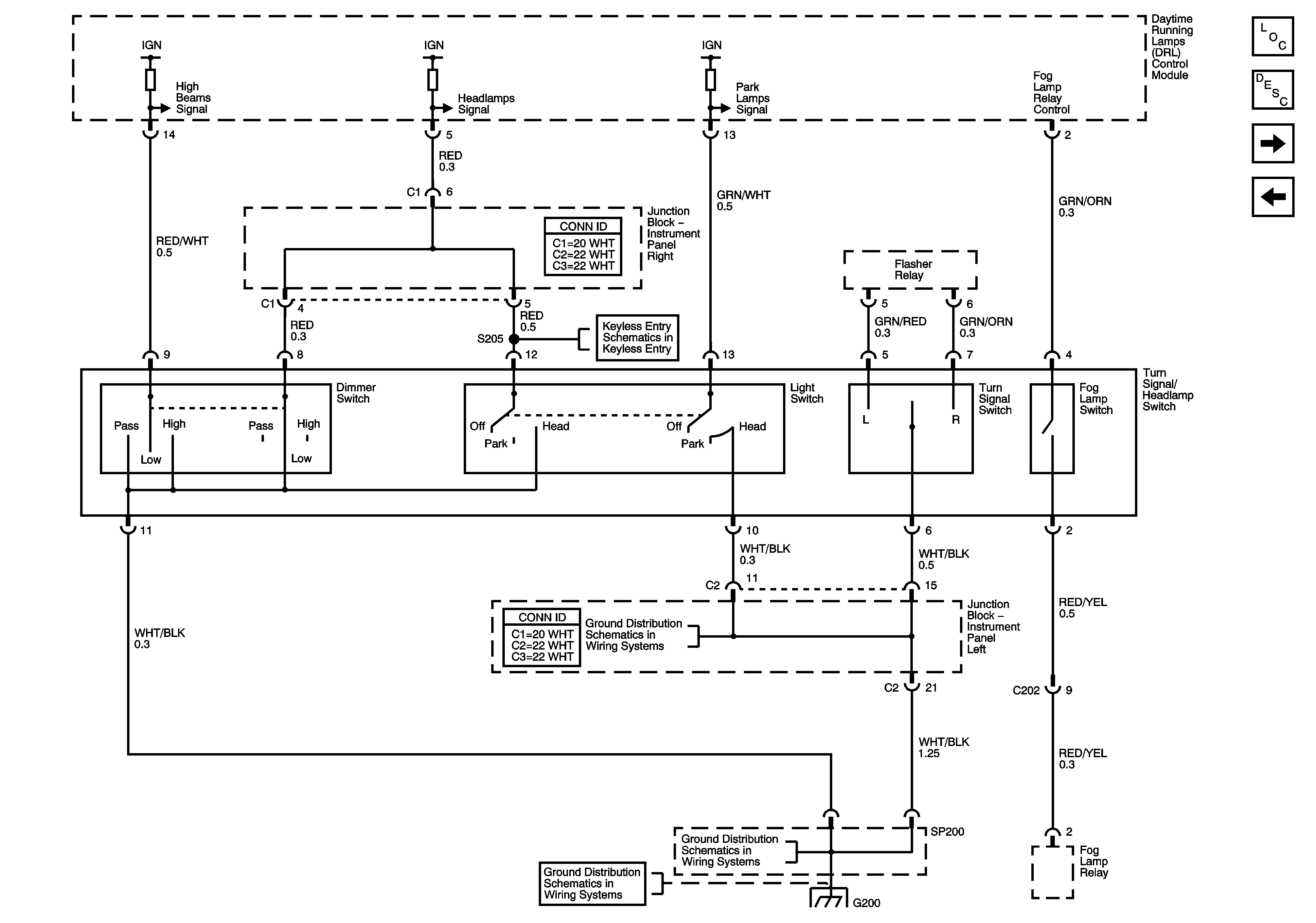
Figure
1:
DRL Control Module, Ambient Light Sensor
Master Electrical Component List
Exterior Lighting Systems Description and Operation
Turn Signal/Headlamp Switch
POWER, AM-1, DOOR, TAIL, P/POINT, ECU-B, STOP, OBD and INV Fuses
Heater Relay, Right Instrument Panel Junction Block
Charge, Air Bag, Malfunction, O/D Off, Cruise Indicators
Tachometer, Speedometer and Headlamps ON Indicator
S103 and G103
SP201 and G201
Figure
2:
Turn Signal/Headlamp Switch
Master Electrical Component List
Exterior Lighting Systems Description and Operation
Headlamps
DRL Control Module, Ambient Light Sensor
Left Instrument Panel Junction Block
SP200 and G200
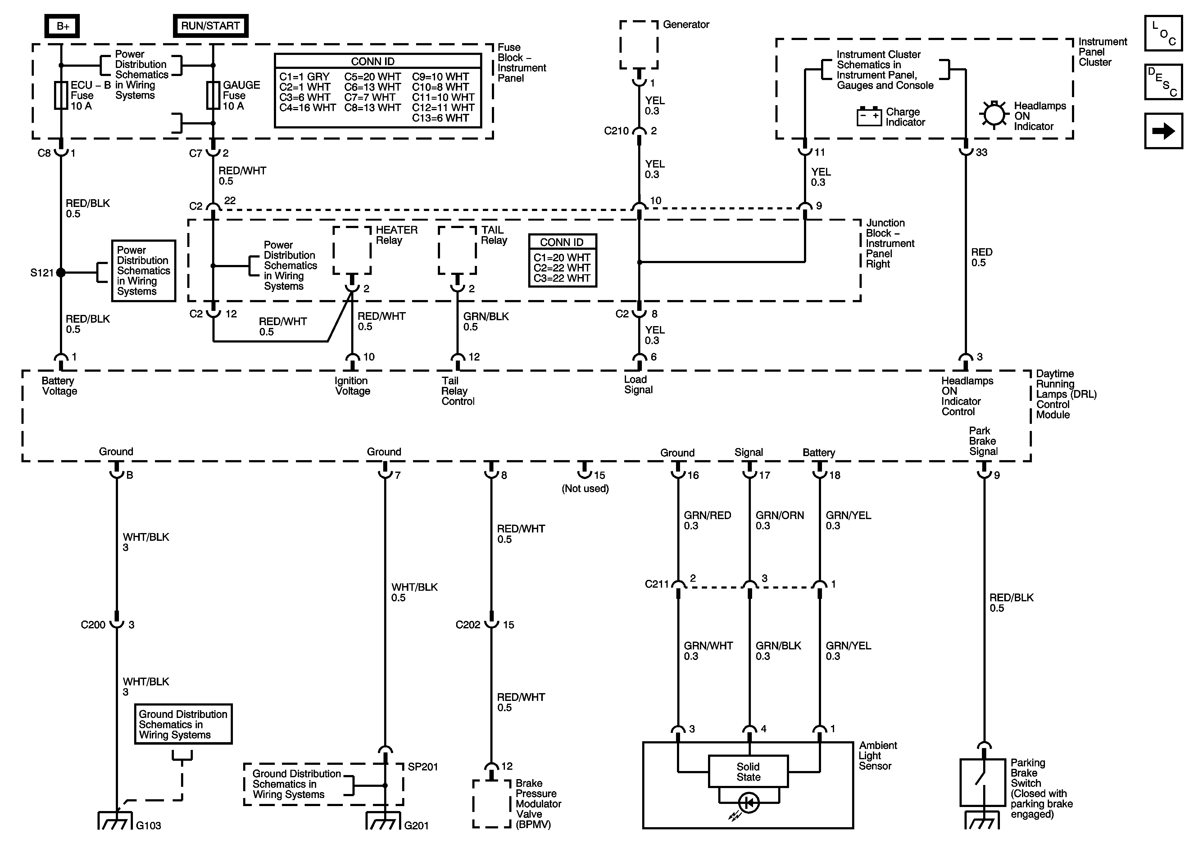
Figure
3:
Headlamps
Master Electrical Component List
Exterior Lighting Systems Description and Operation
Turn Signal/Headlamp Switch
H-MAIN, ALT-S, EFI and HAZ Fuses
S103 and G103