GM Service Manual Online
For 1990-2009 cars only
Figure 1:

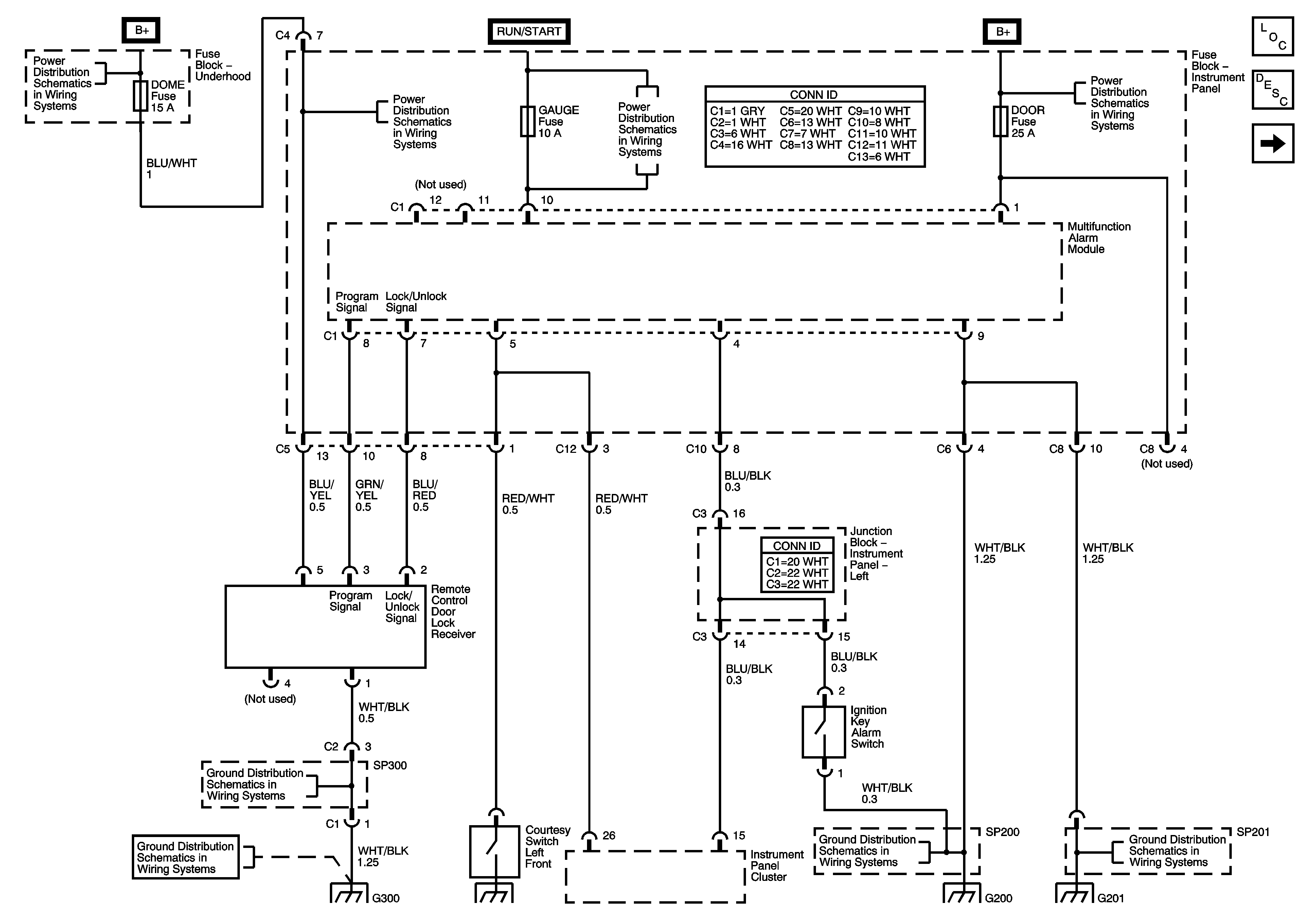
Gauge and Door Fuses, Multifunction Alarm Module and Remote Control Door Lock Receiver


Object Number: 785637  Size: FS
Master Electrical Component List
Keyless Entry System Description and Operation
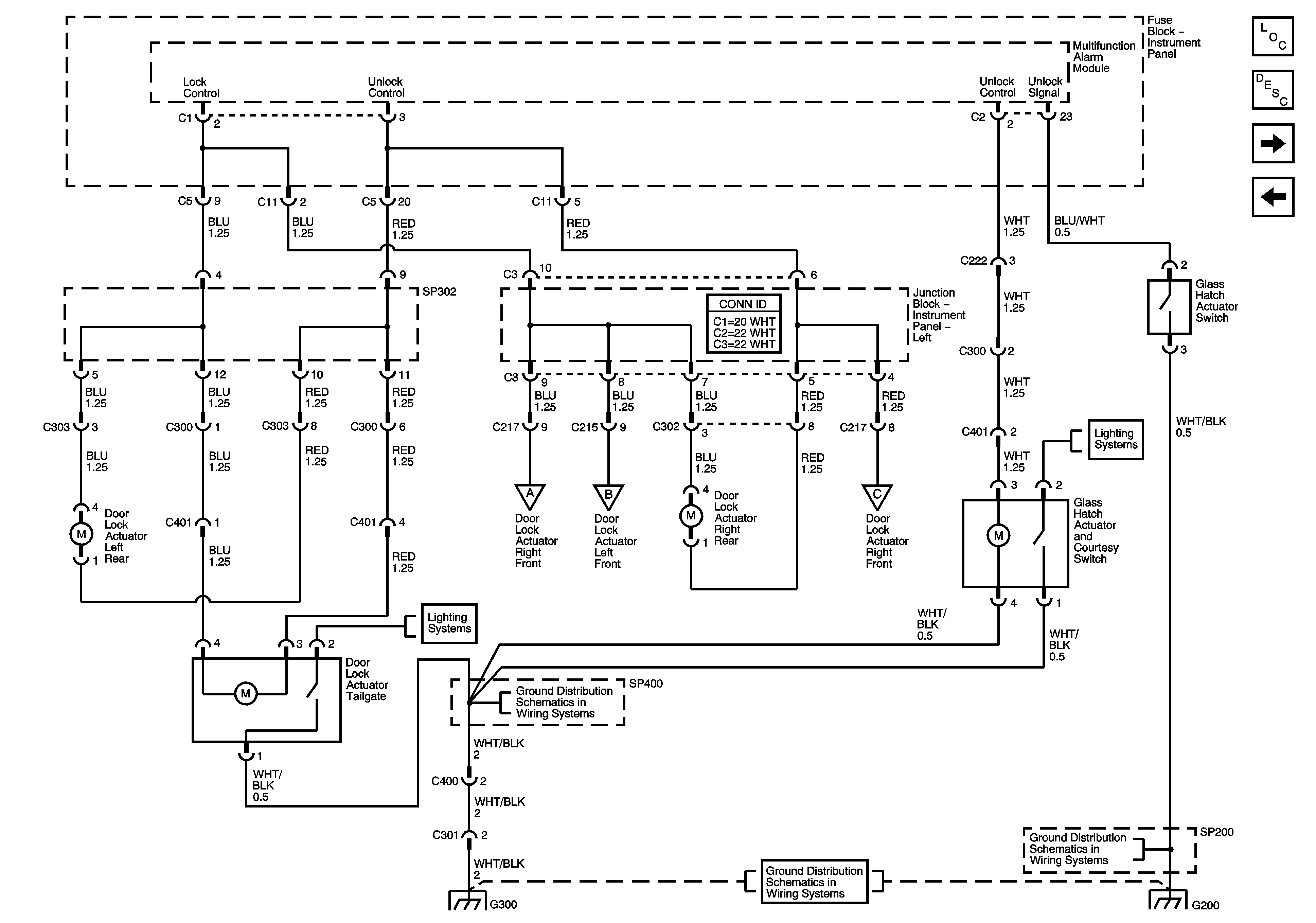
Multifunction Alarm Module, Rear Door Lock Actuators, Glass Hatch and Tailgate Actuators
HORN, DOME, MAIN and AMP Fuses
WASH, RR WIP, WIPER, ECU-IG, GAUGE, HEATER, and DEF Fuses
POWER, AM-1, DOOR, TAIL, P/POINT, ECU-B, STOP, OBD and INV Fuses
SP300
G202, G300 and G301
SP200 and G200
SP201 and G201
Figure 2:

Multifunction Alarm Module, Rear Door Lock Actuators, Glass Hatch and Tailgate Actuators


Object Number: 864639  Size: FS
Master Electrical Component List
Keyless Entry System Description and Operation
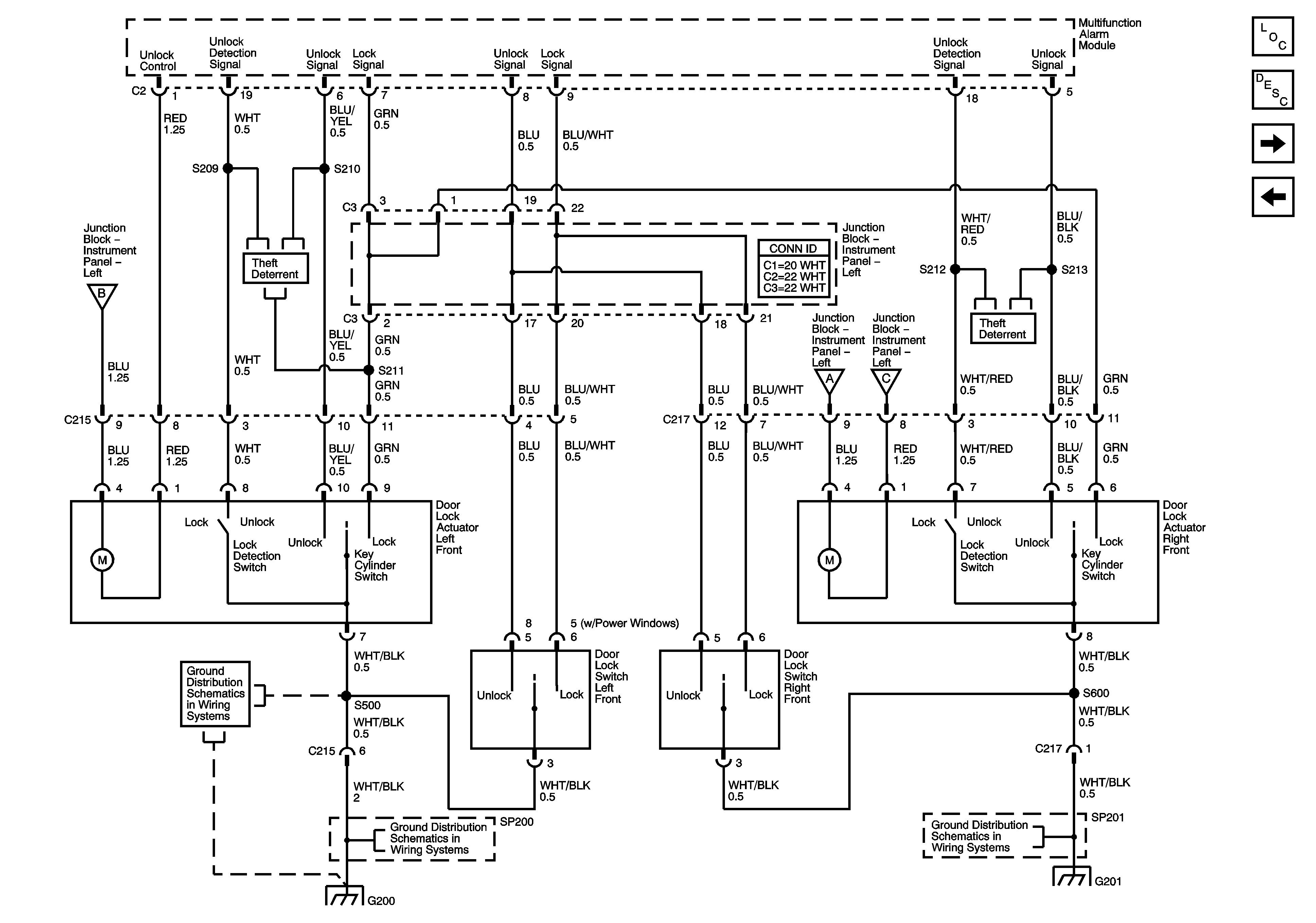
Door Lock Switches and Front Door Lock Actuators
Gage and Door Fuse, Multifunction Alarm Module and Remote Control Door Lock Receiver
Dome/Courtesy Lamp Switches
SP400
Dome/Courtesy Lamp Switches
SP200 and G200
Figure 3:

Door Lock Switches and Front Door Lock Actuators


Object Number: 785639  Size: FS
Master Electrical Component List
Keyless Entry System Description and Operation
Multifunction Alarm Module and Courtesy Switches
Multifunction Alarm Module, Rear Door Lock Actuators, Glass Hatch and Tailgate Actuators
SP200 and G200
SP200 and G200
SP201 and G201
SP201 and G201
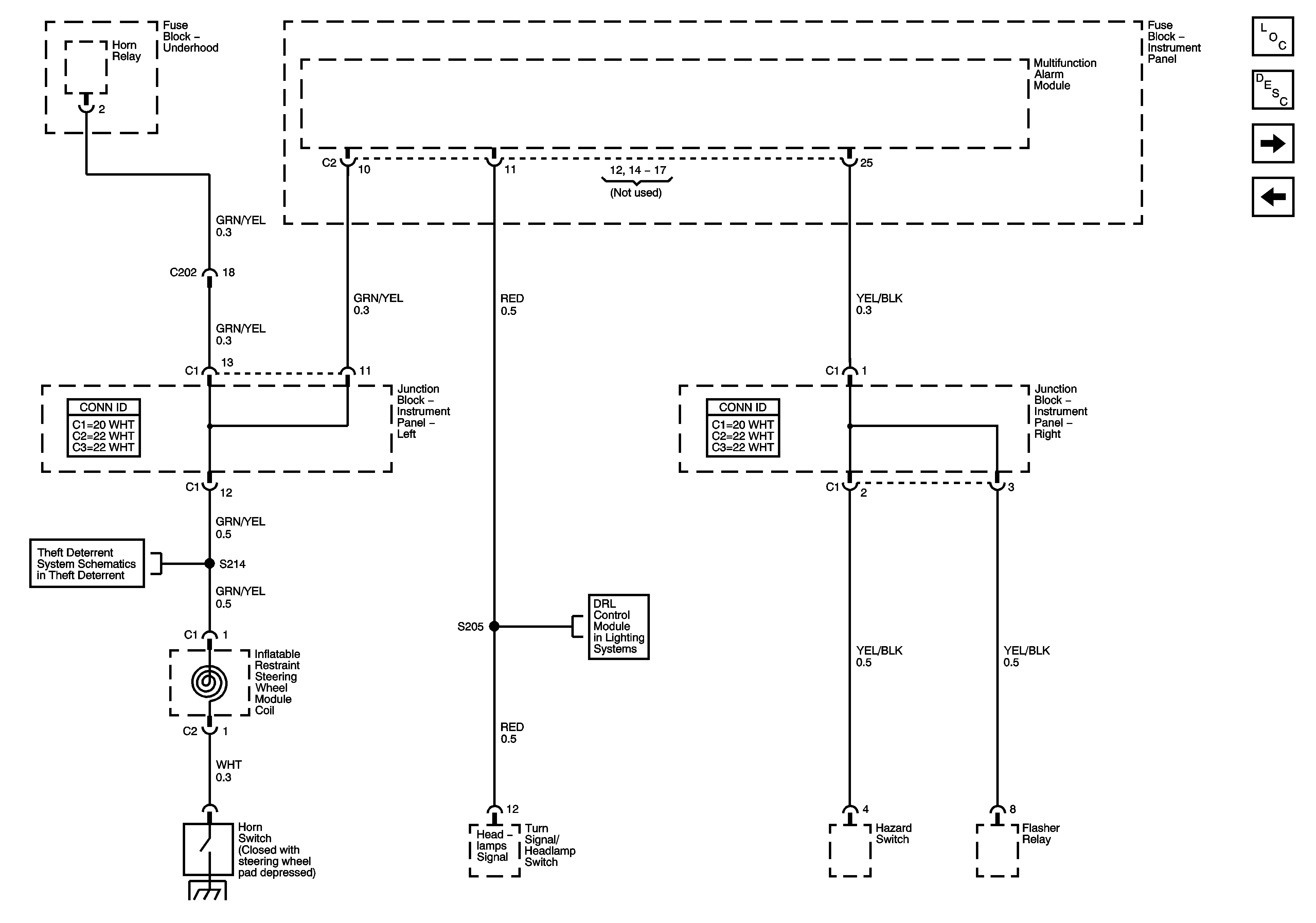
Figure 4:

Multifunction Alarm Module, Horn Switch, Hazard Switch


Object Number: 785641  Size: FS
Master Electrical Component List
Keyless Entry System Description and Operation
Multifunction Alarm Module and Courtesy Switches
Door Lock Switches and Front Door Lock Actuators
Turn Signal/Headlamp Switch
Figure 5:

Multifunction Alarm Module and Courtesy Switches


Object Number: 785640  Size: FS
Master Electrical Component List
Keyless Entry System Description and Operation
Multifunction Alarm Module, Horn Switch, Hazard Switch
Tachometer, Speedometer and Headlamps ON Indicator
Dome/Courtesy Lamp Switches
Dome/Courtesy Lamp Switches
SP400