GM Service Manual Online
For 1990-2009 cars only
Makes
🢒
Pontiac
🢒
2003
🢒
Vibe - FWD
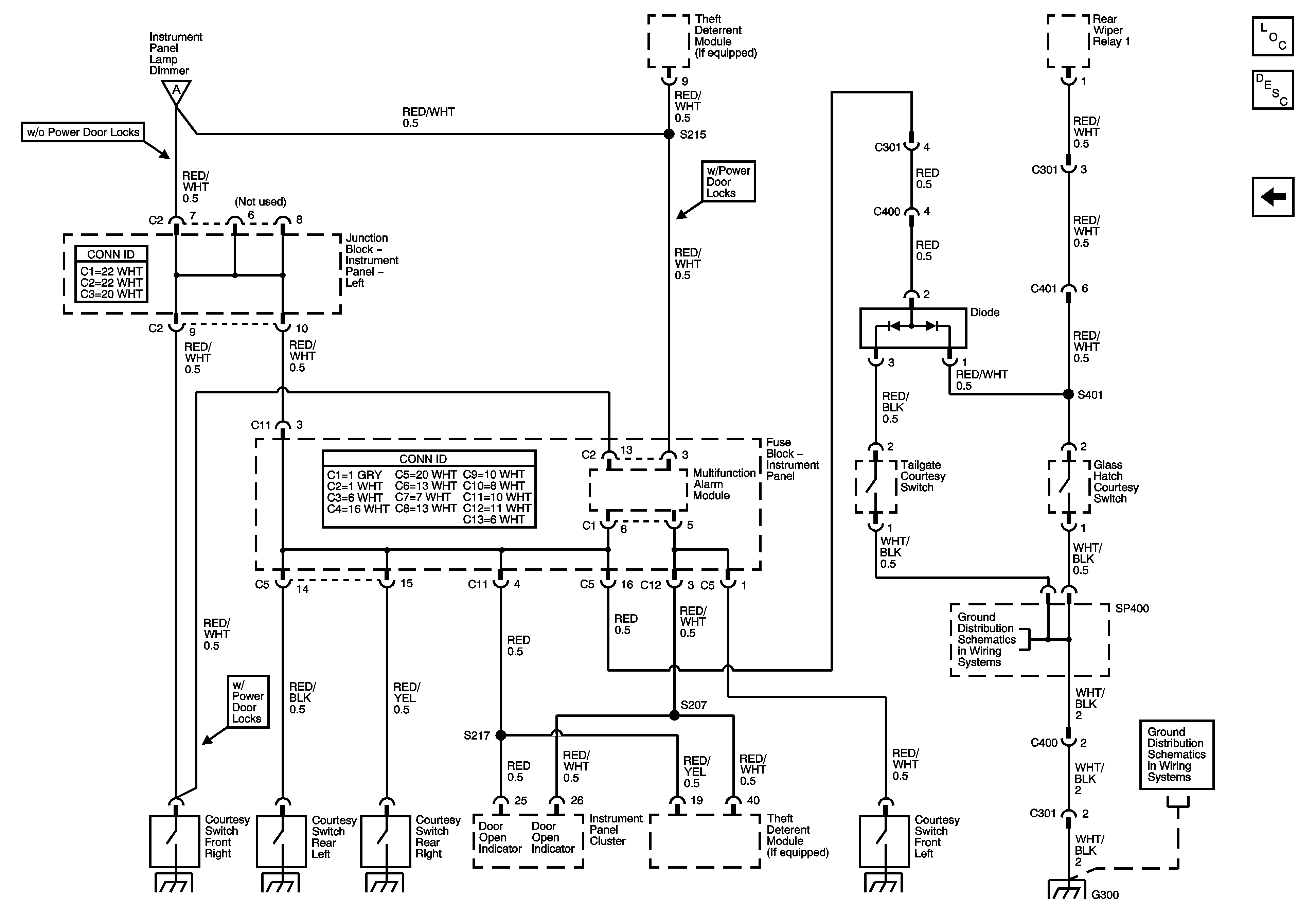
🢒 Dome/Courtesy Lamp Switches
Dome/Courtesy Lamp Switches
Dome/Courtesy Lamp Switches
Master Electrical Component List
Interior Lighting Systems Description and Operation
Dome/Courtesy Lamps
SP400
G202, G300 and G301