GM Service Manual Online
For 1990-2009 cars only
Makes
🢒
Pontiac
🢒
2003
🢒
Vibe - FWD
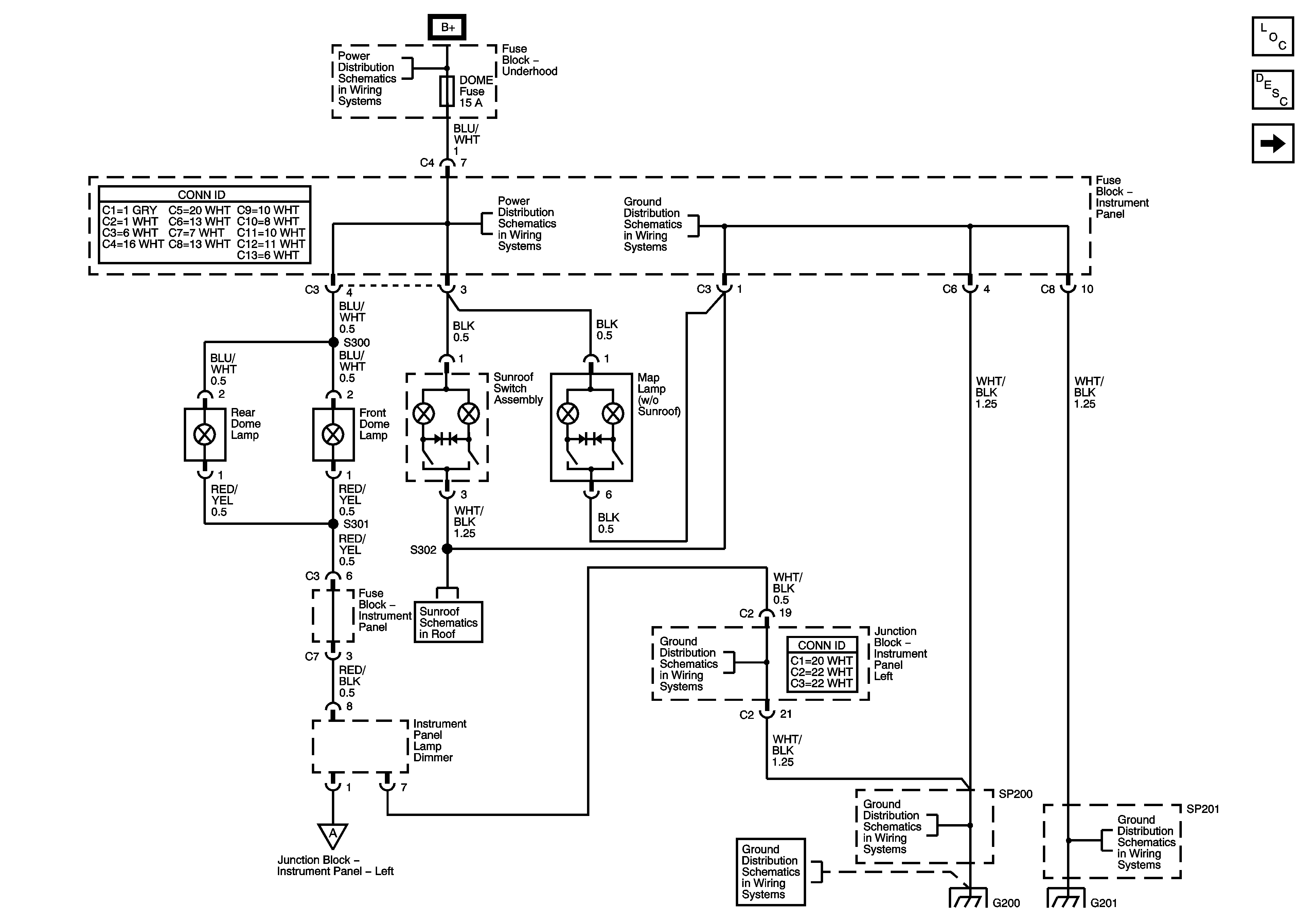
🢒 Dome/Courtesy Lamps
Dome/Courtesy Lamps
Dome/Courtesy Lamps
Master Electrical Component List
Interior Lighting Systems Description and Operation
Dome/Courtesy Lamp Switches
HORN, DOME, MAIN and AMP Fuses
HORN, DOME, MAIN and AMP Fuses
Instrument Panel Fuse Block
Sunroof Schematics
Left Instrument Panel Junction Block
SP200 and G200
SP201 and G201