GM Service Manual Online
For 1990-2009 cars only
Figure 1:

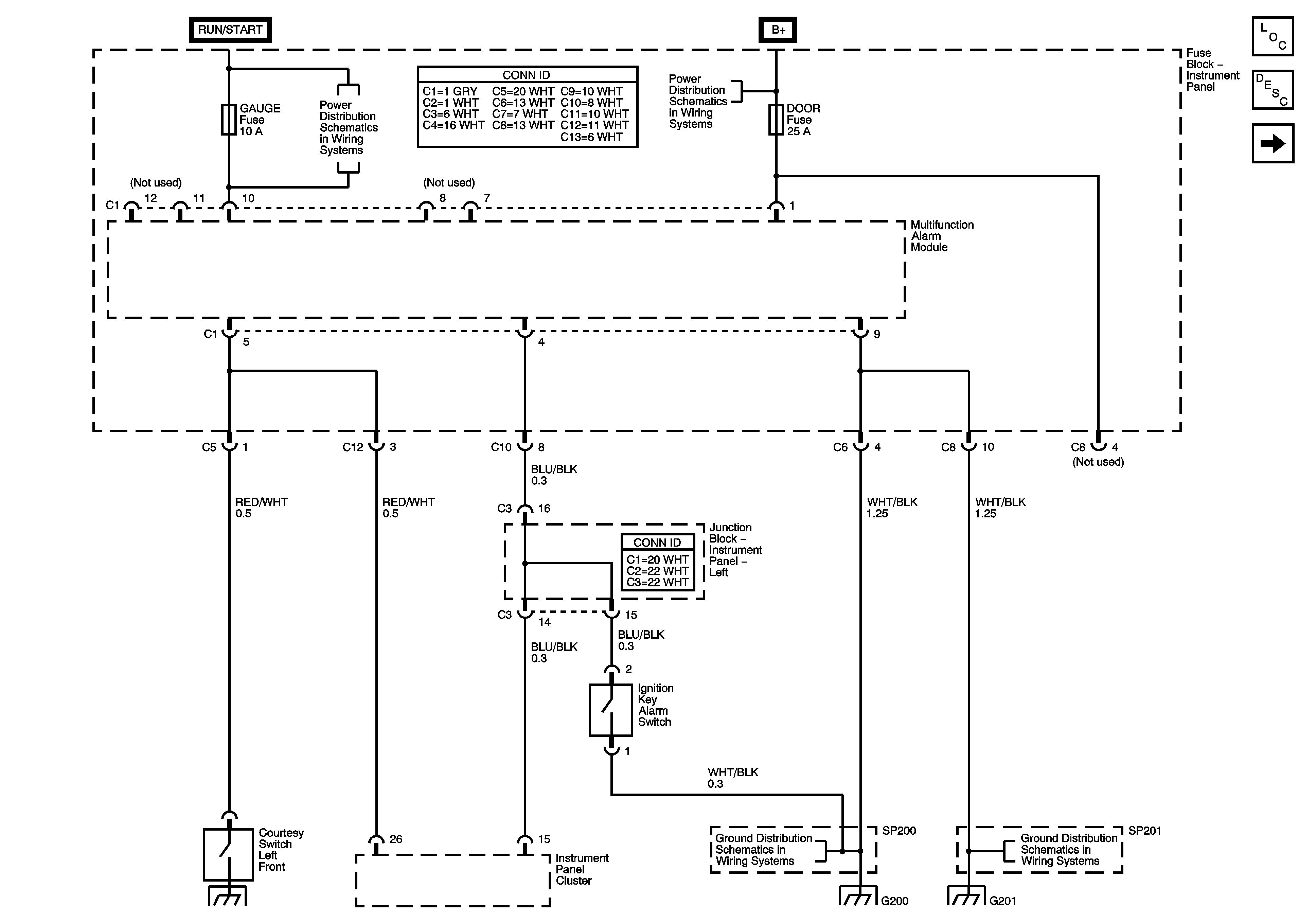
GAUGE and DOOR Fuse, Multifunction Alarm Module


Object Number: 785633  Size: FS
Master Electrical Component List
Power Door Locks Description and Operation
Multifunction Alarm Module, Rear Door Lock Actuators, Glass Hatch and Tailgate Actuators
WASH, RR WIP, WIPER, ECU-IG, GAUGE, HEATER, and DEF Fuses
POWER, AM-1, DOOR, TAIL, P/POINT, ECU-B, STOP, OBD and INV Fuses
SP200 and G200
SP201 and G201
Figure 2:

Multifunction Alarm Module, Rear Door Lock Actuators, Glass Hatch and Tailgate Actuators


Object Number: 864639  Size: FS
Master Electrical Component List
Power Door Locks Description and Operation
Door Lock Switches and Front Door Lock Actuators
Gage, Door Fuse, Multifunction Alarm Module
Dome/Courtesy Lamp Switches
SP400
Dome/Courtesy Lamp Switches
SP200 and G200
Figure 3:

Door Lock Switches and Front Door Lock Actuators


Object Number: 785639  Size: FS
Master Electrical Component List
Power Door Locks Description and Operation
Multifunction Alarm Module and Courtesy Switches
Multifunction Alarm Module, Rear Door Lock Actuators, Glass Hatch and Tailgate Actuators
SP200 and G200
SP200 and G200
SP201 and G201
SP201 and G201
Figure 4:

Multifunction Alarm Module and Courtesy Switches


Object Number: 785640  Size: FS
Master Electrical Component List
Power Door Locks Description and Operation
Door Lock Switches and Front Door Lock Actuators
Tachometer, Speedometer and Headlamps ON Indicator
Dome/Courtesy Lamp Switches
Dome/Courtesy Lamp Switches
SP400