GM Service Manual Online
For 1990-2009 cars only
Figure 1:

Powertrain Control Module (PCM) Power and Ground


Object Number: 1422196  Size: FS
Master Electrical Component List
Control Module References
EFI Relay, S100
OBD II Symbol Description Notice
Horn, Dome, Main, Amp, Onstar Fuses
Ignition Switch (1 of 2)
Ignition Switch (2 of 2)
Ignition Switch (1 of 2)
S103 and G103
Ignition Switch (1 of 2)
S100
Air Pump, ETCS, Head, Alt S, EFI, EFI 2, Hazard Fuses
S100
SP107, SP108, G104
SP107, SP108, G104
S105, SP107, G105, G106, G107, G108
S105, SP107, G105, G106, G107, G108
SP201 and G201
Figure 2:

EFI Relay, S100


Object Number: 1422197  Size: FS
Master Electrical Component List
Control Module References
Data Link Connector
Powertrain Control Module (PCM) Power and Ground
OBD II Symbol Description Notice
Air Pump, ETCS, Head, Alt S, EFI, EFI 2, Hazard Fuses
S103 and G103
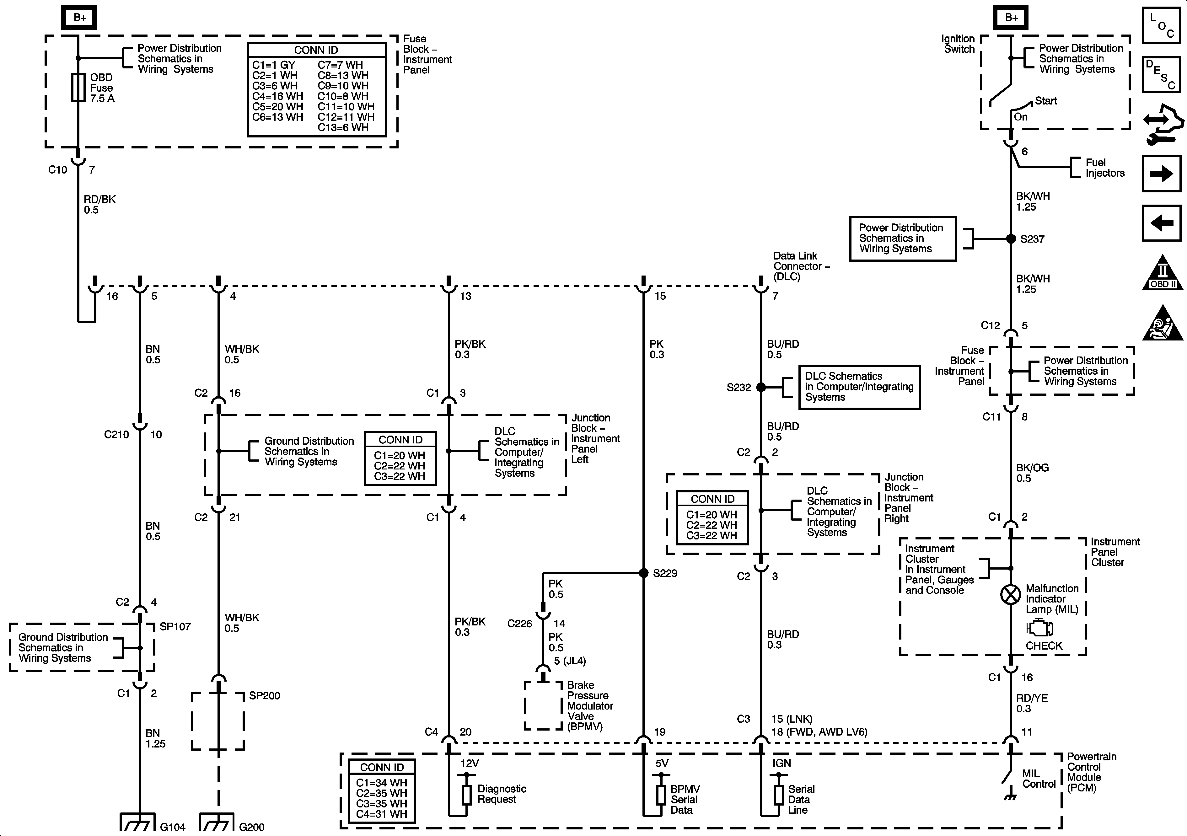
Figure 3:

Data Link Connector (DLC)


Object Number: 1422198  Size: FS
Master Electrical Component List
Control Module References
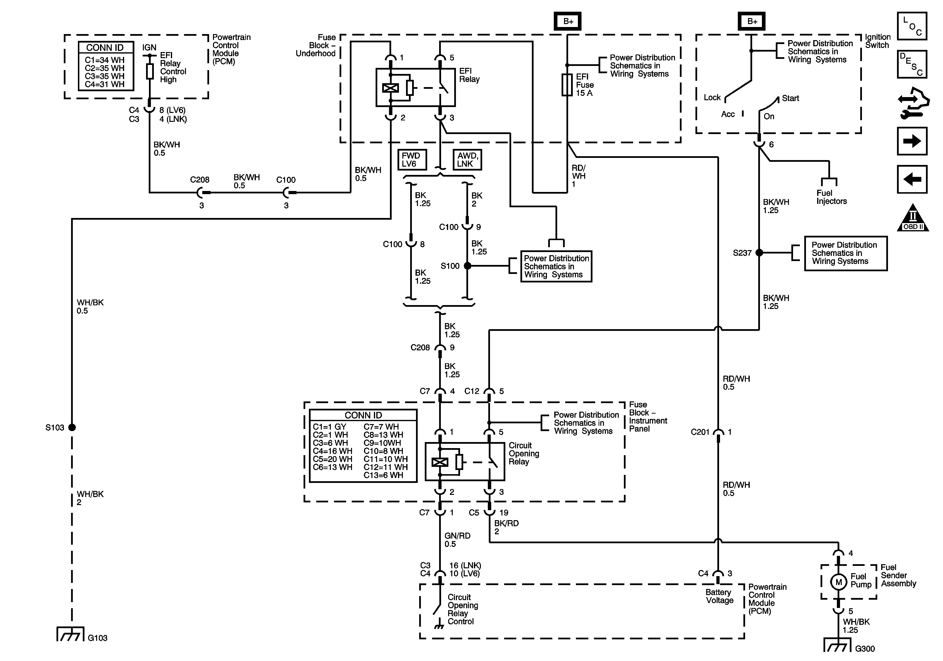
Fuel Sender Assembly
EFI Relay, S100
OBD II Symbol Description Notice
SIR Caution for Zoning
Power, AM 1, Door, Tail, P/Point, ECU-B, Stop, OBD, INV, Fuses
SP201 and G201
SP107, SP108, G104
SP107, SP108, G104
Ignition Switch (2 of 2)
Ignition Switch (2 of 2)
Ignition Switch (2 of 2)
Charge, Air Bag, Malfunction, O/D OFF, Cruise Indicators
Data Link Connector - 3 of 3
Data Link Connector - 3 of 3
Data Link Connector - 1 of 3
Data Link Connector - 1 of 3
Figure 4:

Fuel Sender Assembly


Object Number: 1422249  Size: FS
Master Electrical Component List
Control Module References
Fuel Injectors
Data Link Connector
OBD II Symbol Description Notice
S103 and G103
Air Pump, ETCS, Head, Alt S, EFI, EFI 2, Hazard Fuses
S100
Ignition Switch (2 of 2)
Ignition Switch (2 of 2)
G202, G300, G301, G302
Figure 5:

Fuel Injectors


Object Number: 1422201  Size: FS
Master Electrical Component List
Control Module References
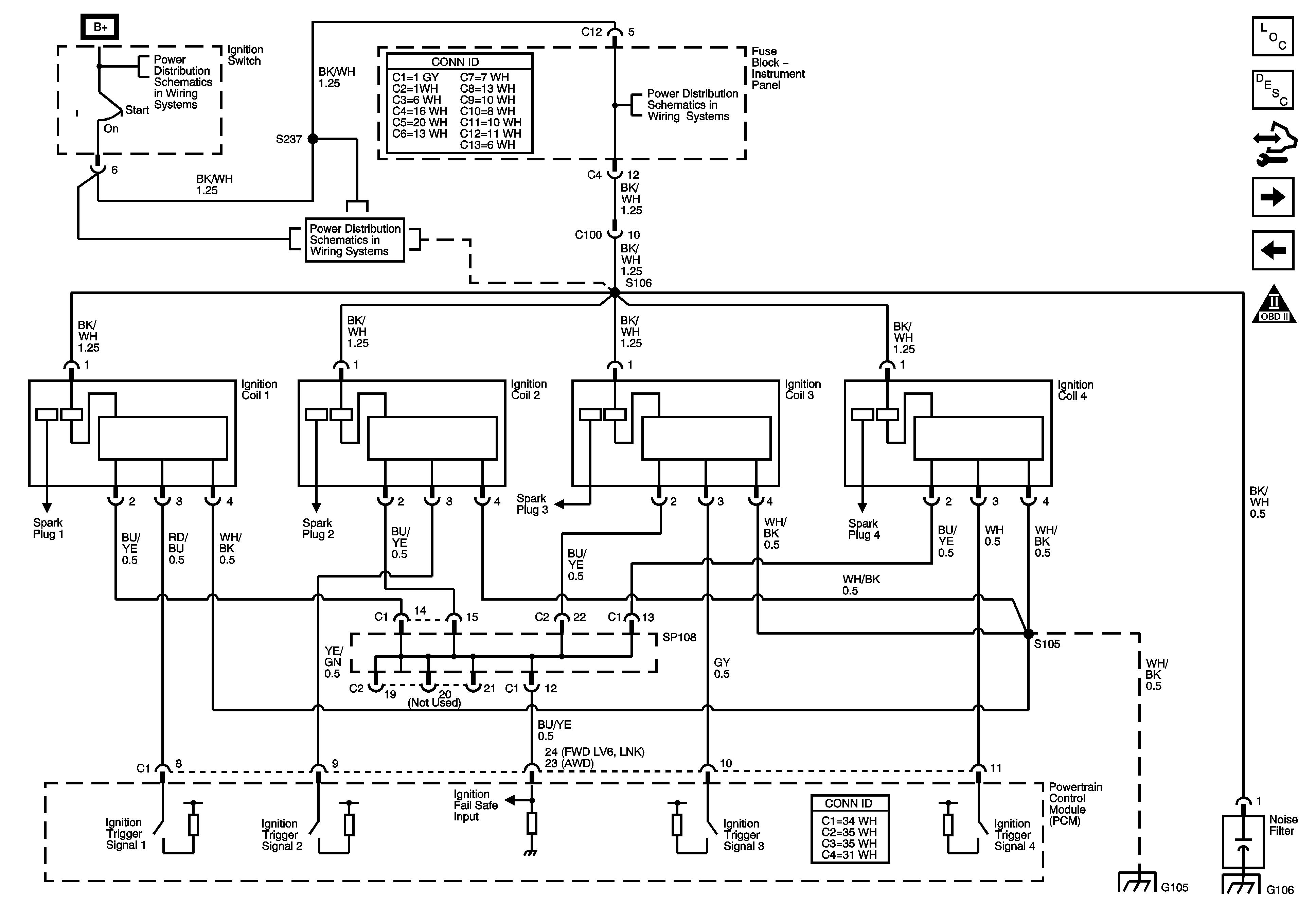
Ignition Coils
Fuel Sender Assembly
OBD II Symbol Description Notice
Ignition Switch (2 of 2)
Ignition Switch (2 of 2)
Figure 6:

Ignition Coils


Object Number: 1422203  Size: FS
Master Electrical Component List
Control Module References
Accelerator Pedal Position (APP) Sensor
Fuel Injectors
OBD II Symbol Description Notice
Ignition Switch (2 of 2)
Ignition Switch (2 of 2)
Ignition Switch (2 of 2)
S105, SP107, G105, G106, G107, G108
S105, SP107, G105, G106, G107, G108
Figure 7:

Accelerator Pedal Position (APP) Sensor


Object Number: 1470559  Size: FS
Master Electrical Component List
Control Module References
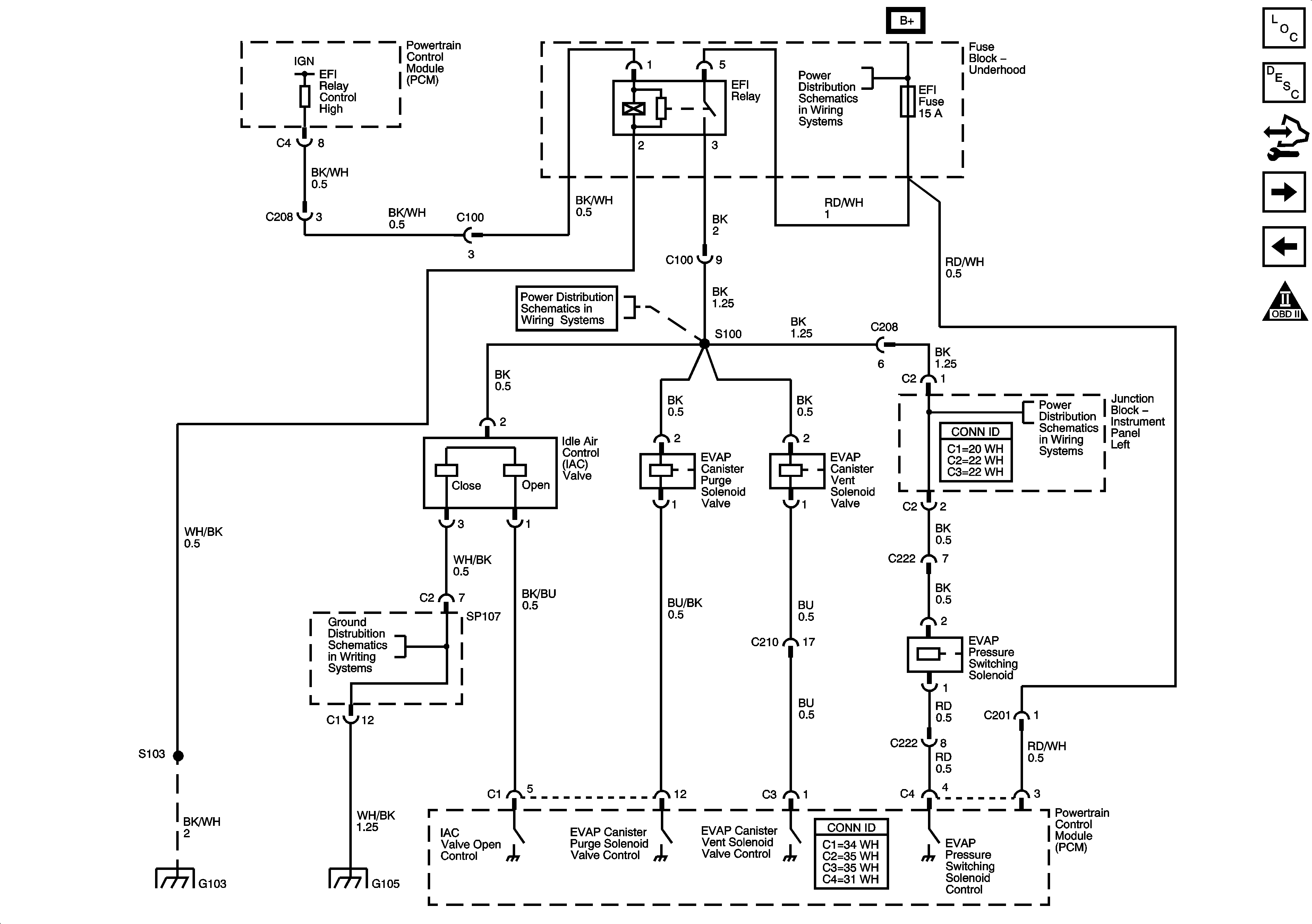
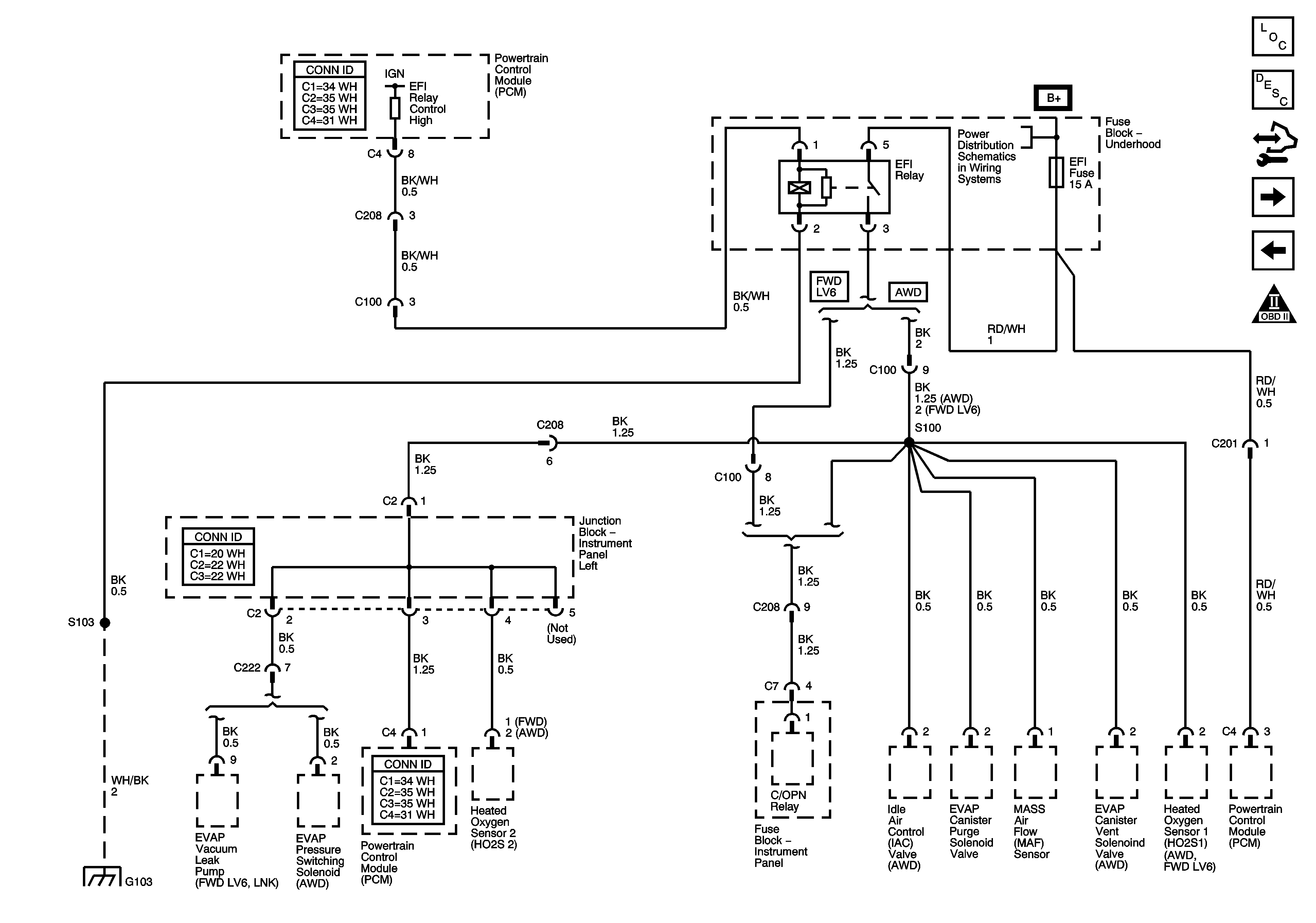
EVAP System (FWD)
Ignition Coils
OBD II Symbol Description Notice
Air Pump, ETCS, Head, Alt S, EFI, EFI 2, Hazard Fuses
Figure 8:

EVAP System (FWD)


Object Number: 1422200  Size: FS
Master Electrical Component List
Control Module References
Idle Air Control Valve, EVAP System (AWD)
Accelerator Pedal Position (APP) Sensor
OBD II Symbol Description Notice
S103 and G103
S100
Air Pump, ETCS, Head, Alt S, EFI, EFI 2, Hazard Fuses
S100
G202, G300, G301, G302
Figure 9:

Idle Air Control Valve and EVAP System (AWD)


Object Number: 1422202  Size: FS
Master Electrical Component List
Control Module References
ECT Sensor, A/C Resistor, EVAP Vacuum Leak Pump, Throttle Actuator Control (TAC) Module FWD
EVAP System (FWD)
OBD II Symbol Description Notice
S103 and G103
S105, SP107, G105, G106, G107, G108
S105, SP107, G105, G106, G107, G108
S100
Air Pump, ETCS, Head, Alt S, EFI, EFI 2, Hazard Fuses
S100
Figure 10:

Engine Coolant Temperature (ECT) Sensor, A/C Resistor, EVAP Vacuum Leak Pump, Throttle Actuator Control (TAC) Module (FWD)


Object Number: 1422267  Size: FS
Master Electrical Component List
Control Module References
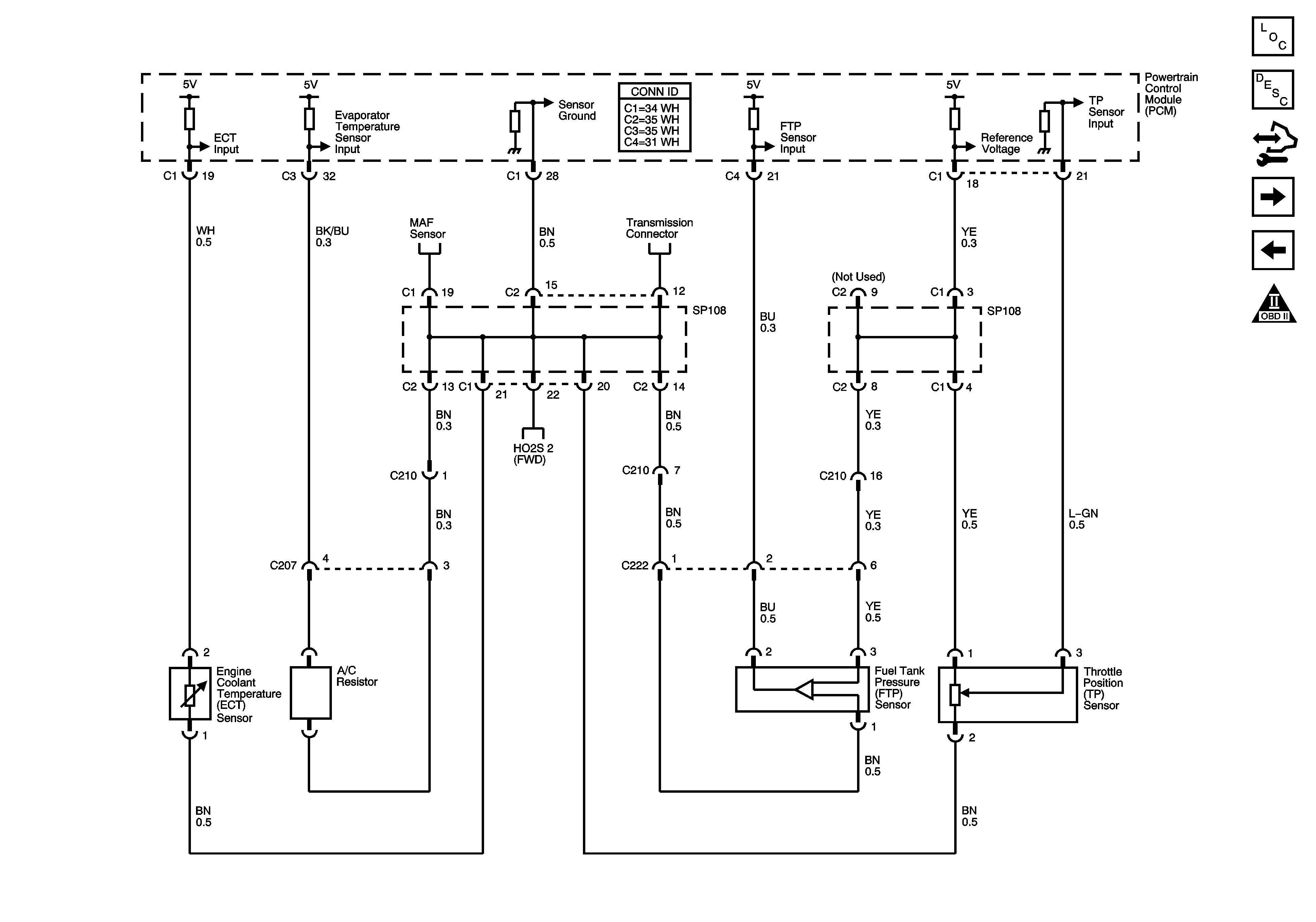
ECT Sensor, A/C Resistor, Fuel Tank Pressure (FTP) Sensor, Throttle Position (TP) Sensor AWD
Idle Air Control Valve, EVAP System (AWD)
OBD II Symbol Description Notice
Figure 11:

Engine Coolant Temperature (ECT) Sensor, A/C Resistor, Fuel Tank Pressure (FTP) Sensor, Throttle Position (TP) Sensor (AWD)


Object Number: 1422204  Size: FS
Master Electrical Component List
Control Module References
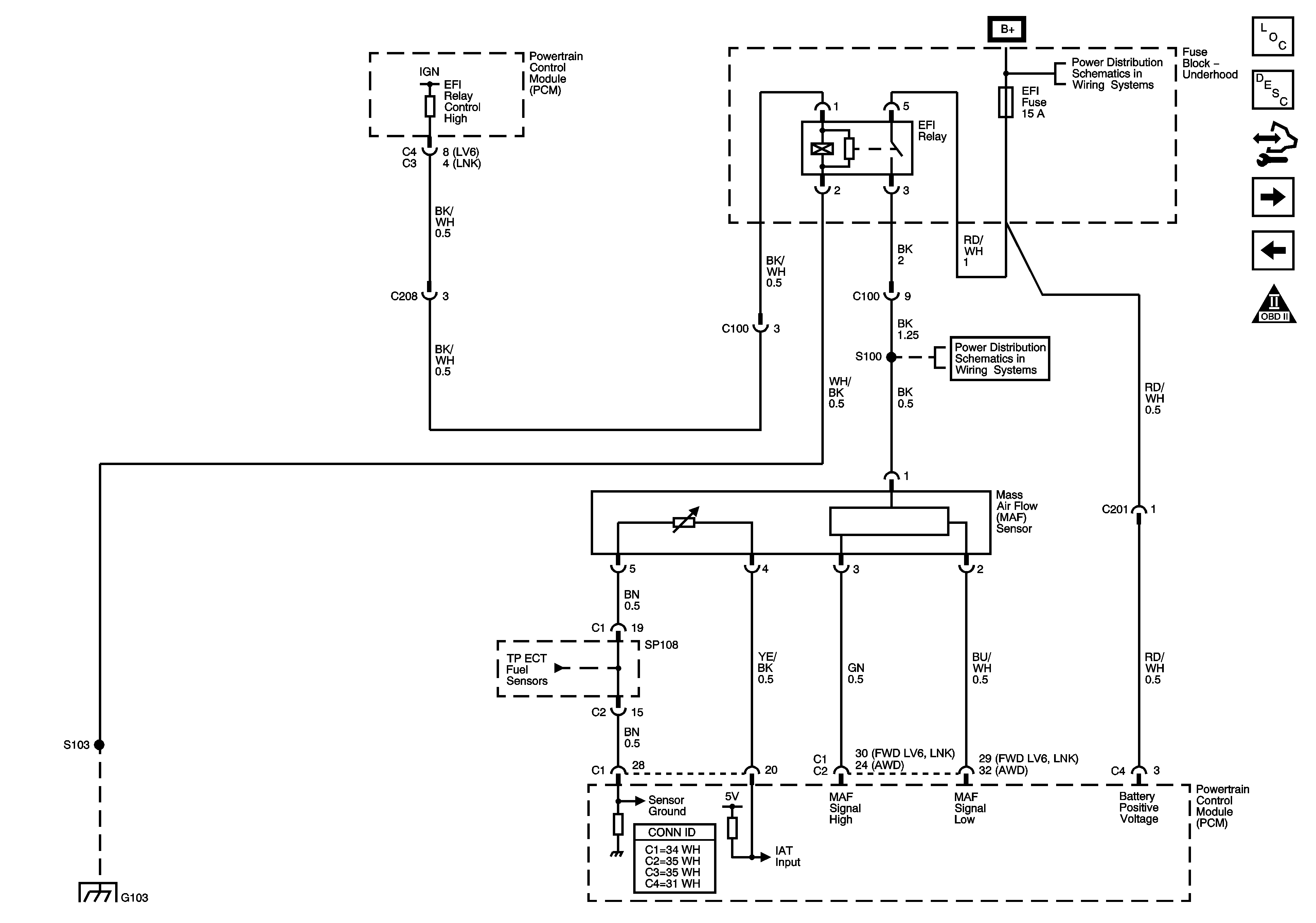
Mass Air Flow (MAF) Sensor
ECT Sensor, A/C Resistor, EVAP Vacuum Leak Pump, Throttle Actuator Control (TAC) Module FWD
OBD II Symbol Description Notice
Figure 12:

Mass Air Flow (MAF) Sensor


Object Number: 1422205  Size: FS
Master Electrical Component List
Control Module References
Knock Sensor (KS), Camshaft Position (CMP), Crankshaft Position (CKP) Sensors, Camshaft Position Actuator Solenoid Valve
ECT Sensor, A/C Resistor, Fuel Tank Pressure (FTP) Sensor, Throttle Position (TP) Sensor AWD
OBD II Symbol Description Notice
S103 and G103
Air Pump, ETCS, Head, Alt S, EFI, EFI 2, Hazard Fuses
S100
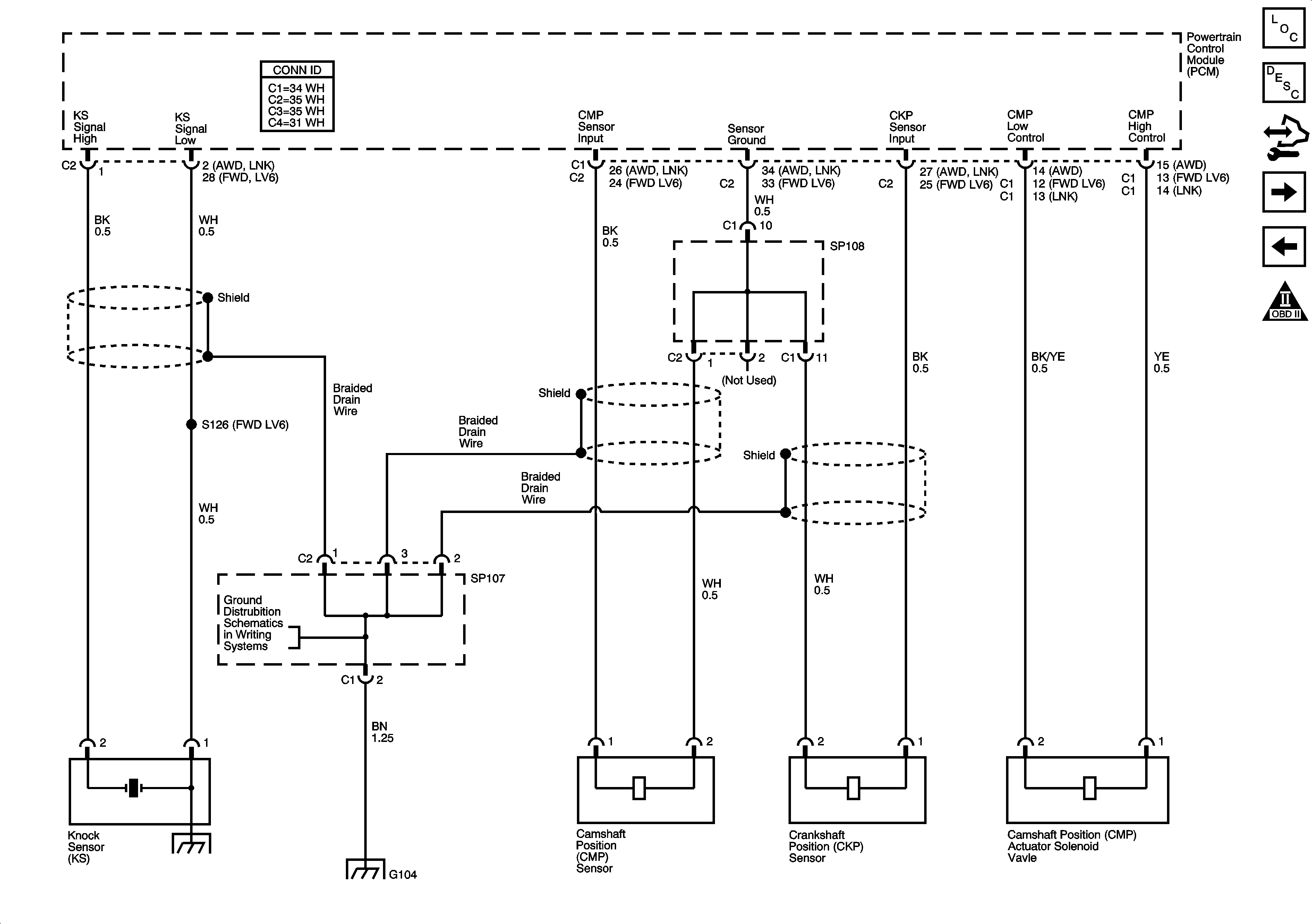
Figure 13:

Knock Sensor (KS), Camshaft Position (CMP), Crankshaft Position (CKP) Sensors, Camshaft Position Actuator Solenoid Valve


Object Number: 1422207  Size: FS
Master Electrical Component List
Control Module References
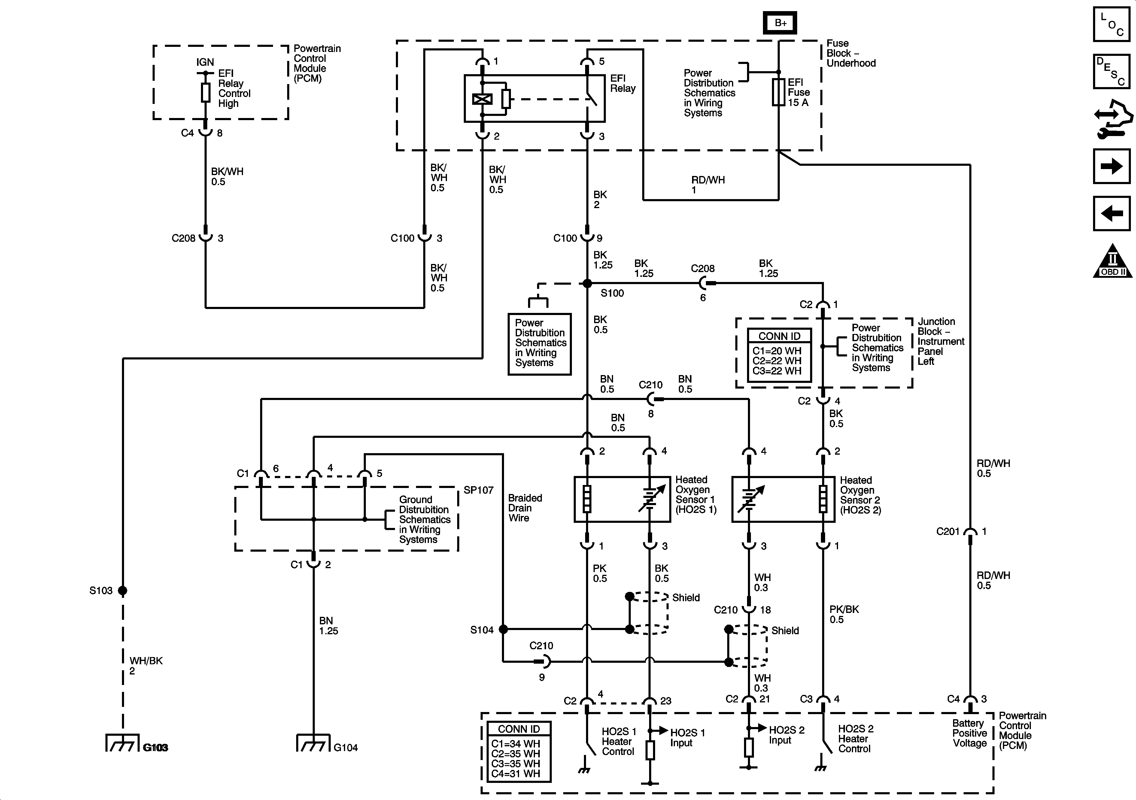
Heated Oxygen Sensors (FWD)
Mass Air Flow (MAF) Sensor
OBD II Symbol Description Notice
SP107, SP108, G104
SP107, SP108, G104
Figure 14:

Heated Oxygen Sensors (HO2S) (FWD)


Object Number: 1424565  Size: FS
Master Electrical Component List
Control Module References
Heated Oxygen Sensors (AWD)
Knock Sensor (KS), Camshaft Position (CMP), Crankshaft Position (CKP) Sensors, Camshaft Position Actuator Solenoid Valve
OBD II Symbol Description Notice
S103 and G103
SP107, SP108, G104
SP107, SP108, G104
Air Pump, ETCS, Head, Alt S, EFI, EFI 2, Hazard Fuses
S100
S100
Figure 15:

Heated Oxygen Sensors (HO2S) (AWD)


Object Number: 1422209  Size: FS
Master Electrical Component List
Control Module References
Park/Neutral Position (PNP) Switch
Heated Oxygen Sensors (FWD)
OBD II Symbol Description Notice
S103 and G103
SP107, SP108, G104
SP107, SP108, G104
Air Pump, ETCS, Head, Alt S, EFI, EFI 2, Hazard Fuses
S100
S100
Figure 16:

Park/Neutral Position (PNP) Switch


Object Number: 1422211  Size: FS
Master Electrical Component List
Control Module References
Park/Neutral Position Switch, Brake Pressure Modulator Valve (BPMV), Multifunction Alarm Module
Heated Oxygen Sensors (AWD)
OBD II Symbol Description Notice
Ignition Switch (1 of 2)
Ignition Switch (1 of 2)
Starting System
Back Up Lamps
Wash, RR Wip, Wiper, ECU-IG, Gauge, Heater, DEF Fuses
Junction Block - Instrument Panel Right
Junction Block - Instrument Panel Right
Figure 17:

Park/Neutral Position Switch, Brake Pressure Modulator Valve (BPMV), Multifunction Alarm Module


Object Number: 1481319  Size: FS
Master Electrical Component List
Control Module References
Vehicle Speed Sensor (VSS) (FWD w/o ABS)
Park/Neutral Position (PNP) Switch
OBD II Symbol Description Notice
Figure 18:

Vehicle Speed Sensor (VSS) (FWD w/o ABS)


Object Number: 1422212  Size: FS
Master Electrical Component List
Control Module References
Automatic Transaxle Controls FWD
Park/Neutral Position Switch, Brake Pressure Modulator Valve (BPMV), Multifunction Alarm Module
OBD II Symbol Description Notice
Wash, RR Wip, Wiper, ECU-IG, Gauge, Heater, DEF Fuses
Junction Block - Instrument Panel Right
Junction Block - Instrument Panel Right
SP107, SP108, G104
SP107, SP108, G104
Fuel Gauge, Seat Belt Low Fuel Indicators, Passenger Sea Belt Warning Lamp
Horn, Dome, Main, Amp, Onstar Fuses
Horn, Dome, Main, Amp, Onstar Fuses
Horn, Dome, Main, Amp, Onstar Fuses
High Beam, Door Open, Fuel Indicators
Figure 19:

Automatic Transaxle Controls (FWD)


Object Number: 1422223  Size: FS
Master Electrical Component List
Control Module References
Automatic Transaxle Controls AWD
Vehicle Speed Sensor (VSS) (FWD w/o ABS)
OBD II Symbol Description Notice
Figure 20:

Automatic Transaxle Controls (AWD)


Object Number: 1422226  Size: FS
Master Electrical Component List
Control Module References
Overdrive Switch and Indicator
Automatic Transaxle Controls FWD
OBD II Symbol Description Notice
Figure 21:

Overdrive Switch and Indicator


Object Number: 1422227  Size: FS
Master Electrical Component List
Control Module References
Powertrain Control Module (PCM) Idle-Up Inputs
Automatic Transaxle Controls AWD
OBD II Symbol Description Notice
Ignition Switch (2 of 2)
Ignition Switch (2 of 2)
Charge, Air Bag, Malfunction, O/D OFF, Cruise Indicators
Illumination Lamps
Junction Block - Instrument Panel Right
SP201 and G201
Figure 22:

Powertrain Control Module (PCM) Idle-Up Inputs


Object Number: 1422228  Size: FS
Master Electrical Component List
Control Module References
Overdrive Switch and Indicator
OBD II Symbol Description Notice
Power, AM 1, Door, Tail, P/Point, ECU-B, Stop, OBD, INV, Fuses
Park Lamps
Wash, RR Wip, Wiper, ECU-IG, Gauge, Heater, DEF Fuses
Wash, RR Wip, Wiper, ECU-IG, Gauge, Heater, DEF Fuses
Defogger Schematics
Blower Controls